Упс, к сожалению, версия вашего браузера несовместима с сайтом. Вероятнее всего она устарела или давно не обновлялась.
Попробуйте открыть сайт atvstyle.ru с одного из поддерживаемых браузеров:
Google
Chrome
Safari
Mozilla
Firefox
Microsoft
Edge
Opera
Yandex
Browser

Каталог запчастей
Личный кабинет
модель 2009 года
  • Модель Rhino 700
  • Схема REAR BRAKE CALIPER 2 для RHINO 700 FI HUNTER (YXR7FHY)

  • Код модели RHINO 700 FI HUNTER (YXR7FHY)
Схема
Детали
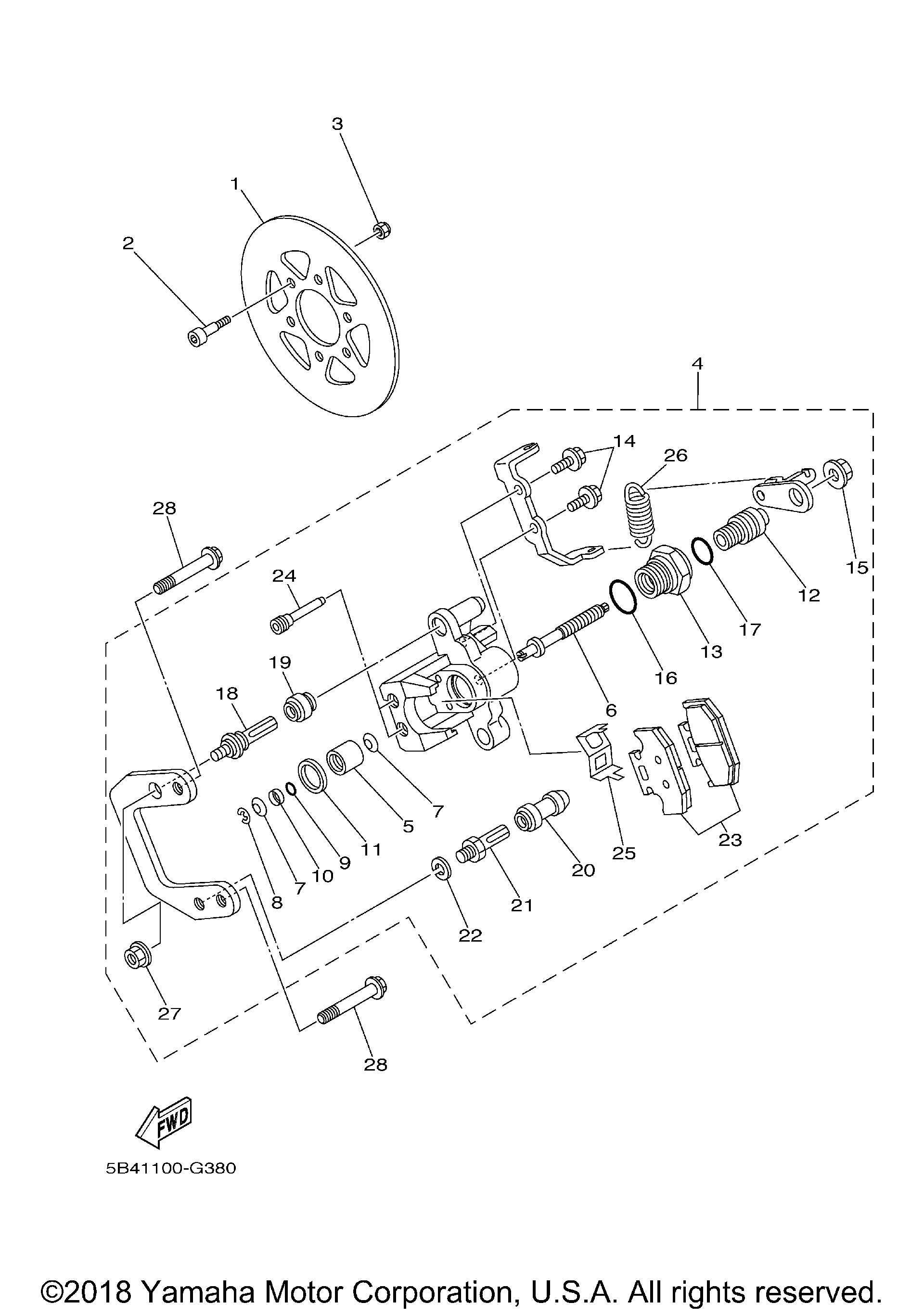
REAR BRAKE CALIPER 2
Номер
Наименование детали
Цена
1
Тормозной диск задний для Yamaha art. 5B4-F5711-00-00
от 4 389 ₽
2
Болт Yamaha art. 90110-06228-00
от 473 ₽
3
Гайка Yamaha art. 95617-06100-00
от 368 ₽
OEM
Гайка Yamaha
art. 95617-06100-00
368 ₽
Требуется 6 шт.
4
Суппорт ручного тормоза Yamaha art. 5B4-25905-03-00
По запросу
5
. .PISTON, CALIPER art. 5B4-25814-10-00
По запросу
6
. .PUSH ROD COMP. art. 5B4-25880-00-00
По запросу
7
. .WASHER, CONICAL SPRING art. 5B4-2581R-00-00
По запросу
8
. .CIRCLIP art. 5B4-25415-00-00
По запросу
9
. .O-RING art. 5B4-25976-00-00
По запросу
10
. .RETAINER art. 5B4-25913-00-00
По запросу
11
. .RUBBER, BUSHING art. 5B4-25975-00-00
По запросу
12
. .SHAFT L art. 5B4-25978-00-00
По запросу
13
. .NUT art. 5B4-25973-00-00
По запросу
14
. .BOLT, FITTING art. 5B4-25833-00-00
По запросу
15
. .NUT art. 1UY-25973-51-00
По запросу
16
. .O-RING art. 5B4-25976-10-00
По запросу
17
. .O-RING art. 5B4-25976-20-00
По запросу
18
Направляющая суппорта Yamaha art. 3JD-25926-00-00
от 882 ₽
OEM
882 ₽
Требуется 1 шт.
19
Пыльник суппорта Yamaha art. 3JD-25917-00-00
от 882 ₽
OEM
882 ₽
Требуется 1 шт.
Аналог
1 810 ₽
Требуется 1 шт.
Подписаться
20
Пыльник направляющей суппорта Yamaha art. 1UY-25937-51-00
от 1 491 ₽
OEM
1 491 ₽
Требуется 1 шт.
Аналог
1 810 ₽
Требуется 1 шт.
Подписаться
21
Болт направляющий суппорта Yamaha art. 1UY-25926-51-00
от 368 ₽
OEM
368 ₽
Требуется 1 шт.
22
. .WASHER, SPRING art. 1UY-25938-51-00
По запросу
23
Тормозные колодки Yamaha 5B4-W0046-01-00 art. 5B4-25806-01-00
от 2 680 ₽
OEM
7 098 ₽
Требуется 1 шт.
Подписаться
Аналог
2 680 ₽
Требуется 1 шт.
24
Палец суппорта Yamaha art. 5B4-25924-00-00
от 683 ₽
OEM
683 ₽
Требуется 2 шт.
25
. .SUPPORT, PAD art. 5B4-25919-00-00
По запросу
26
. .SPRING, RETURN art. 5B4-25977-00-00
По запросу
27
. .NUT art. 5B4-2585F-00-00
По запросу
28
BOLT, FLANGE art. 90105-10402-00
По запросу
Нужна консультация
Мы ответим вам на этот номер
Или укажите свою почту - и мы ответим на нее
Добавлено в корзину
Вы только что добавили в корзину:
Перейти в корзину
Позвонить

Выберите номер:

Telegram

Откроем чат в Telegram

WhatsApp

Откроем чат в WhatsApp

+7 985 444 5566
Вход в интернет магазин
Войти
Зарегистрироваться
Номер телефона необходим для оформления заказа
Восстановить пароль
Укажите ваш email адрес или логин и мы вышлем ссылку для восстановления пароля.