Упс, к сожалению, версия вашего браузера несовместима с сайтом. Вероятнее всего она устарела или давно не обновлялась.
Попробуйте открыть сайт atvstyle.ru с одного из поддерживаемых браузеров:
Google
Chrome
Safari
Mozilla
Firefox
Microsoft
Edge
Opera
Yandex
Browser

Ваша корзина
Ваша корзина пуста
Перейти в каталог
Личный кабинет +7 903 799 1446 +7 985 444 5566
модель 2000 года
  • Модель 1100 STX
  • Схема FUEL PUMP для JET SKI 1100 STX D.I. (JT1100-C1)

  • Код модели JET SKI 1100 STX D.I. (JT1100-C1)
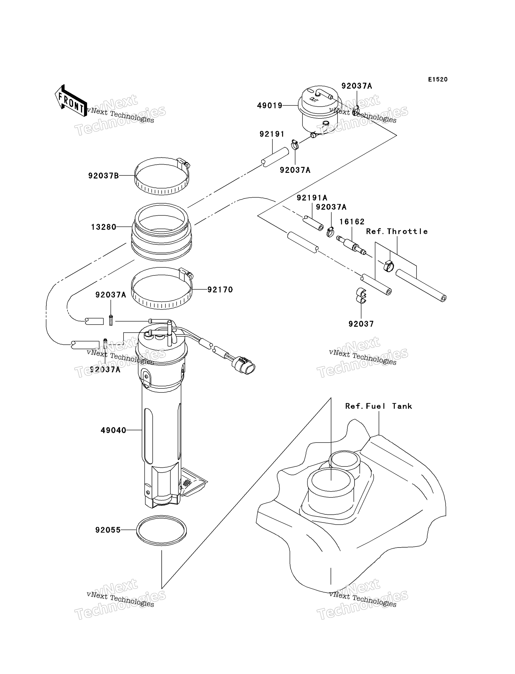
Схема
Детали
FUEL PUMP
Номер
Наименование детали
Цена
13280
HOLDER,FUEL PUMP art. 13280-0729
По запросу
16162
REGULATOR-FUEL art. 16162-3701
По запросу
49019
FILTER-FUEL art. 49019-3716
По запросу
49040
PUMP-FUEL art. 49040-3711
По запросу
92037
CLAMP art. 92171-3716
По запросу
92037
Хомут Kawasaki art. 92037-3726
от 400 ₽
OEM
Хомут Kawasaki
art. 92037-3726
400 ₽
Требуется 5 шт.
92037
Хомут шланга Kawasaki art. 92037-1603
от 450 ₽
OEM
450 ₽
Требуется 1 шт.
92055
RING-O,FUEL PUMP art. 92161-3759
По запросу
92170
CLAMP art. 92170-3760
По запросу
92191
TUBE,5.8X10.8X480,RET art. 92191-3872
По запросу
92191
TUBE,7.5X13.5X460 art. 92191-3869
По запросу
Нужна консультация
Мы ответим вам на этот номер
Или укажите свою почту - и мы ответим на нее
Добавлено в корзину
Вы только что добавили в корзину:
Перейти в корзину
Вход в интернет магазин
Войти
Зарегистрироваться
Номер телефона необходим для оформления заказа
Восстановить пароль
Укажите ваш email адрес или логин и мы вышлем ссылку для восстановления пароля.