Упс, к сожалению, версия вашего браузера несовместима с сайтом. Вероятнее всего она устарела или давно не обновлялась.
Попробуйте открыть сайт atvstyle.ru с одного из поддерживаемых браузеров:
Google
Chrome
Safari
Mozilla
Firefox
Microsoft
Edge
Opera
Yandex
Browser

Ваша корзина
Ваша корзина пуста
Перейти в каталог
Личный кабинет +7 903 799 1446 +7 985 444 5566
модель 2015 года
  • Модель ULTRA 310X
  • Схема Electrical Equipment для JET SKI ULTRA 310X (JT1500PFF)

  • Код модели JET SKI ULTRA 310X (JT1500PFF)
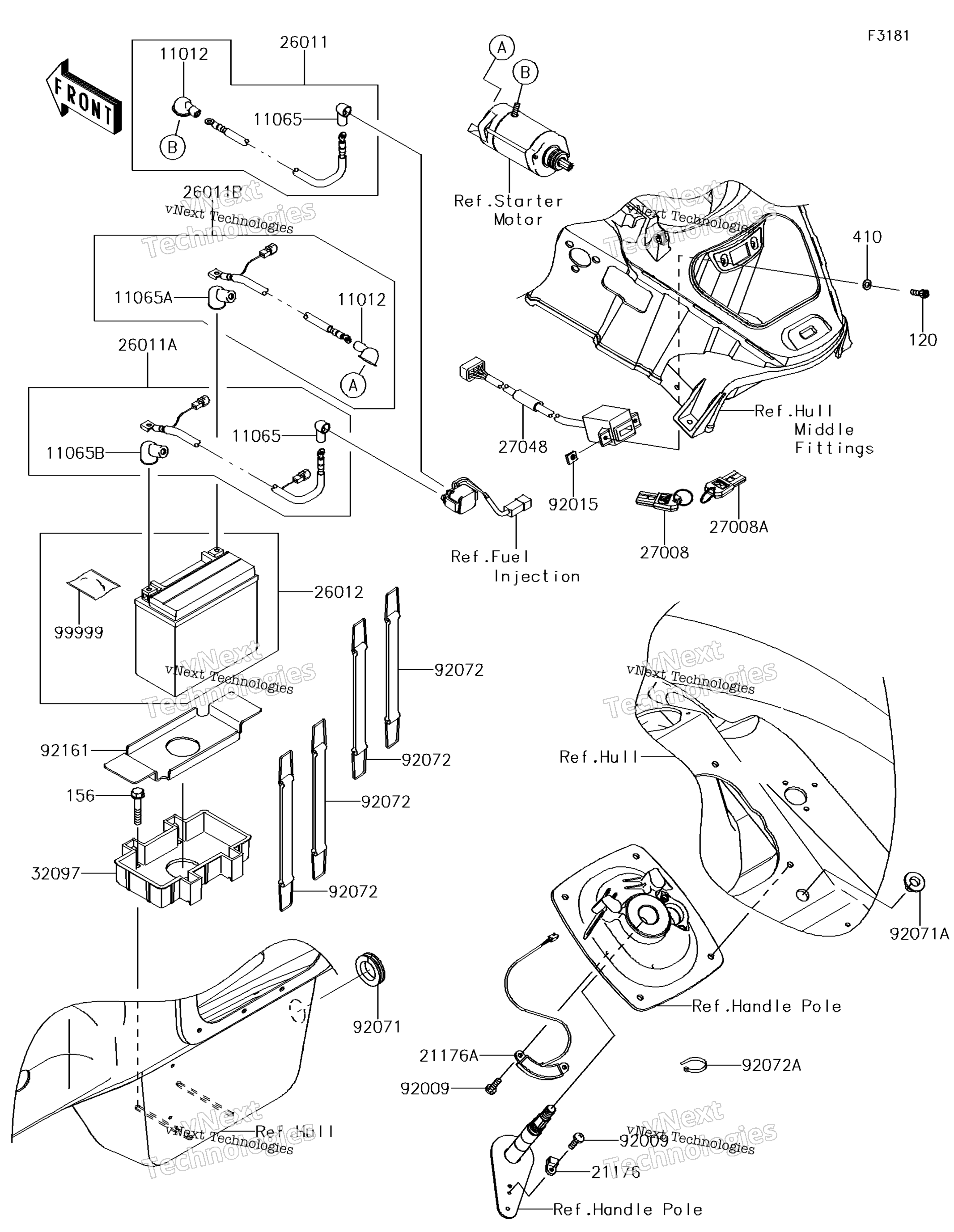
Схема
Детали
Electrical Equipment
Номер
Наименование детали
Цена
120
BOLT-SOCKET,5X16 art. 120R0516
По запросу
156
BOLT-WP,6X35 art. 156R0635
По запросу
410
W-PLAIN-S,5MM art. 410S0500
По запросу
11012
CAP art. 11012-3004
По запросу
11065
CAP art. 11065-3716
По запросу
11065
CAP,TERMINAL art. 11065-3732
По запросу
11065
CAP,TERMINAL art. 11065-3729
По запросу
21176
SENSOR,HOLE IC art. 21176-3748
По запросу
21176
SENSOR,MAGNET art. 21176-3746
По запросу
26011
WIRE-LEAD,BATTERY(-) art. 26011-0835
По запросу
26011
WIRE-LEAD,BATTERY(+) art. 26011-0834
По запросу
26011
WIRE-LEAD,RELAY-STARTER art. 26011-0723
По запросу
26012
BATTERY,YTX20L-BS,12V 18AH art. 26012-0787
По запросу
27008
SLO MODE KEY art. 27008-3768
По запросу
27008
FPO MODE KEY art. 27008-0566
По запросу
27048
SWITCH-ASSY art. 27048-0056
По запросу
32097
CASE-BATTERY art. 32097-3709
По запросу
92009
SCREW,5X16 art. 92009-3868
По запросу
92015
NUT,CLIP,5MM art. 92015-3830
По запросу
92071
GROMMET art. 92071-3826
По запросу
92071
GROMMET,31.5X50X11 art. 92071-0737
По запросу
92072
BAND,L=100.08 art. 92072-3882
По запросу
92072
BAND,340X22 art. 92072-3805
По запросу
92161
DAMPER,BATTERY CASE art. 92161-1388
По запросу
99999
BOLT NUT KIT art. 99999-0311
По запросу
Нужна консультация
Мы ответим вам на этот номер
Или укажите свою почту - и мы ответим на нее
Добавлено в корзину
Вы только что добавили в корзину:
Перейти в корзину
Вход в интернет магазин
Войти
Зарегистрироваться
Номер телефона необходим для оформления заказа
Восстановить пароль
Укажите ваш email адрес или логин и мы вышлем ссылку для восстановления пароля.