Упс, к сожалению, версия вашего браузера несовместима с сайтом. Вероятнее всего она устарела или давно не обновлялась.
Попробуйте открыть сайт atvstyle.ru с одного из поддерживаемых браузеров:
Google
Chrome
Safari
Mozilla
Firefox
Microsoft
Edge
Opera
Yandex
Browser

Ваша корзина
Ваша корзина пуста
Перейти в каталог
Личный кабинет +7 903 799 1446 +7 985 444 5566
модель 2018 года
  • Модель ULTRA 310X
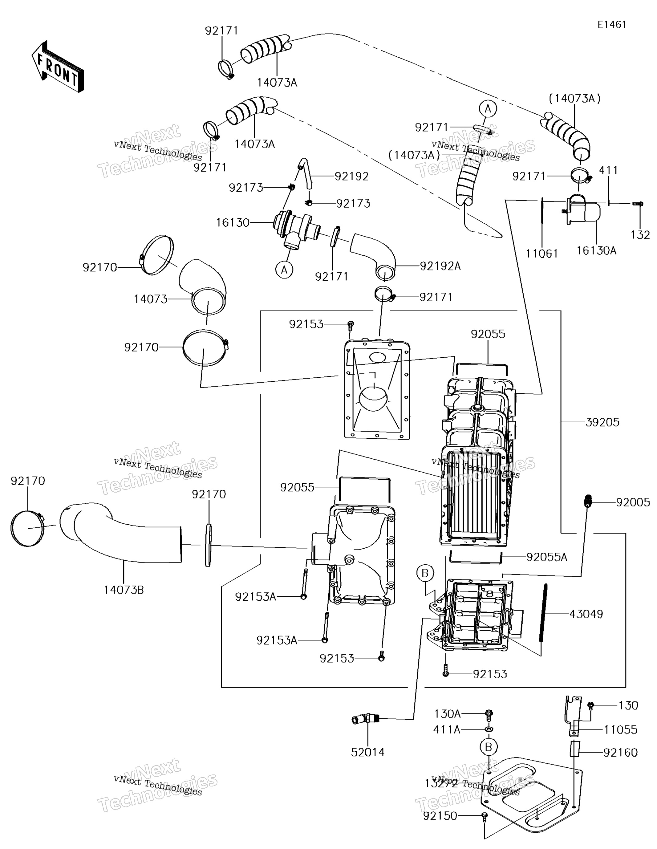
  • Схема Inter Cooler для JET SKI ULTRA 310X (JT1500LJF)

  • Код модели JET SKI ULTRA 310X (JT1500LJF)
Схема
Детали
Inter Cooler
Номер
Наименование детали
Цена
130
BOLT-FLANGED,8X20 art. 130CD0820
По запросу
130
BOLT-FLANGED,6X12 art. 130CD0612
По запросу
132
BOLT-FLANGED-SMALL,6X18 art. 132BC0618
По запросу
411
WASHER-PLAIN,8MM art. 411S0800
По запросу
411
WASHER-PLAIN,6MM art. 411S0600
По запросу
11055
BRACKET art. 11055-3714
По запросу
11061
GASKET art. 11061-1504
По запросу
13272
PLATE art. 13272-3721
По запросу
14073
DUCT,S/C-I/C art. 14073-1876
По запросу
14073
DUCT,BYPASS VALVE-A/C art. 14073-3834
По запросу
14073
DUCT,I/C-TH. art. 14073-3823
По запросу
16130
VALVE-ASSY-RELIEF,BLOW OFF art. 16130-3707
По запросу
16130
VALVE-ASSY-RELIEF,AIR BYPASS art. 16130-3703
По запросу
39205
HEAT EXCHANGER,INTER COOLER art. 39205-3702
По запросу
43049
PACKING art. 43049-3719
По запросу
52014
ELBOW art. 52014-3714
По запросу
92005
FITTING art. 92005-3714
По запросу
92055
RING-O art. 92055-3780
По запросу
92055
RING-O art. 92055-3779
По запросу
92150
BOLT,6X18 art. 92150-3729
По запросу
92153
BOLT,FLANGED,6X110 art. 92153-3751
По запросу
92153
BOLT,FLANGED,6X25 art. 92153-3750
По запросу
92160
DAMPER art. 92160-1075
По запросу
92170
CLAMP art. 92170-3764
По запросу
92171
CLAMP art. 92171-3725
По запросу
92173
CLAMP art. 92173-1038
По запросу
92192
TUBE,I/C-ABV art. 92192-3784
По запросу
92192
TUBE,5.8X10.8X140 art. 92192-1512
По запросу
Нужна консультация
Мы ответим вам на этот номер
Или укажите свою почту - и мы ответим на нее
Добавлено в корзину
Вы только что добавили в корзину:
Перейти в корзину
Вход в интернет магазин
Войти
Зарегистрироваться
Номер телефона необходим для оформления заказа
Восстановить пароль
Укажите ваш email адрес или логин и мы вышлем ссылку для восстановления пароля.