Упс, к сожалению, версия вашего браузера несовместима с сайтом. Вероятнее всего она устарела или давно не обновлялась.
Попробуйте открыть сайт atvstyle.ru с одного из поддерживаемых браузеров:
Google
Chrome
Safari
Mozilla
Firefox
Microsoft
Edge
Opera
Yandex
Browser

Ваша корзина
Ваша корзина пуста
Перейти в каталог
Личный кабинет +7 903 799 1446 +7 985 444 5566
модель 2024 года
  • Модель SX-R
  • Схема Throttle для SX-R (JS1500ARFNN)

  • Код модели SX-R (JS1500ARFNN)
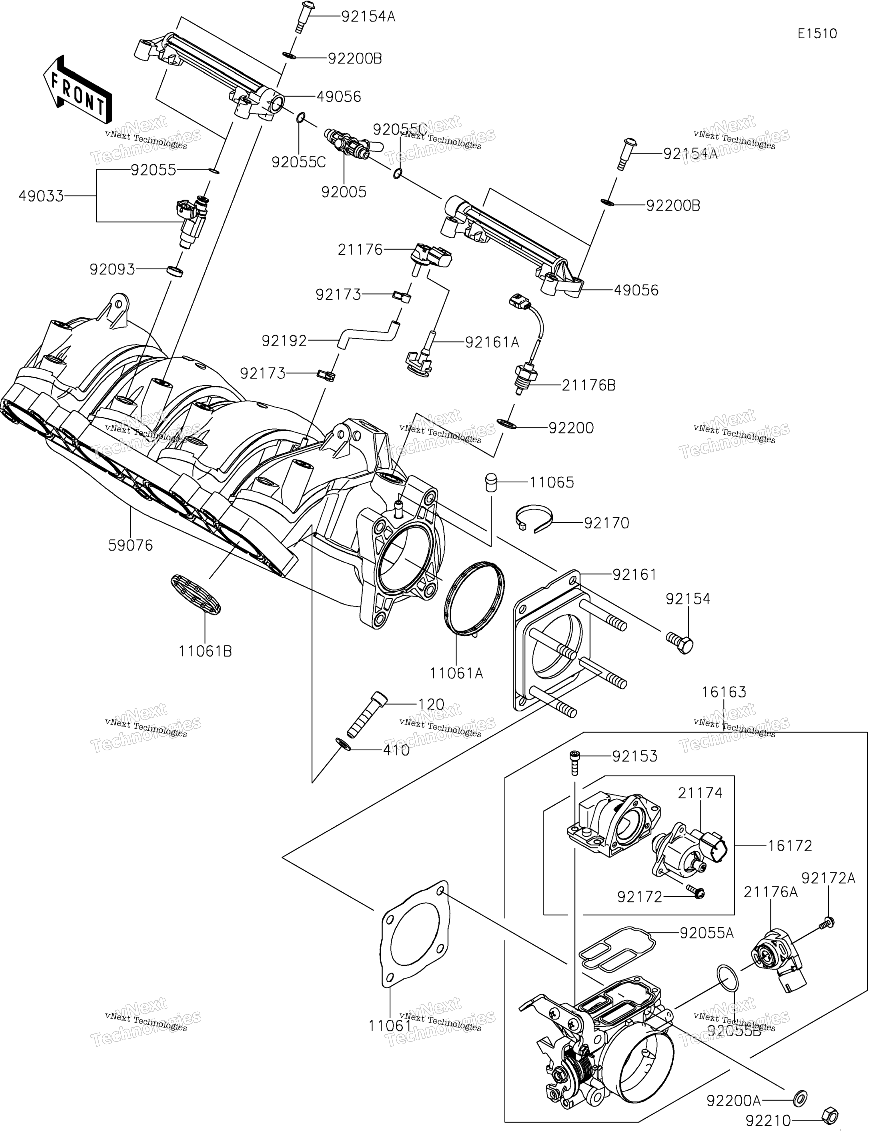
Схема
Детали
Throttle
Номер
Наименование детали
Цена
120
BOLT-SOCKET,8X40 art. 120CC0840
По запросу
410
WASHER-PLAIN-SMALL,8MM art. 410S0800
По запросу
11061
GASKET,THROTTLE art. 11061-3767
По запросу
11061
GASKET,THROTTLE art. 11061-0824
По запросу
11061
GASKET,MANIFOLD art. 11061-3766
По запросу
11065
CAP art. 11065-0764
По запросу
16163
THROTTLE-ASSY art. 16163-0919
По запросу
16172
ACTUATOR art. 16172-0561
По запросу
21174
MOTOR-ELECTRIC,STM art. 21174-0555
По запросу
21176
Датчик температуры воздуха Kawasaki art. 21176-3767
от 20 720 ₽
OEM
20 720 ₽
Требуется 1 шт.
21176
SENSOR,PRESSURE art. 21176-0906
По запросу
21176
SENSOR,TPS art. 21176-3762
По запросу
49033
NOZZLE-INJECTION art. 49033-3707
По запросу
49056
PIPE-INJECTION,FUEL art. 49056-3705
По запросу
59076
MANIFOLD-INTAKE art. 59076-0006
По запросу
92005
FITTING,FUEL PIPE art. 92005-3766
По запросу
92055
Прокладка резиновая Kawasaki art. 92055-3773
от 1 620 ₽
OEM
1 620 ₽
Требуется 1 шт.
92055
RING-O art. 92055-3774
По запросу
92055
RING-O art. 92055-3782
По запросу
92055
RING-O,INJECTION NOZZLE art. 92055-1622
По запросу
92093
SEAL art. 92093-0127
По запросу
92153
BOLT art. 92153-3723
По запросу
92154
BOLT art. 92154-3713
По запросу
92154
BOLT art. 92154-1389
По запросу
92161
DAMPER art. 92161-3796
По запросу
92161
DAMPER art. 92161-1942
По запросу
92170
CLAMP art. 92170-3749
По запросу
92172
SCREW art. 92172-3711
По запросу
92172
SCREW art. 92172-3710
По запросу
92173
CLAMP art. 92173-3702
По запросу
92192
TUBE art. 92192-1361
По запросу
92200
WASHER art. 92200-3807
По запросу
92200
WASHER art. 92200-3806
По запросу
92200
WASHER,12X18X1 art. 92200-0712
По запросу
92210
NUT art. 92210-0897
По запросу
Нужна консультация
Мы ответим вам на этот номер
Или укажите свою почту - и мы ответим на нее
Добавлено в корзину
Вы только что добавили в корзину:
Перейти в корзину
Вход в интернет магазин
Войти
Зарегистрироваться
Номер телефона необходим для оформления заказа
Восстановить пароль
Укажите ваш email адрес или логин и мы вышлем ссылку для восстановления пароля.