Упс, к сожалению, версия вашего браузера несовместима с сайтом. Вероятнее всего она устарела или давно не обновлялась.
Попробуйте открыть сайт atvstyle.ru с одного из поддерживаемых браузеров:
Google
Chrome
Safari
Mozilla
Firefox
Microsoft
Edge
Opera
Yandex
Browser

Ваша корзина
Ваша корзина пуста
Перейти в каталог
Личный кабинет +7 903 799 1446 +7 985 444 5566
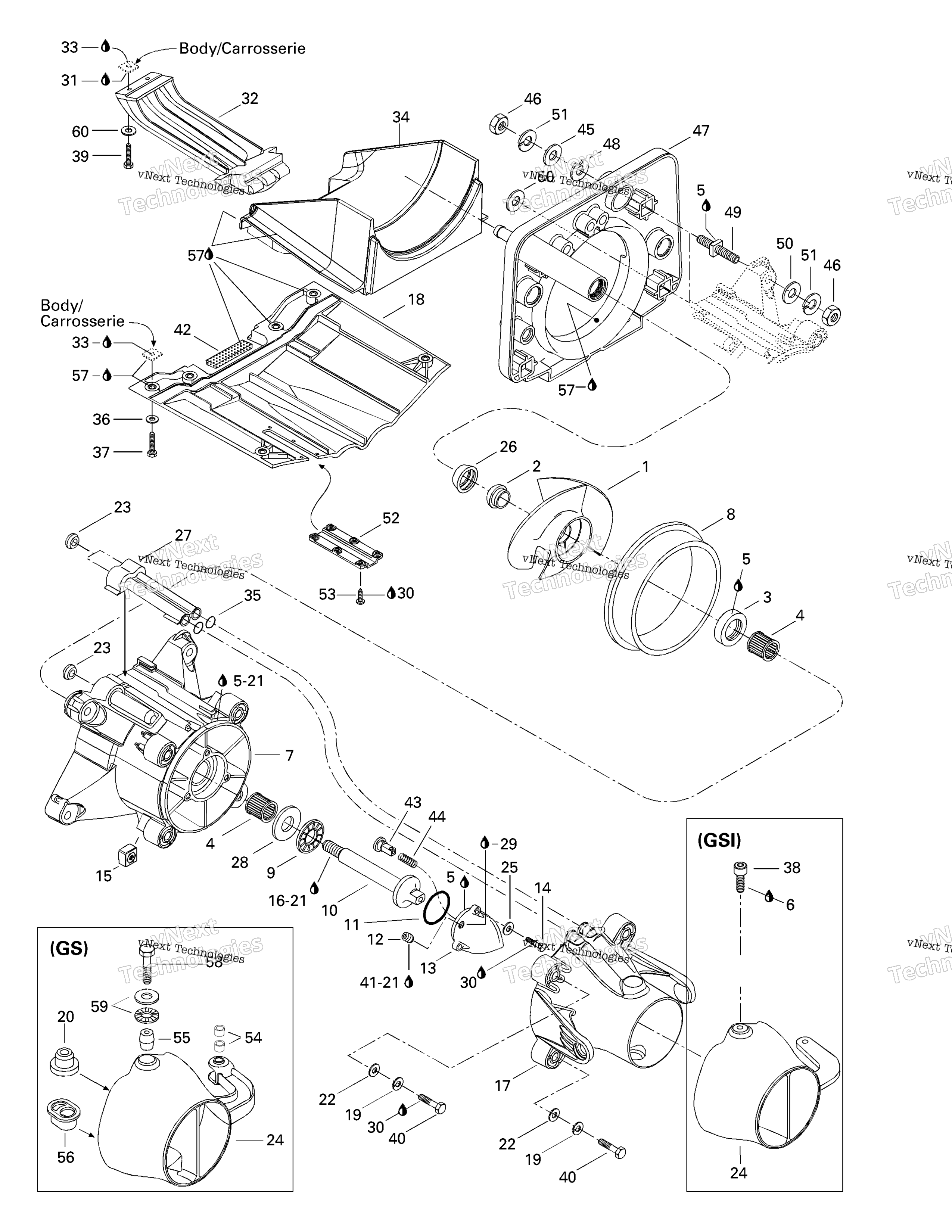
модель 1997 года
  • Модель GS
  • Схема Propulsion System для GS,5621/GSI, 5622

  • Код модели GS,5621/GSI, 5622
Схема
Детали
Propulsion System
Номер
Наименование детали
Цена
0
pump Support GSI 5622. art. 271000594
По запросу
0
Venturi Ass’y GSI 5622. art. 271000446
По запросу
0
Сопло поворотное Sea Doo art. 271000746
от 22 020 ₽
OEM
22 020 ₽
Требуется 1 шт.
1
Impeller Assy art. 271000497
По запросу
2
Пыльник импеллера BRP art. 271000516
По запросу
3
Сальник Sea Doo art. 267000094
от 2 920 ₽
OEM
2 920 ₽
Требуется 1 шт.
4
Подшипник вала импеллера Sea Doo art. 293350017
По запросу
5
Était/Was 293800038 Loctite 518, 50 ml art. 219704456
По запросу
6
Lubrifiant - Deoxit, 250 ml art. 293800060
По запросу
7
IMPELLER HOUSING ASS’Y (Including 3,4 ) art. 295500429
По запросу
8
Кольцо импеллера Sea Doo art. 271000290
По запросу
9
Подшипник упорный Sea Doo art. 293350019
По запросу
10
Вал импеллера Sea Doo art. 271000291
По запросу
11
Кольцо Sea Doo art. 293300011
от 1 130 ₽
OEM
Кольцо Sea Doo
art. 293300011
1 130 ₽
Требуется 1 шт.
12
Pipe Plug Socket Head 1/8-27 Npt art. 211500001
По запросу
13
IMPELLER COVER art. 271000670
По запросу
14
Болт Can Am art. 207152060
от 350 ₽
OEM
Болт Can Am
art. 207152060
350 ₽
Требуется 3 шт.
15
Гайка водомета Sea Doo art. 211100033
от 1 710 ₽
OEM
1 710 ₽
Требуется 4 шт.
16
Loctite 271, 10 ml art. 293800005
По запросу
17
Venturi Ass’y GS 5621. art. 271000428
По запросу
18
Riding Plate (Black) art. 271000735
По запросу
19
Шайба art. 234181601
от 110 ₽
OEM
Шайба
art. 234181601
110 ₽
Требуется 4 шт.
20
Втулка пластиковая Sea Doo art. 293900001
от 750 ₽
21
Was 293800041 Loctite Primer 7649 art. 219704458
По запросу
22
Шайба Sea Doo art. 234082600
от 310 ₽
OEM
Шайба Sea Doo
art. 234082600
310 ₽
Требуется 4 шт.
23
Кольцо уплотнительное Sea Doo (снято с производства ) art. 293300040
от 210 ₽
24
Steering Nozzle Ass’y GS 5621. art. 271000634
По запросу
25
Шайба BRP art. 234051600
от 160 ₽
OEM
Шайба BRP
art. 234051600
160 ₽
Требуется 3 шт.
26
Кольцо уплотнительное импеллера Sea Doo art. 271000517
от 940 ₽
OEM
940 ₽
Требуется 1 шт.
27
WATER OUTLET art. 271000366
По запросу
28
Шайба Sea Doo art. 293350020
от 1 180 ₽
OEM
Шайба Sea Doo
art. 293350020
1 180 ₽
Требуется 1 шт.
29
Redline Pump Oil, 75W90, 12 x 6 oz art. 779221
По запросу
30
Lubrifiant - Deoxit, 250 ml art. 293800060
По запросу
31
Sealant, <>-"U" Black, 300ml art. 219701421
По запросу
32
Inlet Grate art. 271000573
По запросу
33
Silicone Sealant 51388, 300 ml art. 296000309
По запросу
34
Shoe (Black) art. 271000592
По запросу
35
Прокладка BRP art. 293300013
от 650 ₽
OEM
650 ₽
Требуется 2 шт.
36
Шайба 8 мм Can Am art. 234081600
от 160 ₽
OEM
160 ₽
Требуется 6 шт.
37
Болт М8 х 30 Can Am art. 207183060
от 160 ₽
OEM
210 ₽
Требуется 6 шт.
Аналог
Болт BRP б.у
art. 207183060_б.у
160 ₽
Требуется 6 шт.
38
Socket Head Screw M8 x 10 GSI 5622. art. 211000089
По запросу
39
Болт M6 X 25 BRP art. 207162560
По запросу
40
Hex. Screw M8 x 60 art. 207086060
По запросу
41
Was 293800018 Loctite 592, 50 ml art. 219704455
По запросу
42
Neoprene Seal (1PAC=3M) art. 219704364
По запросу
43
Pusher art. 271000703
По запросу
44
Пружина плунжера Sea Doo art. 271000704
от 940 ₽
OEM
940 ₽
Требуется 1 шт.
45
Шайба Can Am art. 234002600
от 310 ₽
OEM
Шайба Can Am
art. 234002600
310 ₽
Требуется 2 шт.
46
Гайка Sea Doo art. 232001600
от 310 ₽
OEM
Гайка Sea Doo
art. 232001600
310 ₽
47
pump Support GS 5621. art. 271000737
По запросу
48
Shim, 0.3 mm art. 272000053
По запросу
49
Шпилька Sea Doo art. 250300022
от 1 760 ₽
OEM
1 760 ₽
Требуется 4 шт.
50
Шайба BRP art. 234001600
По запросу
51
Контр-шайба Can Am art. 234101601
от 160 ₽
OEM
160 ₽
Требуется 8 шт.
52
Ride Shoe Cap art. 291000446
По запросу
53
SCREW-CTSK.OV.HD.PH.DIN.966A-A2 art. 216351060
По запросу
54
Spacer GS 5621. art. 271000659
По запросу
55
Гильца BRP art. 271001816
По запросу
56
Втулка пластиковая Sea Doo art. 293900010
от 840 ₽
57
Sealant U-Black, 300 ml art. 219701421
По запросу
58
SCREW-SPECIAL M8 GS 5621. art. 211000047
По запросу
59
Thrust Washer GS 5621. art. 211200002
По запросу
60
Шайба BRP DIN.125A-A2 М6 art. 234061600
от 110 ₽
OEM
110 ₽
Требуется 2 шт.
Нужна консультация
Мы ответим вам на этот номер
Или укажите свою почту - и мы ответим на нее
Добавлено в корзину
Вы только что добавили в корзину:
Перейти в корзину
Вход в интернет магазин
Войти
Зарегистрироваться
Номер телефона необходим для оформления заказа
Восстановить пароль
Укажите ваш email адрес или логин и мы вышлем ссылку для восстановления пароля.