Упс, к сожалению, версия вашего браузера несовместима с сайтом. Вероятнее всего она устарела или давно не обновлялась.
Попробуйте открыть сайт atvstyle.ru с одного из поддерживаемых браузеров:
Google
Chrome
Safari
Mozilla
Firefox
Microsoft
Edge
Opera
Yandex
Browser

Ваша корзина
Ваша корзина пуста
Перейти в каталог
Личный кабинет +7 903 799 1446 +7 985 444 5566
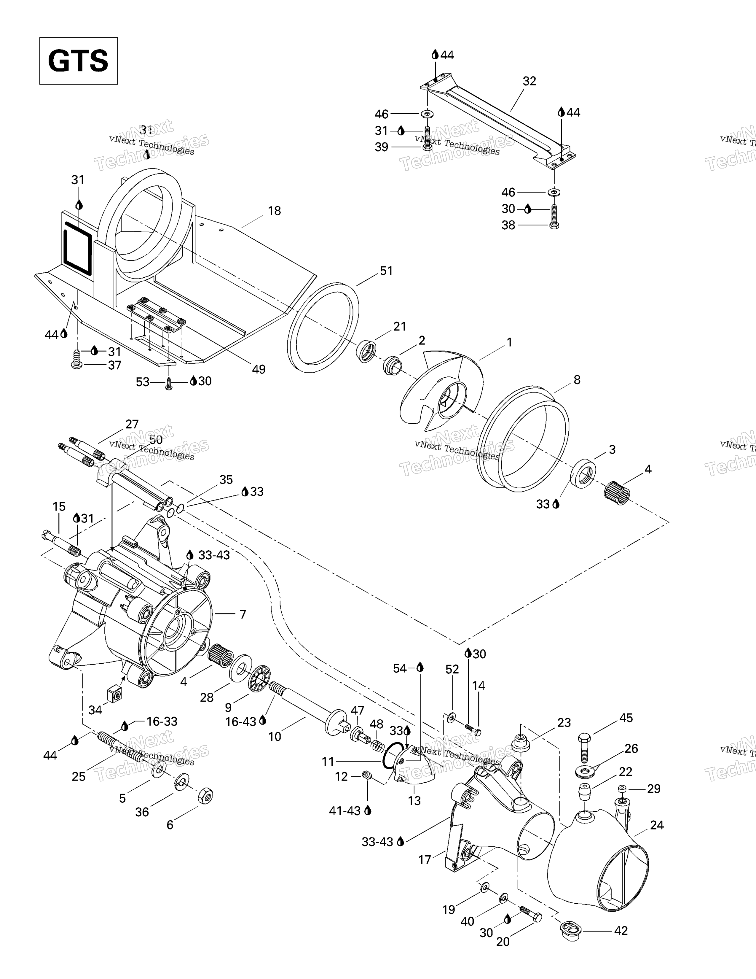
модель 1997 года
  • Модель GTI
  • Схема Propulsion System (Gts) для GTI, 5641

  • Код модели GTI, 5641
Схема
Детали
Propulsion System (Gts)
Номер
Наименование детали
Цена
1
Stainless Steel Impeller Ass’y GTS 5818. art. 271000470
По запросу
2
Пыльник импеллера BRP art. 271000516
По запросу
3
Сальник Sea Doo art. 267000094
от 2 920 ₽
OEM
2 920 ₽
Требуется 1 шт.
4
Подшипник вала импеллера Sea Doo art. 293350017
По запросу
5
Шайба BRP art. 234001600
По запросу
6
Гайка Sea Doo art. 232001600
от 310 ₽
OEM
Гайка Sea Doo
art. 232001600
310 ₽
7
IMPELLER HOUSING ASS’Y GTS 5818. art. 295500429
По запросу
8
Кольцо импеллера Sea Doo art. 271000290
По запросу
9
Подшипник упорный Sea Doo art. 293350019
По запросу
10
Вал импеллера Sea Doo art. 271000291
По запросу
11
Кольцо Sea Doo art. 293300011
от 1 130 ₽
OEM
Кольцо Sea Doo
art. 293300011
1 130 ₽
Требуется 1 шт.
12
Pipe Plug Socket Head 1/8-27 Npt GTS 5818. art. 211500001
По запросу
13
IMPELLER COVER GTS 5818. art. 271000670
По запросу
14
Болт Can Am art. 207152060
от 350 ₽
OEM
Болт Can Am
art. 207152060
350 ₽
Требуется 3 шт.
15
Cтопорное кольцо BRP (снято с производства) art. 293700019
от 650 ₽
OEM
650 ₽
Требуется 1 шт.
16
Loctite 271, 10 ml GTS 5818. art. 293800005
По запросу
17
VENTURI ASS’Y GTS 5818. art. 271000510
По запросу
18
Shoe (Black) GTS 5818. art. 271000186190
По запросу
19
Шайба Sea Doo art. 234082600
от 310 ₽
OEM
Шайба Sea Doo
art. 234082600
310 ₽
Требуется 4 шт.
20
Hex. Screw M8 x 60 GTS 5818. art. 207086060
По запросу
21
Кольцо уплотнительное импеллера Sea Doo art. 271000517
от 940 ₽
OEM
940 ₽
Требуется 1 шт.
22
Гильца BRP art. 271001816
По запросу
23
Втулка пластиковая Sea Doo art. 293900001
от 750 ₽
24
STEERING NOZZLE ASS’Y GTS 5818. art. 271000418
По запросу
25
STUD-M10 GTS 5818. art. 211300015
По запросу
26
Thrust Washer GTS 5818. art. 211200002
По запросу
27
BAILER FITTING GTS 5818. art. 293700017
По запросу
28
Шайба Sea Doo art. 293350020
от 1 180 ₽
OEM
Шайба Sea Doo
art. 293350020
1 180 ₽
Требуется 1 шт.
29
Spacer GTS 5818. art. 271000659
По запросу
30
Lubrifiant - Deoxit, 250 ml GTS 5818. art. 293800060
По запросу
31
Sealant, <>-"U" Black, 300ml GTS 5818. art. 219701421
По запросу
32
INLET GRATE GTS 5818. art. 271000466
По запросу
33
Était/Was 293800038 Loctite 518, 50 ml GTS 5818. art. 219704456
По запросу
34
Гайка водомета Sea Doo art. 211100033
от 1 710 ₽
OEM
1 710 ₽
Требуется 4 шт.
35
Прокладка BRP art. 293300013
от 650 ₽
OEM
650 ₽
Требуется 2 шт.
36
Контр-шайба Can Am art. 234101601
от 160 ₽
OEM
160 ₽
Требуется 4 шт.
37
Countersunk Phillips Screw M6 x 25 GTS 5818. art. 208562560
По запросу
38
Болт Sea Doo art. 207161660
от 250 ₽
OEM
Болт Sea Doo
art. 207161660
250 ₽
Требуется 2 шт.
39
Болт BRP art. 207162060
По запросу
40
Шайба art. 234181601
от 110 ₽
OEM
Шайба
art. 234181601
110 ₽
Требуется 4 шт.
41
Was 293800018 Loctite 592, 50 ml GTI 5641. art. 219704455
По запросу
42
Втулка пластиковая Sea Doo art. 293900010
от 840 ₽
43
Was 293800041 Loctite Primer 7649 GTS 5818. art. 219704458
По запросу
44
Silicone Sealant 51388, 300 ml GTS 5818. art. 296000309
По запросу
45
SCREW-SPECIAL M8 GTS 5818. art. 211000047
По запросу
46
Шайба BRP DIN.125A-A2 М6 art. 234061600
от 110 ₽
OEM
110 ₽
Требуется 4 шт.
47
Pusher GTS 5818. art. 271000703
По запросу
48
Пружина плунжера Sea Doo art. 271000704
от 940 ₽
OEM
940 ₽
Требуется 1 шт.
49
Ride Shoe Cap GTS 5818. art. 291000446
По запросу
50
WATER OUTLET GTS 5818. art. 271000366
По запросу
51
SEAL NEOPRENE GTS 5818. art. 293200024
По запросу
52
Шайба BRP art. 234051600
от 160 ₽
OEM
Шайба BRP
art. 234051600
160 ₽
Требуется 3 шт.
53
SCREW-CTSK.OV.HD.PH.DIN.966A-A2 GTS 5818. art. 216351060
По запросу
54
Redline Pump Oil, 75W90, 12 x 6 oz GTS 5818. art. 779221
По запросу
Нужна консультация
Мы ответим вам на этот номер
Или укажите свою почту - и мы ответим на нее
Добавлено в корзину
Вы только что добавили в корзину:
Перейти в корзину
Вход в интернет магазин
Войти
Зарегистрироваться
Номер телефона необходим для оформления заказа
Восстановить пароль
Укажите ваш email адрес или логин и мы вышлем ссылку для восстановления пароля.