Упс, к сожалению, версия вашего браузера несовместима с сайтом. Вероятнее всего она устарела или давно не обновлялась.
Попробуйте открыть сайт atvstyle.ru с одного из поддерживаемых браузеров:
Google
Chrome
Safari
Mozilla
Firefox
Microsoft
Edge
Opera
Yandex
Browser

Ваша корзина
Ваша корзина пуста
Перейти в каталог
Личный кабинет +7 903 799 1446 +7 985 444 5566
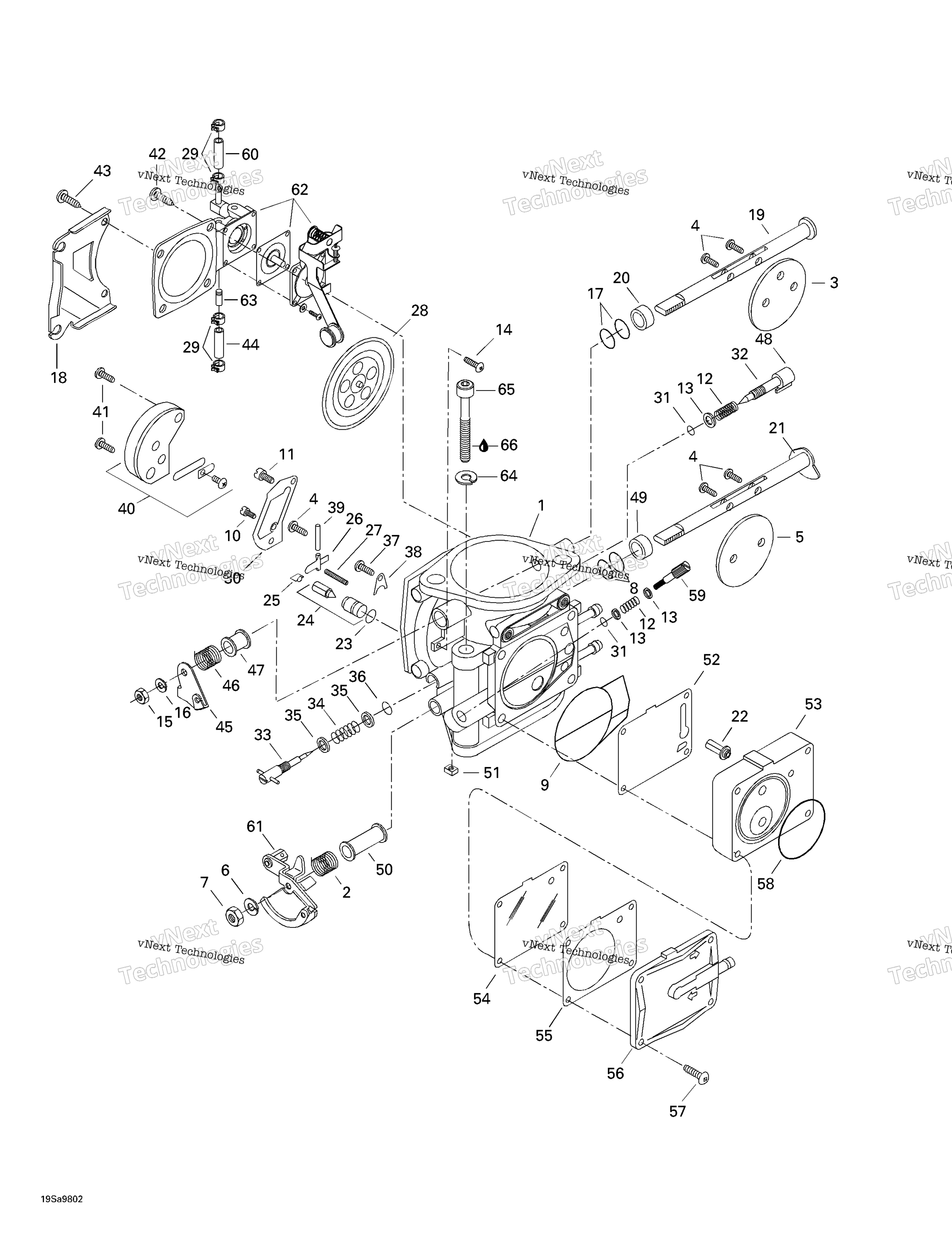
модель 1998 года
  • Модель GS
  • Схема Carburetor (Single, Mikuni) для GS, 5626/5844

  • Код модели GS, 5626/5844
Схема
Детали
Carburetor (Single, Mikuni)
Номер
Наименование детали
Цена
1
Carburetor BN40-38-24 Includes 1 - 63. art. 270500328
По запросу
2
Spring art. 270500191
По запросу
3
Not Available As Spare Part - Choke Valve art. XXXX
По запросу
4
SCREW art. 270500156
По запросу
5
Not Available As Spare Part - Throttle Valve art. XXXX
По запросу
6
SPRING WASHER art. 270500011
По запросу
7
Nut art. 270500012
По запросу
8
Sealing Ring art. 270500222
По запросу
9
Прокладка карбюратора Sea Doo art. 270500104
По запросу
10
Pilot Jet 70 art. 270500175
По запросу
11
Main Jet 167.5 art. 270500392
По запросу
12
SPRING art. 270500091
По запросу
13
Washer art. 270500136
По запросу
14
Screw art. 270500228
По запросу
15
NUT art. 270500229
По запросу
16
Spring Washer art. 270500230
По запросу
17
SEALING RING art. 270500234
По запросу
18
Support art. 270500315
По запросу
19
Not Available As Spare Part - Choke Shaft Ass’y art. XXXX
По запросу
20
RING art. 270500239
По запросу
21
Not Available As Spare Part - Throttle Shaft Ass’y art. XXXX
По запросу
22
Топливный фильтр Sea Doo art. 270500115
от 2 100 ₽
OEM
2 100 ₽
Требуется 1 шт.
23
Кольцо резиновое BRP art. 270500127
По запросу
24
Needle Valve 1.5 art. 270500241
По запросу
25
CLIP art. 270500129
По запросу
26
NEEDLE VALVE LEVER art. 270500128
По запросу
27
Пружина карбюратора Sea Doo (снято с производства) art. 270500313
от 1 810 ₽
28
Диафрагма карбюратора Sea Doo art. 270500132
от 5 540 ₽
OEM
5 540 ₽
Требуется 1 шт.
29
Clip art. 293650043
По запросу
30
GASKET art. 270500131
По запросу
31
O-RING art. 270500144
По запросу
32
Adjuster Screw art. 270500113
По запросу
33
IDLE ADJUSTING SCREW art. 270500020
По запросу
34
SPRING art. 270500019
По запросу
35
Washer art. 270500018
По запросу
36
Кольцо резиновое карбюратора BRP art. 270500119
По запросу
37
Screw And Spring Washer art. 270500155
По запросу
38
PLATE art. 270500125
По запросу
39
Pin art. 270500038
По запросу
40
Клапан Sea Doo art. 270500124
от 5 640 ₽
OEM
Клапан Sea Doo
art. 270500124
5 640 ₽
Требуется 1 шт.
41
Винт Sea Doo art. 270500123
от 1 180 ₽
OEM
Винт Sea Doo
art. 270500123
1 180 ₽
Требуется 2 шт.
42
Screw art. 270500322
По запросу
43
SCREW art. 270500238
По запросу
44
Hose 90 mm art. 270500342
По запросу
45
Choke Lever art. 270500316
По запросу
46
SPRING art. 270500248
По запросу
47
Ring art. 270500110
По запросу
48
Cap art. 270500154
По запросу
49
RING art. 270500309
По запросу
50
RING art. 270500192
По запросу
51
Nut art. 270500249
По запросу
52
Прокладка карбюратора Sea Doo art. 270500103
от 1 950 ₽
OEM
1 950 ₽
Требуется 1 шт.
53
Проставка карбюратора Sea Doo (снято с производства) art. 270500105
от 8 980 ₽
54
Диафрагма карбюратора Sea Doo art. 270500106
от 1 620 ₽
55
Gasket art. 270500146
По запросу
56
PUMP COVER art. 270500108
По запросу
57
Винт Sea Doo art. 270500143
от 1 130 ₽
OEM
Винт Sea Doo
art. 270500143
1 130 ₽
Требуется 4 шт.
58
Кольцо резиновое Sea Doo art. 270500102
По запросу
59
Adjuster Screw art. 270500288
По запросу
60
Hose art. 270500342
По запросу
61
Throttle Lever Ass’y art. 270500317
По запросу
62
Diaphragm Cover art. 270500391
По запросу
63
RECHARGE JET art. 270500348
По запросу
64
Lock Washer 8 mm art. 234180602
По запросу
65
Screw Allen M8 x 75 art. 215987560
По запросу
66
Était Was 293800050 Loctite 577, 250 ml art. 219704459
По запросу
Нужна консультация
Мы ответим вам на этот номер
Или укажите свою почту - и мы ответим на нее
Добавлено в корзину
Вы только что добавили в корзину:
Перейти в корзину
Вход в интернет магазин
Войти
Зарегистрироваться
Номер телефона необходим для оформления заказа
Восстановить пароль
Укажите ваш email адрес или логин и мы вышлем ссылку для восстановления пароля.