Упс, к сожалению, версия вашего браузера несовместима с сайтом. Вероятнее всего она устарела или давно не обновлялась.
Попробуйте открыть сайт atvstyle.ru с одного из поддерживаемых браузеров:
Google
Chrome
Safari
Mozilla
Firefox
Microsoft
Edge
Opera
Yandex
Browser

Ваша корзина
Ваша корзина пуста
Перейти в каталог
Личный кабинет +7 903 799 1446 +7 985 444 5566
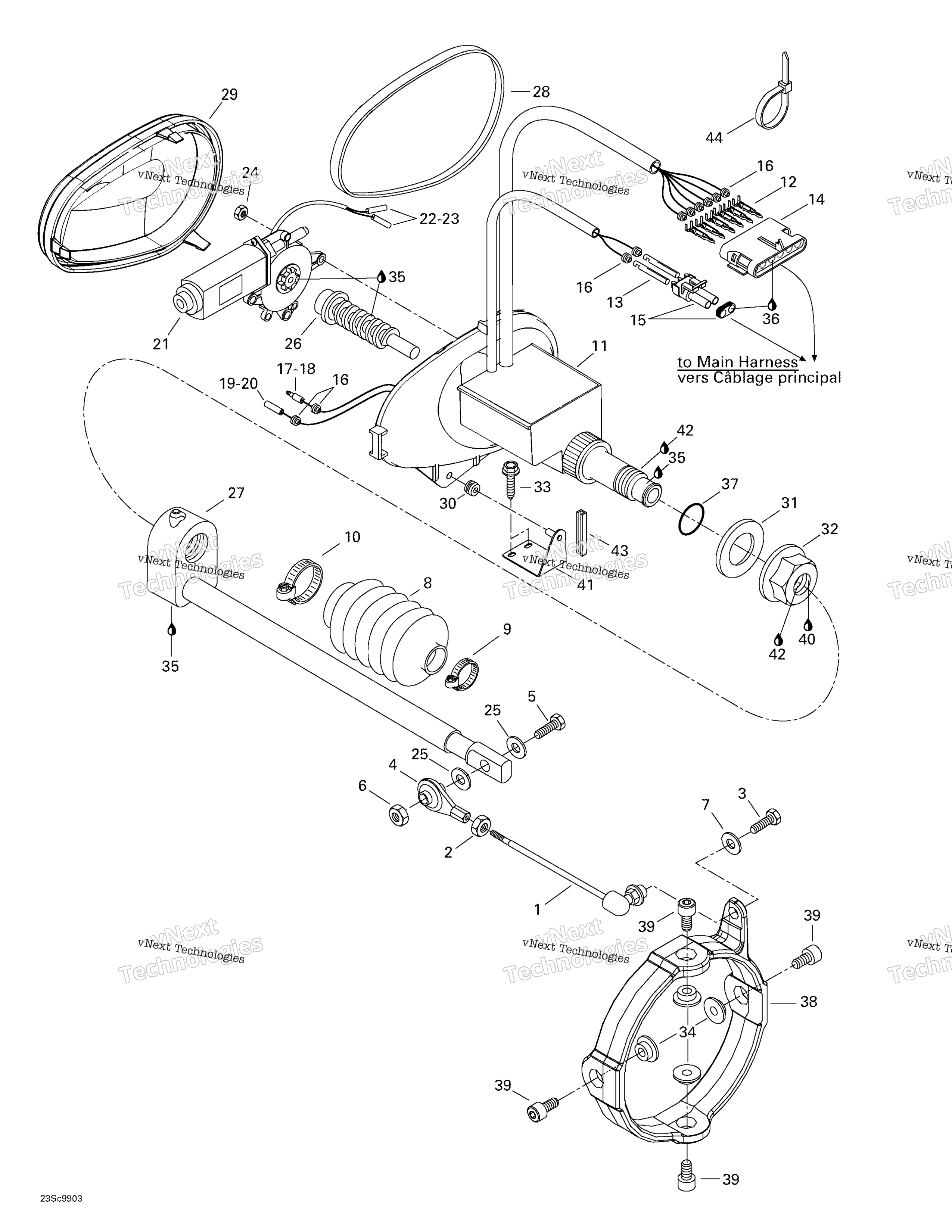
модель 1999 года
  • Модель XP
  • Схема Trim для XP Limited, 5868/5869

  • Код модели XP Limited, 5868/5869
Схема
Детали
Trim
Номер
Наименование детали
Цена
1
Moulding Rod art. 271000758
По запросу
2
Гайка BRP art. 212100005
По запросу
3
Болт BRP art. 243041660
По запросу
4
BALL JOINT art. 277000153
По запросу
5
Болт BRP art. 207063560
По запросу
6
Гайка Can Am art. 232561600
от 250 ₽
OEM
Гайка Can Am
art. 232561600
250 ₽
Требуется 1 шт.
7
Шайба BRP art. 234052600
от 160 ₽
OEM
Шайба BRP
art. 234052600
160 ₽
Требуется 1 шт.
8
Protector Hose art. 271000459
По запросу
9
Clamp art. 293650082
По запросу
10
CLAMP art. 293650083
По запросу
11
V.T.S Housing Ass’y Includes 11 - 30. art. 278001293
По запросу
11
Модуль VTS BRP art. 278001605
По запросу
12
Разьем art. 278000222
от 400 ₽
OEM
Разьем
art. 278000222
400 ₽
Требуется 6 шт.
13
Электрическая клемма "мама" BRP art. 278000223
от 450 ₽
OEM
450 ₽
Требуется 2 шт.
14
FEMALE CONNECTOR, 6 CIRCUITS art. 278000156
По запросу
15
Разъем для подключения аксессуаров BRP art. 278000220
По запросу
16
Диэлектрический колпачок BRP art. 278000218
По запросу
17
Male Terminal art. 278000230
По запросу
18
Чехол клеммы проводки Sea Doo art. 278001008
По запросу
19
Электрическая клемма "мама" BRP art. 278001009
По запросу
20
Insulated Sheath art. 278001007
По запросу
21
Сервомотор BRP art. 278002579
По запросу
22
Insulation Sheath art. 278000231
По запросу
23
Male Terminal art. 278000230
По запросу
24
Гайка Can Am art. 232561600
от 250 ₽
OEM
Гайка Can Am
art. 232561600
250 ₽
Требуется 4 шт.
25
Шайба BRP DIN.125A-A2 М6 art. 234061600
от 110 ₽
OEM
110 ₽
Требуется 2 шт.
26
Шкив BRP art. 278000428
По запросу
27
Sliding Block art. 278001698
По запросу
28
Прокладка BRP art. 293200027
По запросу
29
V.T.S. COVER art. 278000595
По запросу
30
GROMMET art. 293720015
По запросу
31
SEAL WASHER art. 293830027
По запросу
32
SPECIAL NUT M27 art. 211100020
По запросу
33
Болт BRP art. 243041660
По запросу
34
Втулка трима BRP art. 293900007
По запросу
35
Смазка синтетическая для водомета Sea Doo art. 293550010
от 3 400 ₽
36
Was 293550004 Dielectric Grease, 150 g art. 219704453
По запросу
37
Уплотнительное кольцо BRP art. 293300044
По запросу
38
Trimming Ring art. 266000013
По запросу
39
Socket Head Screw M8 X 10, Scotch Grip art. 211000127
По запросу
40
Lubrifiant - Deoxit, 250 ml art. 293800060
По запросу
41
V.T.S. SUPPORT ASSY art. 292000250
По запросу
42
Was 293800041 Loctite Primer 7649 art. 219704458
По запросу
43
Was 271000110 Protection Trim art. 219704353
По запросу
44
Хомут 350 мм BRP art. 293750008
от 110 ₽
OEM
110 ₽
Требуется 1 шт.
Нужна консультация
Мы ответим вам на этот номер
Или укажите свою почту - и мы ответим на нее
Добавлено в корзину
Вы только что добавили в корзину:
Перейти в корзину
Вход в интернет магазин
Войти
Зарегистрироваться
Номер телефона необходим для оформления заказа
Восстановить пароль
Укажите ваш email адрес или логин и мы вышлем ссылку для восстановления пароля.