Упс, к сожалению, версия вашего браузера несовместима с сайтом. Вероятнее всего она устарела или давно не обновлялась.
Попробуйте открыть сайт atvstyle.ru с одного из поддерживаемых браузеров:
Google
Chrome
Safari
Mozilla
Firefox
Microsoft
Edge
Opera
Yandex
Browser

Ваша корзина
Ваша корзина пуста
Перейти в каталог
Личный кабинет +7 903 799 1446 +7 985 444 5566
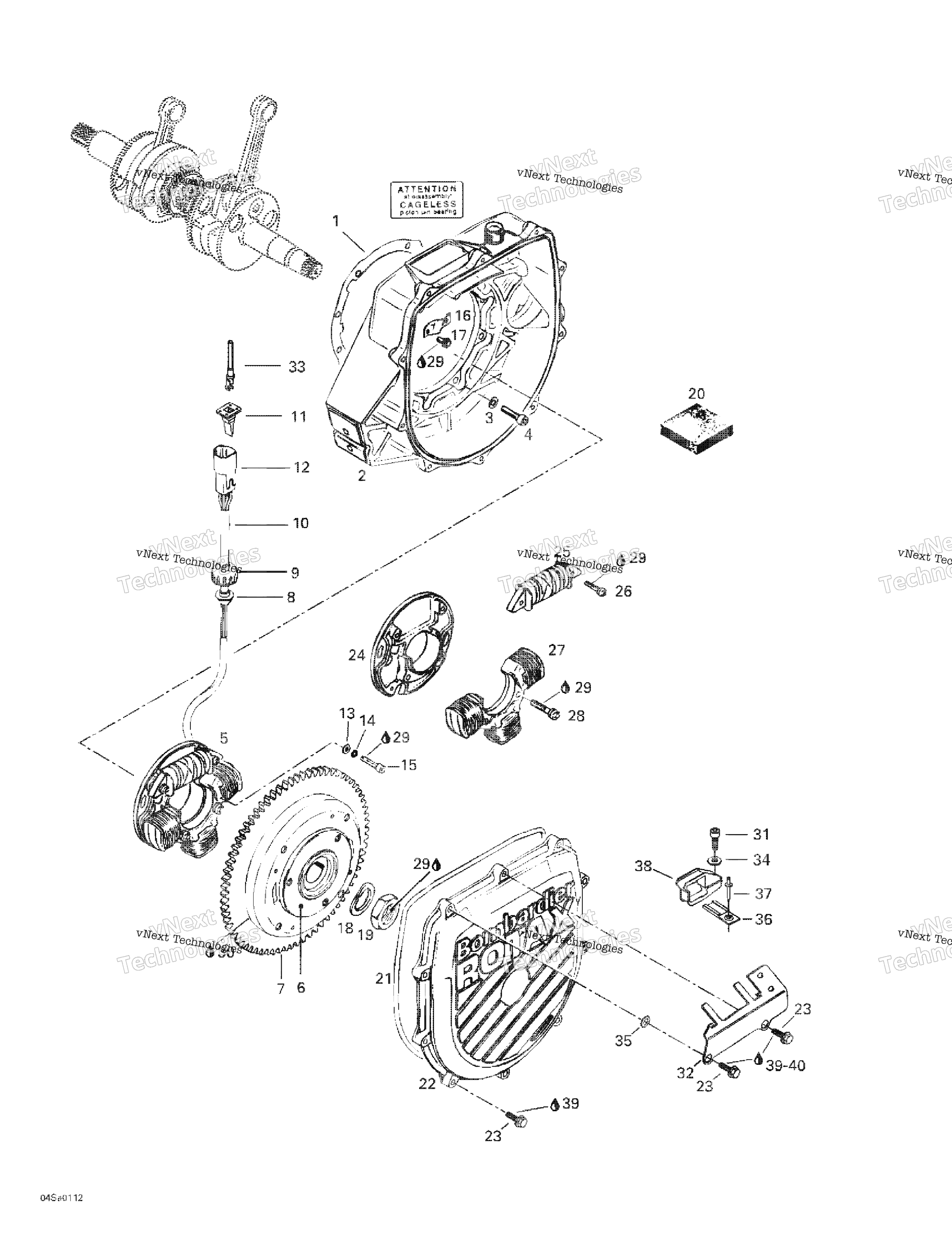
модель 2001 года
  • Модель GTI
  • Схема Magneto для GTI, 5552

  • Код модели GTI, 5552
Схема
Детали
Magneto
Номер
Наименование детали
Цена
1
GASKET art. 290850605
По запросу
2
Ignition Housing (Silver) art. 420810853
По запросу
3
Стопорное кольцо 6 мм art. 420945751
По запросу
4
Болт М6х25 BRP art. 205062544
от 210 ₽
OEM
Болт М6х25 BRP
art. 205062544
210 ₽
Требуется 8 шт.
5
Статор генератора Sea Doo art. 420886725
По запросу
6
MAGNETO FLYWHEEL ASS’Y Includes 6 - 7. art. 290995119
По запросу
6
Flywheel art. 420995118
По запросу
7
Starter Gear 77 Teeth art. 290834060
По запросу
8
Grommet art. 293720034
По запросу
9
Electric Wire Cap art. 278000100
По запросу
10
Tubing Isolation (75 mm) art. 420260931
По запросу
11
Female Wedge, 4 Circuits art. 278000636
По запросу
12
Female Housing, 4 Circuits art. 278000635
По запросу
13
WASHER art. 420827800
По запросу
14
Стопорное кольцо 5 мм art. 420945750
По запросу
15
Болт М5х18 Sea Doo art. 420840515
По запросу
16
Retainer Plate art. 420853080
По запросу
17
HEX. SCREW M5 X 8 art. 207150844
По запросу
18
Стопорное кольцо 22 мм art. 420945759
от 310 ₽
OEM
310 ₽
Требуется 1 шт.
19
Гайка М22х1,5 art. 420842239
По запросу
20
Protection Mat art. 290860680
По запросу
21
O-Ring art. 420831555
По запросу
22
Ignition Cover art. 420810148
По запросу
23
Болт М6х25 Sea Doo art. 420841543
По запросу
24
Статор генератора Sea Doo art. 420886725
По запросу
25
GENERATING COIL art. 410915200
По запросу
26
Винт М5х22 Sea Doo art. 420940810
По запросу
27
Lighting Coil art. 410916200
По запросу
28
SCREW M6 X 25 WITH WASHER art. 410913900
По запросу
29
Loctite 243, 10 ml art. 293800060
По запросу
30
Loctite 648, 10 ml art. 219703000
По запросу
31
Socket Screw M6 X 16 art. 205061660
По запросу
32
Ground Plate art. 278001064
По запросу
33
Разъем Sea Doo art. 278000631
от 500 ₽
OEM
Разъем Sea Doo
art. 278000631
500 ₽
Требуется 4 шт.
34
Шайба BRP DIN.125A-A2 М6 art. 234061600
от 110 ₽
OEM
110 ₽
Требуется 1 шт.
35
Шайба BRP art. 234461608
от 250 ₽
OEM
Шайба BRP
art. 234461608
250 ₽
Требуется 1 шт.
36
Clip art. 270000141
По запросу
37
Заклепка металлическая Sea Doo art. 204000081
от 210 ₽
OEM
210 ₽
Требуется 1 шт.
38
Adaptor art. 270000158
По запросу
39
LUBRICANT LOCTITE LB 8150 art. 293800023
По запросу
40
Was 293550004 Dielectric Grease, 150 g art. 219704453
По запросу
41
Engine Gasket Set (Not Shown) art. 290886317
от 17 900 ₽
Нужна консультация
Мы ответим вам на этот номер
Или укажите свою почту - и мы ответим на нее
Добавлено в корзину
Вы только что добавили в корзину:
Перейти в корзину
Вход в интернет магазин
Войти
Зарегистрироваться
Номер телефона необходим для оформления заказа
Восстановить пароль
Укажите ваш email адрес или логин и мы вышлем ссылку для восстановления пароля.