Упс, к сожалению, версия вашего браузера несовместима с сайтом. Вероятнее всего она устарела или давно не обновлялась.
Попробуйте открыть сайт atvstyle.ru с одного из поддерживаемых браузеров:
Google
Chrome
Safari
Mozilla
Firefox
Microsoft
Edge
Opera
Yandex
Browser

Ваша корзина
Ваша корзина пуста
Перейти в каталог
Личный кабинет +7 903 799 1446 +7 985 444 5566
модель 2004 года
  • Модель GTI
  • Схема Oil System для GTI LE RFI

  • Код модели GTI LE RFI
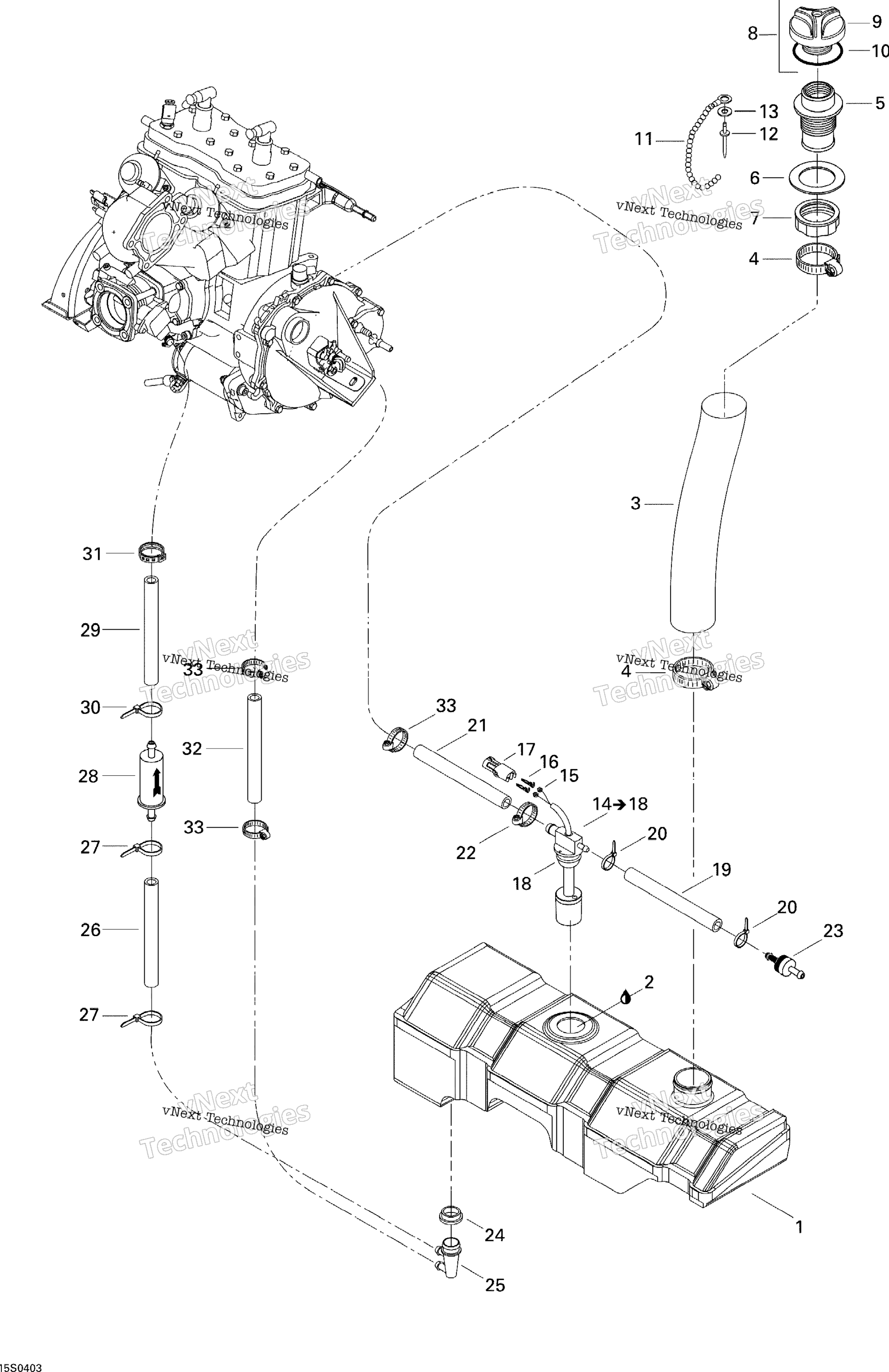
Схема
Детали
Oil System
Номер
Наименование детали
Цена
1
Масляный бачок Sea Doo art. 275000238
от 14 020 ₽
2
Injection Oil, 205 Liters art. 779123
По запросу
2
Injection Oil, 3 X 4 Liters art. 779120
По запросу
2
Injection Oil, 12 X 1 Liter art. 293600117
По запросу
3
Filler Hose art. 275000188
По запросу
4
Tridon Clamp art. 293650035
По запросу
5
FILLER NECK art. 275000242
По запросу
6
Gasket art. 293250132
По запросу
7
Nut-Neck Oil Filler art. 211100013
По запросу
8
Oil Cap art. 275000186
По запросу
9
Oil Tank Cap art. 275000199
По запросу
10
O-RING art. 293250025
По запросу
11
Oil Cap Chain art. 275500015
По запросу
12
Заклепка BRP art. 390407900
По запросу
13
Flat Washer M3, Stainless art. 234032600
По запросу
14
OIL LEVER SENSOR ASS’Y Includes 14 To 18 art. 278001401
По запросу
15
Диэлектрический колпачок BRP art. 278000218
По запросу
16
Разьем art. 278000222
от 400 ₽
OEM
Разьем
art. 278000222
400 ₽
Требуется 2 шт.
17
Корпус разьема BRP art. 278000217
от 940 ₽
OEM
940 ₽
Требуется 1 шт.
18
Кольцо уплотнительное BRP art. 293720008
от 450 ₽
OEM
0 ₽
Требуется 1 шт.
Подписаться
Аналог
450 ₽
Требуется 1 шт.
19
Was 275500549 Hose 1/4" art. 219704357
По запросу
20
Стяжка 142 мм BRP art. 293750002
По запросу
21
Was 275500008 Hose 12 mm art. 219704356
По запросу
22
Norma Clamp art. 293650084
По запросу
23
Клапан BRP Can-Am Ski-Doo SeaDoo art. 275500398
от 1 330 ₽
24
Кольцо уплотнительное BRP art. 293720008
от 450 ₽
OEM
0 ₽
Требуется 1 шт.
Подписаться
Аналог
450 ₽
Требуется 1 шт.
25
FITTING ELBOW 90 art. 293710051
По запросу
26
Polyurethane Hose 8 MM 3000MM Long art. 219704412
По запросу
27
Хомут пластиковый BRP art. 293750001
от 160 ₽
OEM
160 ₽
Требуется 2 шт.
28
OIL FILTER art. 275000051
от 2 000 ₽
29
Polyurethane Hose 8 MM 3000MM Long art. 219704412
По запросу
30
Хомут пластиковый BRP art. 293750001
от 160 ₽
OEM
160 ₽
Требуется 1 шт.
31
Хомут обжимной Can Am art. 293650042
от 450 ₽
OEM
450 ₽
Требуется 1 шт.
32
Was 275500008 Hose 12 mm art. 219704356
По запросу
33
Norma Clamp art. 293650084
По запросу
Нужна консультация
Мы ответим вам на этот номер
Или укажите свою почту - и мы ответим на нее
Добавлено в корзину
Вы только что добавили в корзину:
Перейти в корзину
Вход в интернет магазин
Войти
Зарегистрироваться
Номер телефона необходим для оформления заказа
Восстановить пароль
Укажите ваш email адрес или логин и мы вышлем ссылку для восстановления пароля.