Упс, к сожалению, версия вашего браузера несовместима с сайтом. Вероятнее всего она устарела или давно не обновлялась.
Попробуйте открыть сайт atvstyle.ru с одного из поддерживаемых браузеров:
Google
Chrome
Safari
Mozilla
Firefox
Microsoft
Edge
Opera
Yandex
Browser

Ваша корзина
Ваша корзина пуста
Перейти в каталог
Личный кабинет +7 903 799 1446 +7 985 444 5566
модель 2004 года
  • Модель GTX
  • Схема Fuel System для GTX 4-TEC

  • Код модели GTX 4-TEC
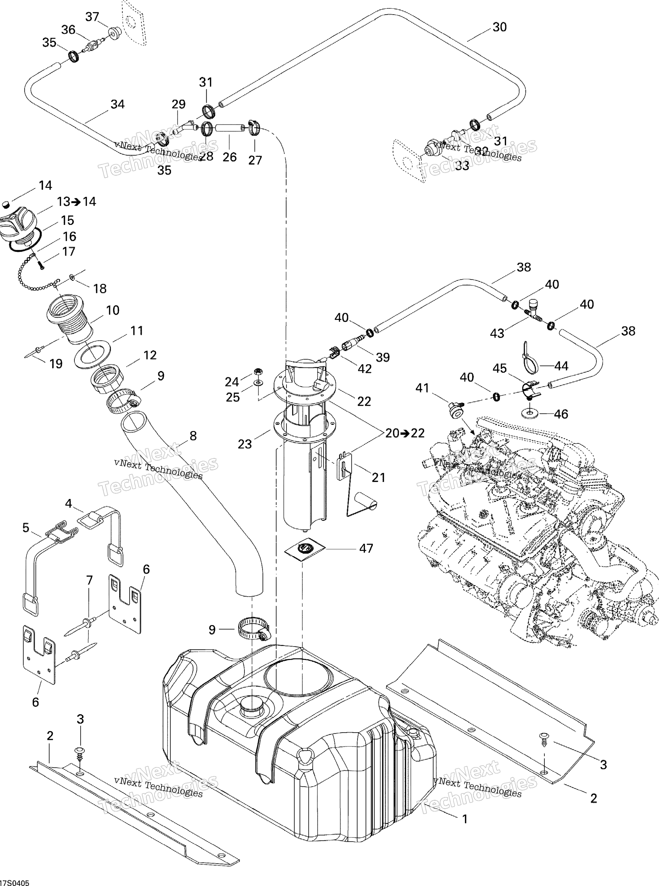
Схема
Детали
Fuel System
Номер
Наименование детали
Цена
1
Fuel Tank art. 275500480
По запросу
2
RUBBER PAD art. 293830094
По запросу
3
Клипса черная BRP art. 293730006
По запросу
4
Стропа BRP art. 293850093
По запросу
5
Стропа BRP art. 293850094
По запросу
6
STRAP CLIP art. 293850066
По запросу
7
Заклепка BRP art. 293150037
По запросу
8
Fuel Filler Neck Hose art. 275500648
По запросу
9
Tridon Clamp art. 293650023
По запросу
10
Filler Neck, Fuel art. 275500231
По запросу
11
Прокладка BRP art. 293250029
По запросу
12
Гайка BRP art. 211100012
По запросу
13
Крышка бензобака Sea Doo art. 275500430
от 3 210 ₽
14
Заглушка BRP art. 293000034
По запросу
15
Gasket art. 293250211
По запросу
16
Chain art. 275500974
По запросу
17
Болт самонарезной K40 x 10 BRP art. 241140060
от 250 ₽
OEM
250 ₽
Требуется 1 шт.
18
Flat Washer M3, Stainless art. 234032600
По запросу
19
Заклепка BRP art. 390407900
По запросу
20
Бензонасос Sea Doo art. 270600087
По запросу
21
Датчик уровня топлива Sea Doo art. 270600051
от 14 070 ₽
22
Not Available As Spare Part - Fuel Pump Module art. XXXX
По запросу
23
Прокладка топливного насоса Sea Doo art. 293250088
По запросу
24
Гайка M5 BRP art. 232551200
По запросу
25
Flat Washer 5 mm, Stainless art. 234052400
По запросу
26
Was 275500549 Hose 1/4" art. 219704357
По запросу
27
Хомут BRP art. 293650170
По запросу
28
Хомут BRP art. 293650025
По запросу
29
Фитинг art. 293710059
от 1 230 ₽
OEM
Фитинг
art. 293710059
1 230 ₽
Требуется 1 шт.
30
Was 275500549 Hose 1/4" art. 219704357
По запросу
31
Хомут BRP art. 293650025
По запросу
32
Клапан BRP Can-Am Ski-Doo SeaDoo art. 275500398
от 1 330 ₽
33
Уплотнитель BRP art. 293720029
По запросу
34
Was 275500549 Hose 1/4" art. 219704357
По запросу
35
Хомут BRP art. 293650025
По запросу
36
Обратный клапан Can Am art. 275500505
от 2 970 ₽
OEM
2 970 ₽
Требуется 1 шт.
37
Уплотнитель BRP art. 293720029
По запросу
38
HOSE 5/16 art. 275500626
По запросу
39
CONNECTOR BOX art. 275500428
По запросу
40
Хомут BRP art. 293650011
По запросу
41
Фитинг BRP art. 293710105
По запросу
42
STOPPER CONNECTOR art. 275500429
По запросу
43
Bleed Valve art. 293710104
По запросу
44
Tie-Rap 180 mm art. 414115200
По запросу
45
Hose Retainer art. 275500528
По запросу
46
RUBBER WASHER art. 250200028
По запросу
47
Топливный фильтр BRP art. 219700368
По запросу
Нужна консультация
Мы ответим вам на этот номер
Или укажите свою почту - и мы ответим на нее
Добавлено в корзину
Вы только что добавили в корзину:
Перейти в корзину
Вход в интернет магазин
Войти
Зарегистрироваться
Номер телефона необходим для оформления заказа
Восстановить пароль
Укажите ваш email адрес или логин и мы вышлем ссылку для восстановления пароля.