Упс, к сожалению, версия вашего браузера несовместима с сайтом. Вероятнее всего она устарела или давно не обновлялась.
Попробуйте открыть сайт atvstyle.ru с одного из поддерживаемых браузеров:
Google
Chrome
Safari
Mozilla
Firefox
Microsoft
Edge
Opera
Yandex
Browser

Ваша корзина
Ваша корзина пуста
Перейти в каталог
Личный кабинет +7 903 799 1446 +7 985 444 5566
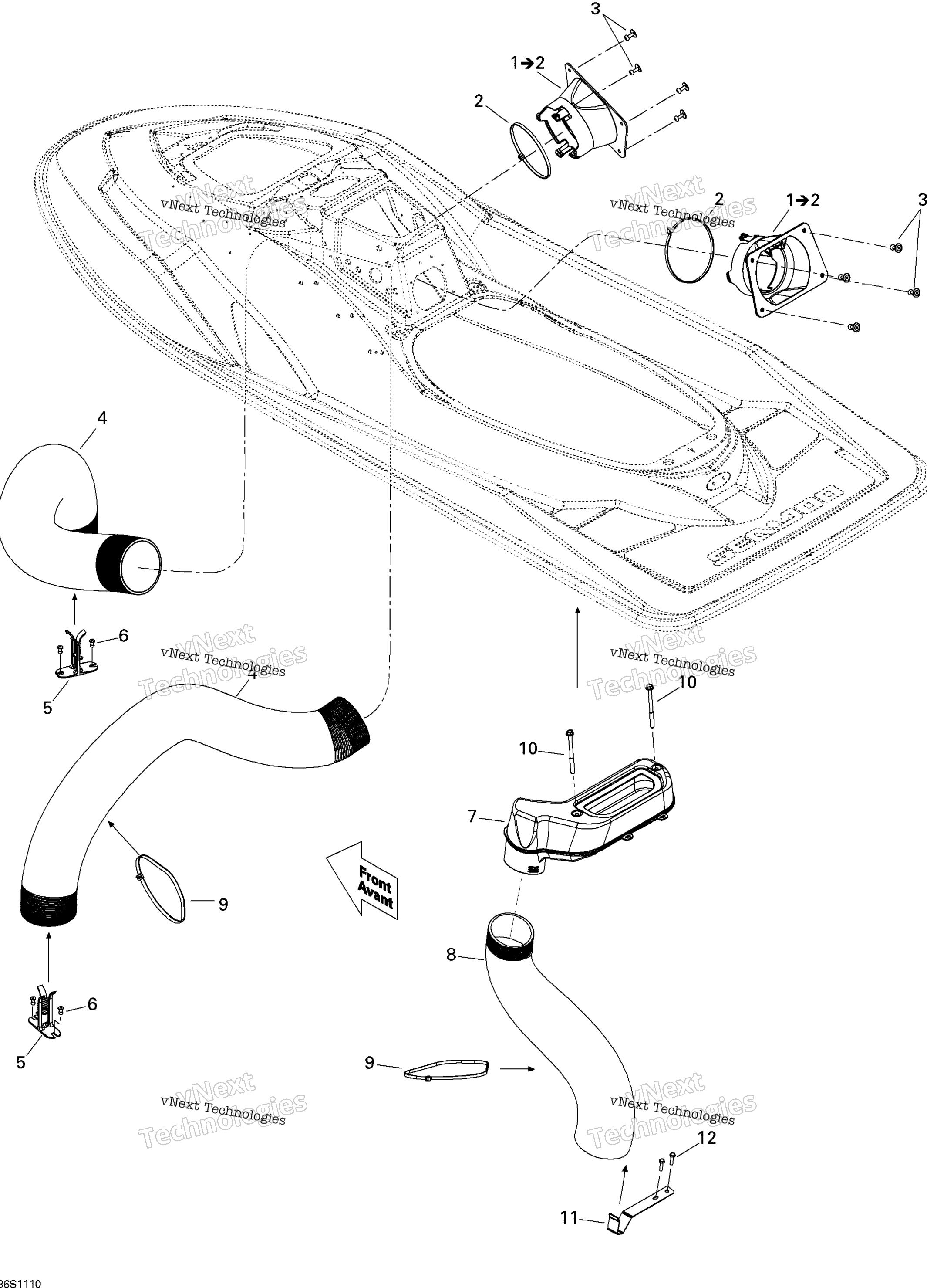
модель 2011 года
  • Модель RXP X 255
  • Схема Ventilation для RXP-X 255 & RS

  • Код модели RXP-X 255 & RS
Схема
Детали
Ventilation
Номер
Наименование детали
Цена
1
FRONT AIR COLLECTOR ASS’Y Includes 1 to 2 art. 291002547
По запросу
2
Tie Rap, 533 mm art. 293750047
По запросу
3
Заклепка BRP art. 293150123
По запросу
4
Шланг BRP art. 291002549
По запросу
5
Hose Clip art. 291002527
По запросу
6
Заклепка BRP art. 293150005
По запросу
7
AIR ADAPTER art. 291002701
По запросу
8
REAR HOSE VENT art. 291002544
По запросу
9
Tie Rap, 533 mm art. 293750047
По запросу
10
HEX. PLASTITE SCREW M6,81 X 80 art. 243168060
По запросу
11
HOSE SUPPORT art. 291002627
По запросу
12
Hex. Plastite Screw M4, 8 X 20 art. 243042060
По запросу
Нужна консультация
Мы ответим вам на этот номер
Или укажите свою почту - и мы ответим на нее
Добавлено в корзину
Вы только что добавили в корзину:
Перейти в корзину
Вход в интернет магазин
Войти
Зарегистрироваться
Номер телефона необходим для оформления заказа
Восстановить пароль
Укажите ваш email адрес или логин и мы вышлем ссылку для восстановления пароля.