Упс, к сожалению, версия вашего браузера несовместима с сайтом. Вероятнее всего она устарела или давно не обновлялась.
Попробуйте открыть сайт atvstyle.ru с одного из поддерживаемых браузеров:
Google
Chrome
Safari
Mozilla
Firefox
Microsoft
Edge
Opera
Yandex
Browser

Ваша корзина
Ваша корзина пуста
Перейти в каталог
Личный кабинет +7 903 799 1446 +7 985 444 5566
модель 2011 года
  • Модель WAKE 155
  • Схема Electrical Harness , Main для WAKE 155

  • Код модели WAKE 155
Схема
Детали
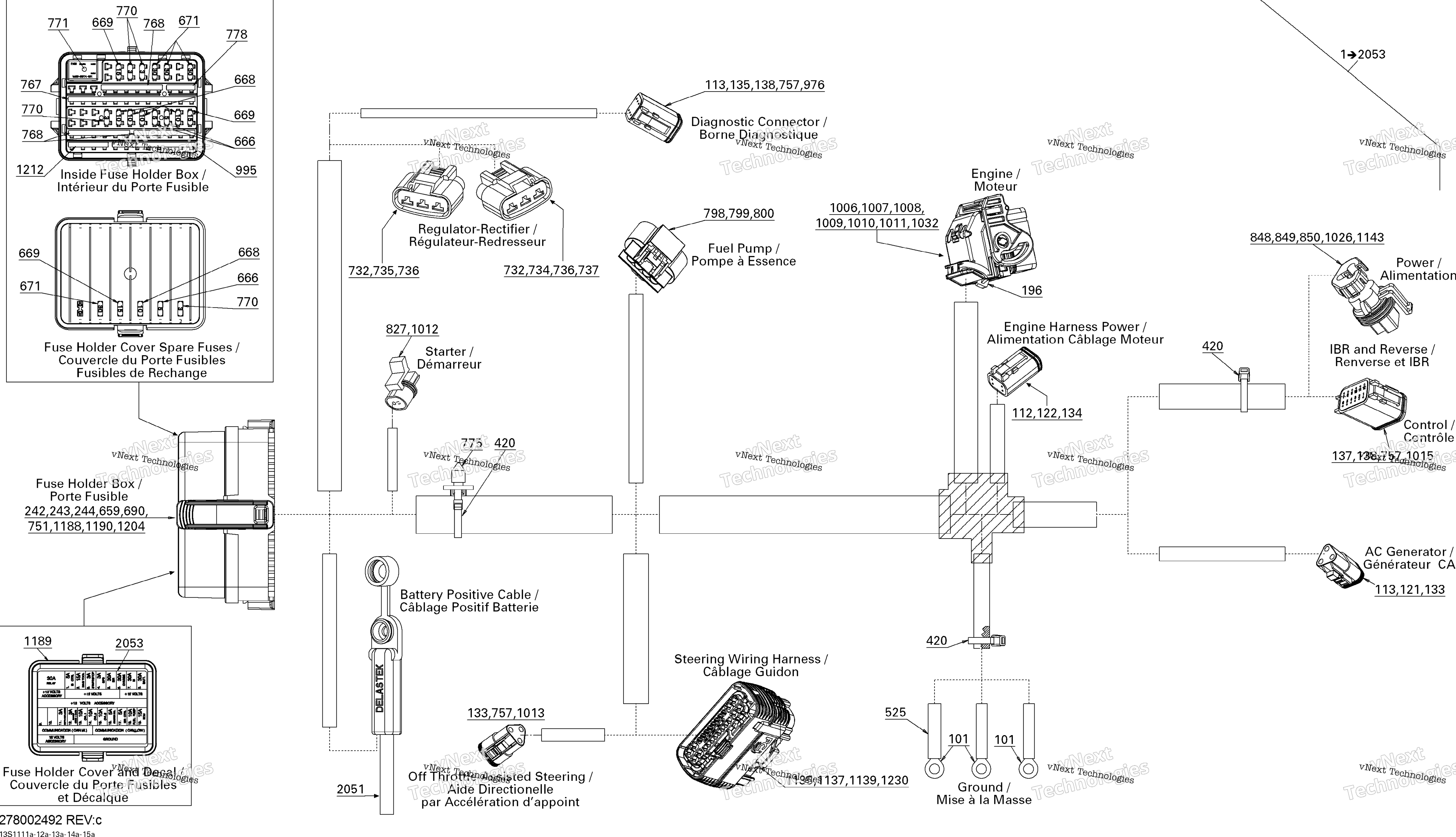
Electrical Harness , Main
Номер
Наименование детали
Цена
1
Main Wiring Harness Inclus 1 à 2053 art. 278002943
По запросу
101
Open Barrel Terminal art. 278001392
По запросу
112
Female Terminal art. 278000632
По запросу
113
FEMALE TERMINAL art. 278001661
По запросу
121
Корпус разъема art. 278002375
от 3 360 ₽
OEM
3 360 ₽
Требуется 1 шт.
122
Male Connector, 4 Circuits art. 278000739
По запросу
133
Электрическая клемма "мама" Can Am art. 409207200
от 500 ₽
OEM
500 ₽
Требуется 1 шт.
134
Male Lock, 4 Circuits art. 278000738
По запросу
135
MALE LOCK, 6 CIRCUITS art. 278000737
По запросу
137
Female Lock, 12 Circuits art. 409015700
По запросу
138
Sealing Cap art. 293000052
По запросу
196
Стяжка 142 мм BRP art. 293750002
По запросу
242
Диэлектрический колпачок BRP art. 278000218
По запросу
243
Резиновый сальник проводки art. 710000048
По запросу
244
Wire Seal art. 278000216
По запросу
420
Tie-Rap 180 mm art. 414115200
По запросу
525
SHRINK TUBING art. 710000482
По запросу
659
Уплотнитель проводки BRP art. 278001065
от 840 ₽
OEM
840 ₽
Требуется 1 шт.
666
Предохранитель 5А art. 710000742
от 500 ₽
OEM
500 ₽
Требуется 1 шт.
668
Предохранитель 10А art. 710000744
от 500 ₽
OEM
500 ₽
Требуется 1 шт.
669
Предохранитель 15А BRP art. 710000745
от 500 ₽
OEM
500 ₽
Требуется 1 шт.
671
Предохранитель 30А BRP Can-Am Outlander Renegade G1-G2 art. 710000747
от 980 ₽
OEM
980 ₽
Требуется 1 шт.
690
Клемма электрического разъема art. 710000890
По запросу
732
Female Terminal art. 710000877
По запросу
734
Электрический разъём BRP art. 710000879
По запросу
735
Housing, 3 Circuits art. 710000880
По запросу
736
Seal art. 710000881
По запросу
737
Cap art. 710000882
По запросу
751
Разъем электрический мама 12 В BRP art. 710000918
от 840 ₽
OEM
840 ₽
Требуется 1 шт.
757
Female Terminal art. 278001665
По запросу
767
Предохранитель BRP Bus Bar art. 278002165
от 1 080 ₽
768
Предохранитель BRP Bus Bar art. 278002165
от 1 080 ₽
770
Предохранитель 3 А Can Am art. 710001008
По запросу
771
Relay, 30 AMP Obsolete. Sea Doo order 278002822 art. 278002168
от 1 230 ₽
775
Mount Dart art. 293730040
от 790 ₽
Аналог
790 ₽
Требуется 1 шт.
778
Предохранитель BRP Bus Bar art. 278002165
от 1 080 ₽
798
Male Housing, 4 Circuits art. 278002185
По запросу
799
Wire Seal art. 278002186
По запросу
800
Female Terminal art. 278002187
По запросу
827
Female Terminal art. 710001119
По запросу
848
PLUG art. 710001158
По запросу
849
Wire Seal art. 710001159
По запросу
850
Female Terminal art. 710001160
По запросу
976
Male Housing, 6 Circuits art. 710001540
По запросу
995
Предохранитель BRP Bus Bar art. 278002165
от 1 080 ₽
1006
Female Terminal Housing, 48 Circuits art. 710001588
По запросу
1007
Датчик температуры BRP art. 710001589
По запросу
1008
Female Terminal art. 710001590
По запросу
1009
Cover, 48 positions art. 710001591
По запросу
1010
Plug art. 710001592
По запросу
1011
Plug art. 710001593
По запросу
1012
FEMALE TERMINAL HOUSING, 2 CIRCUITS art. 278002374
По запросу
1013
Корпус разъема art. 278002375
от 3 360 ₽
OEM
3 360 ₽
Требуется 1 шт.
1015
Female Terminal Housing, 12 Circuits art. 278002377
По запросу
1026
Female Terminal Housing, 3 Circuits art. 278002388
По запросу
1032
Датчик температуры BRP art. 710001727
По запросу
1135
Housing art. 278002451
По запросу
1137
Female Terminal art. 278002453
По запросу
1139
Female Terminal art. 278002455
По запросу
1143
LOCK art. 278002459
По запросу
1188
Fuse Box Ass’y art. 278002946
По запросу
1189
Крышка блока предохранителей BRP art. 278002823
По запросу
1190
SEAL art. 278002530
По запросу
1204
Терминал BRP art. 278002578
По запросу
1212
Предохранитель BRP Bus Bar art. 278002165
от 1 080 ₽
1230
Female Terminal art. 278002642
По запросу
2051
Battery Harness art. 278002815
По запросу
2053
FUSE DECAL (ENGLISH) art. 219903391
По запросу
Нужна консультация
Мы ответим вам на этот номер
Или укажите свою почту - и мы ответим на нее
Добавлено в корзину
Вы только что добавили в корзину:
Перейти в корзину
Вход в интернет магазин
Войти
Зарегистрироваться
Номер телефона необходим для оформления заказа
Восстановить пароль
Укажите ваш email адрес или логин и мы вышлем ссылку для восстановления пароля.