Упс, к сожалению, версия вашего браузера несовместима с сайтом. Вероятнее всего она устарела или давно не обновлялась.
Попробуйте открыть сайт atvstyle.ru с одного из поддерживаемых браузеров:
Google
Chrome
Safari
Mozilla
Firefox
Microsoft
Edge
Opera
Yandex
Browser

Ваша корзина
Ваша корзина пуста
Перейти в каталог
Личный кабинет +7 903 799 1446 +7 985 444 5566
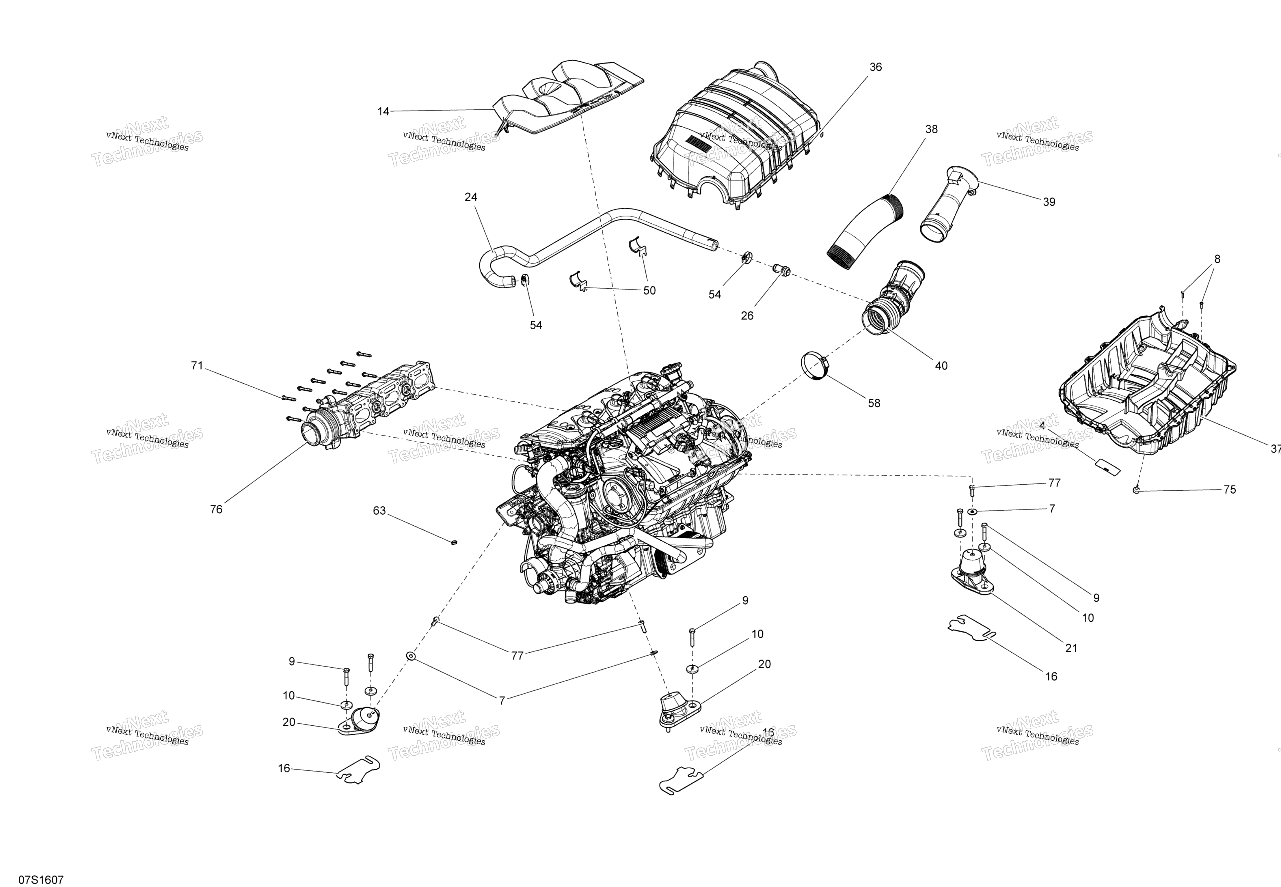
модель 2016 года
  • Модель WAKE
  • Схема Engine для Wake

  • Код модели Wake
Схема
Детали
Engine
Номер
Наименование детали
Цена
4
Air Silencer Notice Decal art. 219903177
По запросу
7
Шайба Sea Doo art. 234082600
от 310 ₽
OEM
Шайба Sea Doo
art. 234082600
310 ₽
Требуется 3 шт.
8
Болт-саморез К40 х 16 BRP art. 250000287
от 310 ₽
OEM
310 ₽
Требуется 5 шт.
9
Болт M8 X 45 BRP art. 250000782
от 350 ₽
OEM
Болт M8 X 45 BRP
art. 250000782
350 ₽
Требуется 6 шт.
10
Cone Washer art. 250200018
По запросу
14
COVER art. 270000999
По запросу
16
Шайба регулировочная 1,3мм Sea Doo art. 270000762
от 1 130 ₽
20
Подушка двигателя Sea Doo art. 270001081
По запросу
21
Опора ДВС BRP art. 270001096
По запросу
24
Formed Hose art. 270000949
По запросу
26
Breather Valve art. 273000234
По запросу
36
Airbox Cover art. 273000371
По запросу
37
Airbox Base art. 273000354
По запросу
38
Air Silencer Hose art. 273000290
По запросу
39
Intake Hose art. 273000358
По запросу
40
Hose Connector art. 273000292
По запросу
50
Retainer art. 275500664
По запросу
54
Хомут BRP art. 293650051
По запросу
58
Хомут Can Am art. 293650179
от 1 230 ₽
OEM
Хомут Can Am
art. 293650179
1 230 ₽
Требуется 1 шт.
63
Стяжка 142 мм BRP art. 293750002
По запросу
71
Болт М6х45 art. 420641198
от 350 ₽
OEM
Болт М6х45
art. 420641198
0 ₽
Требуется 12 шт.
Подписаться
Аналог
350 ₽
Требуется 12 шт.
75
Резиновый фиксатор Can Am art. 708000759
от 500 ₽
76
Выпускной коллектор Sea Doo art. 296000422
По запросу
77
Болт BRP art. 207382560
По запросу
Нужна консультация
Мы ответим вам на этот номер
Или укажите свою почту - и мы ответим на нее
Добавлено в корзину
Вы только что добавили в корзину:
Перейти в корзину
Вход в интернет магазин
Войти
Зарегистрироваться
Номер телефона необходим для оформления заказа
Восстановить пароль
Укажите ваш email адрес или логин и мы вышлем ссылку для восстановления пароля.