Упс, к сожалению, версия вашего браузера несовместима с сайтом. Вероятнее всего она устарела или давно не обновлялась.
Попробуйте открыть сайт atvstyle.ru с одного из поддерживаемых браузеров:
Google
Chrome
Safari
Mozilla
Firefox
Microsoft
Edge
Opera
Yandex
Browser

Ваша корзина
Ваша корзина пуста
Перейти в каталог
Личный кабинет +7 903 799 1446 +7 985 444 5566
модель 2003 года
  • Модель FX CRUISER
  • Схема CYLINDER для FX140 CRUISER (FX1000AB)

  • Код модели FX140 CRUISER (FX1000AB)
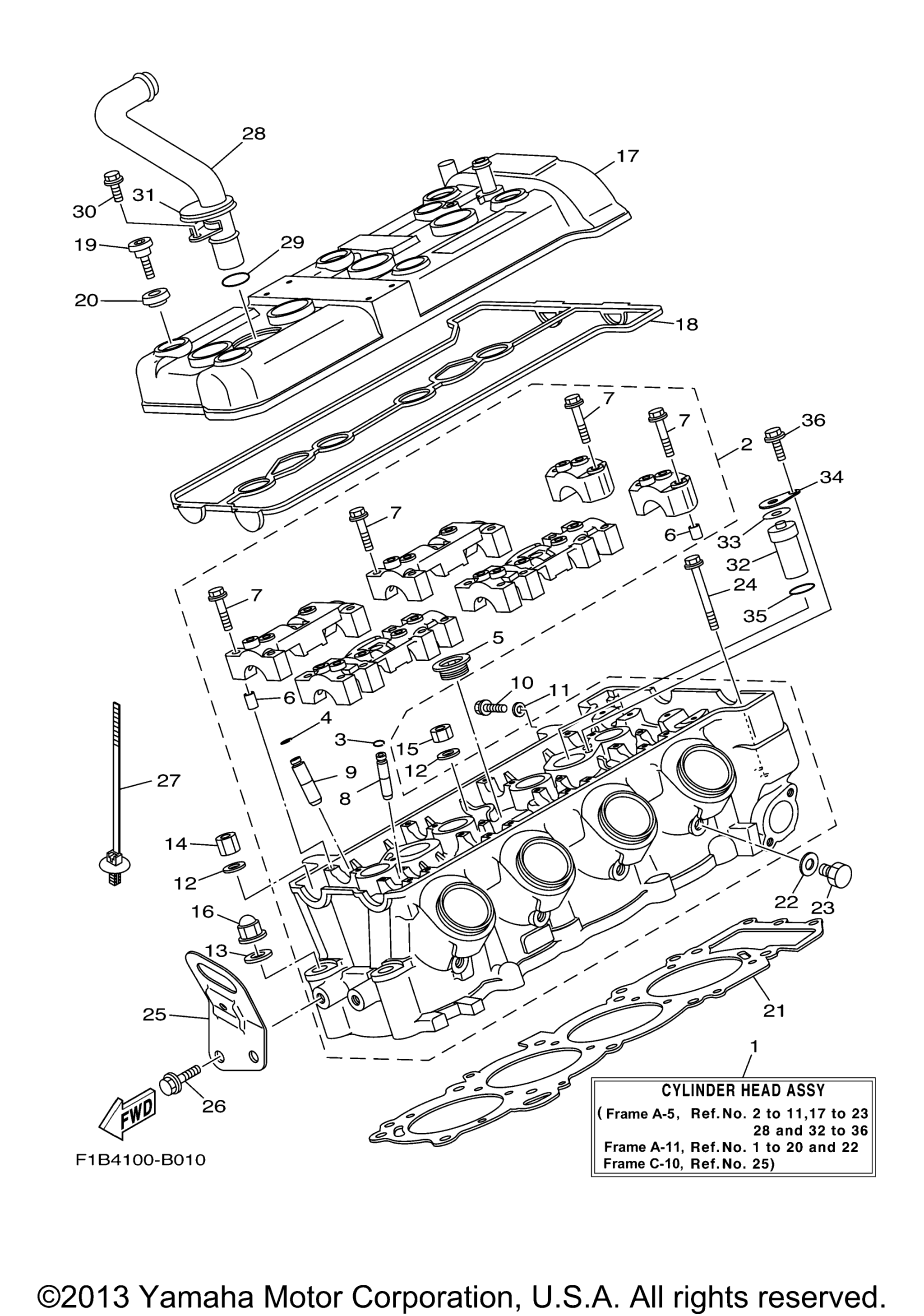
Схема
Детали
CYLINDER
Номер
Наименование детали
Цена
1
Cylinder Head Assy art. 60E-W009A-11-8P
По запросу
2
Cylinder Head art. 6B6-11102-00-00
По запросу
3
. .Circlip art. 93440-07149-00
По запросу
4
Стопор Yamaha art. 93440-10153-00
от 750 ₽
5
. .Plug, Straight Screw art. 90340-27001-00
По запросу
6
Палец Yamaha art. 91808-16023-00
от 840 ₽
7
. .Bolt, Flange art. 90105-06026-00
По запросу
8
. .Guide, Valve art. 3TJ-11133-10-00
По запросу
9
. .Guide, Valve art. 1WG-11133-11-00
По запросу
10
Bolt art. 95024-06012-00
По запросу
11
Шайба Yamaha art. 90430-06014-00
от 890 ₽
12
Washer, Plate art. 90201-10033-00
По запросу
13
Washer, Plate art. 90201-10019-00
По запросу
14
Nut art. 90179-10006-00
По запросу
15
Nut art. 90179-10414-00
По запросу
16
Nut, Crown art. 90176-10001-00
По запросу
17
Cover, Cylinder Head 1 art. 60E-11191-00-94
По запросу
18
Прокладка клапанной крышки Yamaha art. 60E-11193-01-00
По запросу
19
Bolt art. 90109-066F0-00
По запросу
20
Прокладка-шайба болта клапанной крышки Yamaha art. 5EA-1111G-00-00
По запросу
21
Gasket, Cylinder Head 1 art. 60E-11181-01-00
По запросу
22
Шайба Yamaha art. 90430-06014-00
от 890 ₽
23
.Bolt art. 91380-06012-00
По запросу
24
Bolt, With Washer art. 97513-06555-00
По запросу
25
Hanger, Engine 2 art. 60E-1111E-00-00
По запросу
26
Bolt, With Washer art. 97513-08520-00
По запросу
27
Clamp art. 90464-20005-00
По запросу
28
Pipe 2 art. 60E-12482-00-00
По запросу
29
Кольцо резиновое Yamaha art. 93210-18417-00
По запросу
30
Болт Yamaha art. 91317-06016-00
от 160 ₽
31
Seal, Pipe 1 art. 60E-12494-00-00
По запросу
32
Pipe 3 art. 60E-12483-10-00
По запросу
33
Gasket 1 art. 60E-12474-01-00
По запросу
34
Plate 2 art. 60E-12537-01-00
По запросу
35
Кольцо резиновое Yamaha art. 93210-18417-00
По запросу
36
Болт Yamaha art. 91317-06016-00
от 160 ₽
Нужна консультация
Мы ответим вам на этот номер
Или укажите свою почту - и мы ответим на нее
Добавлено в корзину
Вы только что добавили в корзину:
Перейти в корзину
Вход в интернет магазин
Войти
Зарегистрироваться
Номер телефона необходим для оформления заказа
Восстановить пароль
Укажите ваш email адрес или логин и мы вышлем ссылку для восстановления пароля.