Упс, к сожалению, версия вашего браузера несовместима с сайтом. Вероятнее всего она устарела или давно не обновлялась.
Попробуйте открыть сайт atvstyle.ru с одного из поддерживаемых браузеров:
Google
Chrome
Safari
Mozilla
Firefox
Microsoft
Edge
Opera
Yandex
Browser

Ваша корзина
Ваша корзина пуста
Перейти в каталог
Личный кабинет +7 903 799 1446 +7 985 444 5566
модель 2016 года
  • Модель VX CRUISER
  • Схема INTAKE для VX CRUISER VX1050BR VX DELUXE (VX1050AR)

  • Код модели VX CRUISER VX1050BR VX DELUXE (VX1050AR)
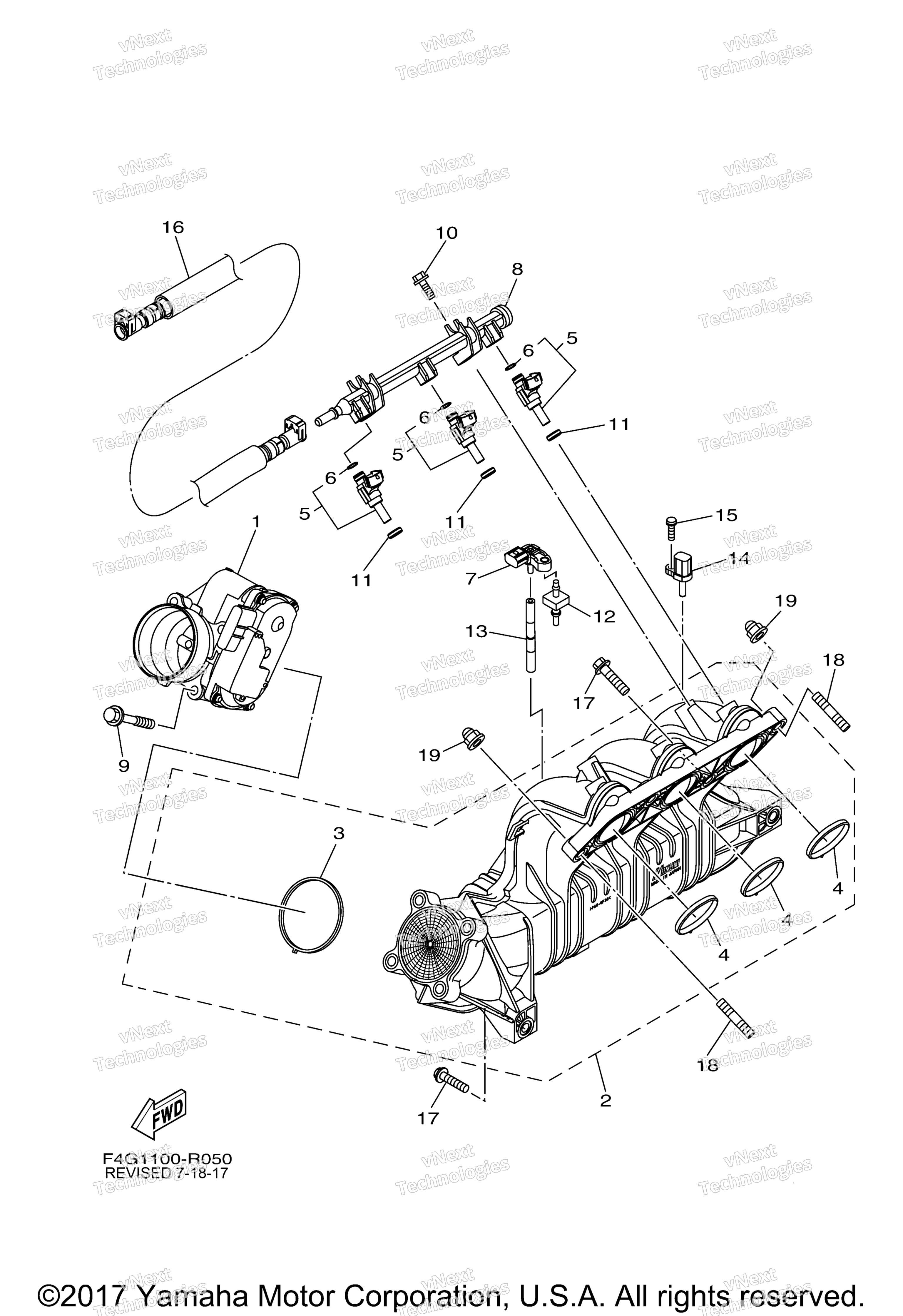
Схема
Детали
INTAKE
Номер
Наименование детали
Цена
1
Throttle Body Assy art. 6EY-13750-00-00
По запросу
2
Manifold, Intake 1 art. 6EY-13641-03-00
По запросу
3
Прокладка Yamaha art. 6EY-14156-00-00
от 4 810 ₽
OEM
Прокладка Yamaha
art. 6EY-14156-00-00
4 810 ₽
Требуется 1 шт.
4
. .Gasket art. 6EY-14126-00-00
По запросу
5
Injector art. 6EY-13761-00-00
По запросу
6
Кольцо уплотнительное Yamaha art. 68V-1416A-00-00
от 1 420 ₽
OEM
1 420 ₽
Требуется 1 шт.
7
Датчик давления воздуха Yamaha art. 5S7-82380-00-00
По запросу
8
Delivery Pipe art. 6EY-12880-01-00
По запросу
9
Bolt, Flange art. 90105-08243-00
По запросу
10
Bolt, Flange art. 95814-06020-00
По запросу
11
Gasket, Manifold art. 8FP-13556-10-00
По запросу
12
Grommet art. 6BH-14445-00-00
По запросу
13
Hose, Vacuum Sensing 3 art. 6EY-13532-00-00
По запросу
14
Датчик температуры воздуха Yamaha art. 8FP-85886-00-00
от 2 000 ₽
OEM
5 500 ₽
Требуется 1 шт.
Аналог
2 000 ₽
Требуется 1 шт.
Аналог
2 390 ₽
Требуется 1 шт.
Подписаться
15
Screw, Tapping art. 97702-50520-00
По запросу
16
Fuel Hose Assy art. 6EY-2450B-10-00
По запросу
17
Bolt, With Washer art. 97513-08535-00
По запросу
18
Шпилька приемной трубы Yamaha art. 95612-08625-00
от 750 ₽
19
Nut, Crown art. 90176-08080-00
По запросу
Нужна консультация
Мы ответим вам на этот номер
Или укажите свою почту - и мы ответим на нее
Добавлено в корзину
Вы только что добавили в корзину:
Перейти в корзину
Вход в интернет магазин
Войти
Зарегистрироваться
Номер телефона необходим для оформления заказа
Восстановить пароль
Укажите ваш email адрес или логин и мы вышлем ссылку для восстановления пароля.