Упс, к сожалению, версия вашего браузера несовместима с сайтом. Вероятнее всего она устарела или давно не обновлялась.
Попробуйте открыть сайт atvstyle.ru с одного из поддерживаемых браузеров:
Google
Chrome
Safari
Mozilla
Firefox
Microsoft
Edge
Opera
Yandex
Browser

Ваша корзина
Ваша корзина пуста
Перейти в каталог
Личный кабинет +7 903 799 1446 +7 985 444 5566
модель 2016 года
  • Модель VX
  • Схема Repair Kit 1 для WAVERUNNER VX (VX1050CR)

  • Код модели WAVERUNNER VX (VX1050CR)
Схема
Детали
Repair Kit 1
Номер
Наименование детали
Цена
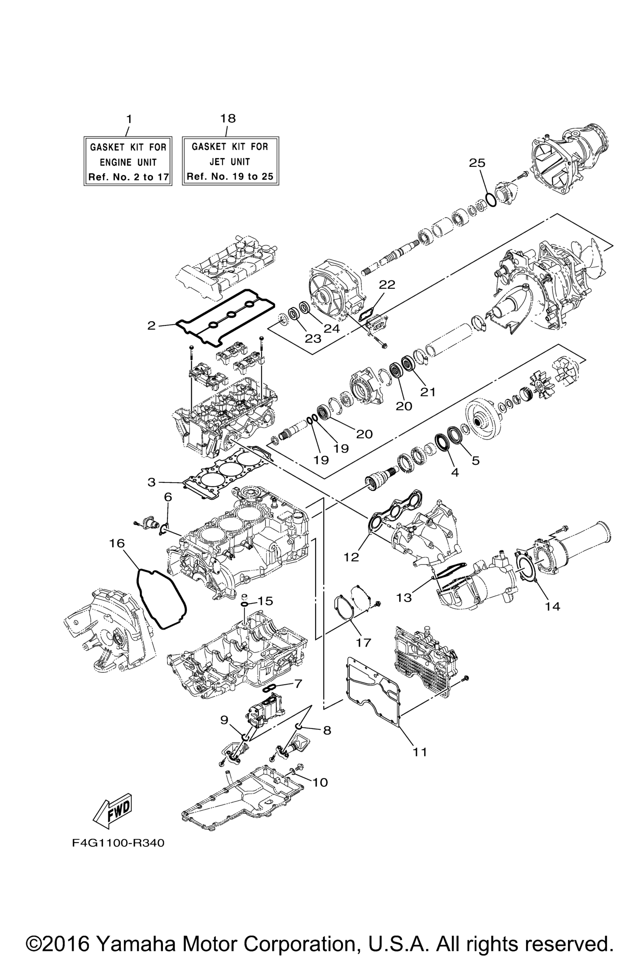
1
Gasket Kit For Engine Unit art. 99999-04358-00
По запросу
2
. .Gasket, Head Cover 1 art. 6EY-11193-00-00
По запросу
3
. .Gasket, Cylinder Head 1 art. 6EY-11181-01-00
По запросу
4
. .Oil Seal art. 93101-40001-00
По запросу
5
. .Oil Seal art. 93101-40002-00
По запросу
6
Прокладка натяжителя цепи ГРМ Yamaha art. 2C0-12213-00-00
от 1 040 ₽
OEM
1 040 ₽
Требуется 1 шт.
Подписаться
Аналог
10 930 ₽
Требуется 1 шт.
7
. .Gasket art. 6EY-13563-00-00
По запросу
8
. .Gasket art. 6EY-13477-00-00
По запросу
9
. .Gasket art. 6EY-13476-00-00
По запросу
10
. .Gasket art. 90430-08209-00
По запросу
11
. .Gasket art. 6EY-15453-00-00
По запросу
12
. .Gasket, Exhaust Pipe art. 6EY-14613-00-00
По запросу
13
. .Gasket, Muffler Damper 1 art. 6EY-14739-00-00
По запросу
14
. .Gasket, Muffler Damper 2 art. 6EY-14749-01-00
По запросу
15
. .O-Ring art. 93210-17010-00
По запросу
16
. .Gasket, Crankcase Cover 2 art. 6EY-15461-00-00
По запросу
17
. .Gasket, 2 art. 99999-04357-00
По запросу
18
Gasket Kit For Jet Unit art. 6EY-W0001-20-00
По запросу
19
. O-Ring art. 93210-19001-00
По запросу
20
. Oil Seal art. 93101-25M55-00
По запросу
21
Сальник Yamaha art. 93102-25009-00
от 2 780 ₽
OEM
Сальник Yamaha
art. 93102-25009-00
2 780 ₽
Требуется 1 шт.
22
. .O-Ring art. 66V-42414-00-00
По запросу
23
. .Oil Seal art. 93101-28M66-00
По запросу
24
. .Oil Seal art. 93101-28002-00
По запросу
25
. O-Ring art. 93210-44003-00
По запросу
Нужна консультация
Мы ответим вам на этот номер
Или укажите свою почту - и мы ответим на нее
Добавлено в корзину
Вы только что добавили в корзину:
Перейти в корзину
Вход в интернет магазин
Войти
Зарегистрироваться
Номер телефона необходим для оформления заказа
Восстановить пароль
Укажите ваш email адрес или логин и мы вышлем ссылку для восстановления пароля.