Упс, к сожалению, версия вашего браузера несовместима с сайтом. Вероятнее всего она устарела или давно не обновлялась.
Попробуйте открыть сайт atvstyle.ru с одного из поддерживаемых браузеров:
Google
Chrome
Safari
Mozilla
Firefox
Microsoft
Edge
Opera
Yandex
Browser

Ваша корзина
Ваша корзина пуста
Перейти в каталог
Личный кабинет +7 903 799 1446 +7 985 444 5566
модель 2018 года
  • Модель FX SVHO
  • Схема Electrical 3 для FX SVHO (FC1800T)

  • Код модели FX SVHO (FC1800T)
Схема
Детали
Electrical 3
Номер
Наименование детали
Цена
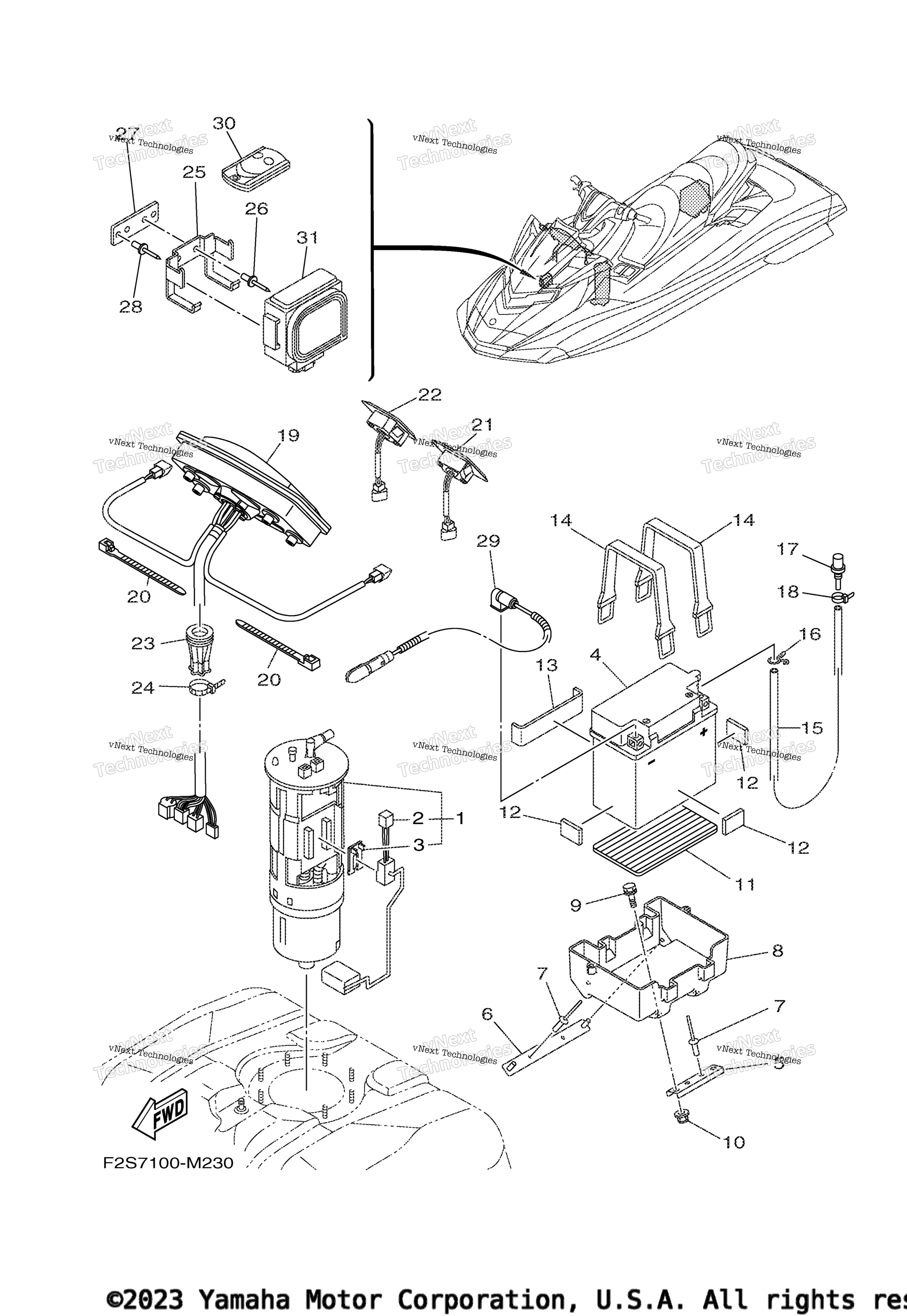
1
Fuel Pump Comp art. 6S5-13907-05-00
По запросу
2
. .Fuel Sender Assy art. 99999-04571-00
По запросу
3
. .Damper, Stopper art. 60E-82556-00-00
По запросу
4
Battery (Yb16cl-B) art. YB1-6CLB0-00-00
По запросу
5
Plate, Base 2 art. F2S-U8592-00-00
По запросу
6
Plate, Base 3 art. F2S-U8593-00-00
По запросу
7
Rivet,Blind art. 90267-48938-00
По запросу
8
Case, Battery art. F2S-U8211-00-00
По запросу
9
Bolt, With Washer art. 90119-06820-00
По запросу
10
Nut, Lock art. F2N-U142L-00-00
По запросу
11
Pad, Battery art. F1S-U8221-00-00
По запросу
12
Pad, Battery 2 art. EU0-U8221-31-00
По запросу
13
Pad, Battery art. F1K-U8221-00-00
По запросу
14
Band,Battery 1 art. EU0-U821D-00-00
По запросу
15
Hose, Air Vent art. F0D-U785G-10-00
По запросу
16
Clip art. 90467-089U1-00
По запросу
17
Nipple art. GJ3-6215F-00-00
По запросу
18
Хомут Yamaha art. 90465-10098-00
от 350 ₽
OEM
Хомут Yamaha
art. 90465-10098-00
350 ₽
Требуется 1 шт.
19
Meter Assy art. F3J-6820A-31-00
По запросу
20
Зажим Yamaha art. 90464-32801-00
По запросу
21
Switch Assy art. F2S-68090-00-00
По запросу
22
Switch Assy art. F2S-68090-10-00
По запросу
23
Grommet art. F3J-U822E-01-00
По запросу
24
Зажим Yamaha art. 90464-32801-00
По запросу
25
Bracket art. F1W-U826C-00-00
По запросу
26
Rivet,Blind art. 90267-48938-00
По запросу
27
Plate art. F1W-U8376-00-00
По запросу
28
Rivet,Blind art. 90267-48938-00
По запросу
29
Wire, Minus Lead art. 6JP-82116-00-00
По запросу
30
Xmtr. Comp art. 6B6-86261-00-00
По запросу
31
Receiver Complete art. 6B6-86265-00-00
По запросу
Нужна консультация
Мы ответим вам на этот номер
Или укажите свою почту - и мы ответим на нее
Добавлено в корзину
Вы только что добавили в корзину:
Перейти в корзину
Вход в интернет магазин
Войти
Зарегистрироваться
Номер телефона необходим для оформления заказа
Восстановить пароль
Укажите ваш email адрес или логин и мы вышлем ссылку для восстановления пароля.