Упс, к сожалению, версия вашего браузера несовместима с сайтом. Вероятнее всего она устарела или давно не обновлялась.
Попробуйте открыть сайт atvstyle.ru с одного из поддерживаемых браузеров:
Google
Chrome
Safari
Mozilla
Firefox
Microsoft
Edge
Opera
Yandex
Browser

Ваша корзина
Ваша корзина пуста
Перейти в каталог
Личный кабинет +7 903 799 1446 +7 985 444 5566
модель 2021 года
  • Модель FX CRUISER HO
  • Схема Engine Mount для FX CRUISER HO (FB1800AW)

  • Код модели FX CRUISER HO (FB1800AW)
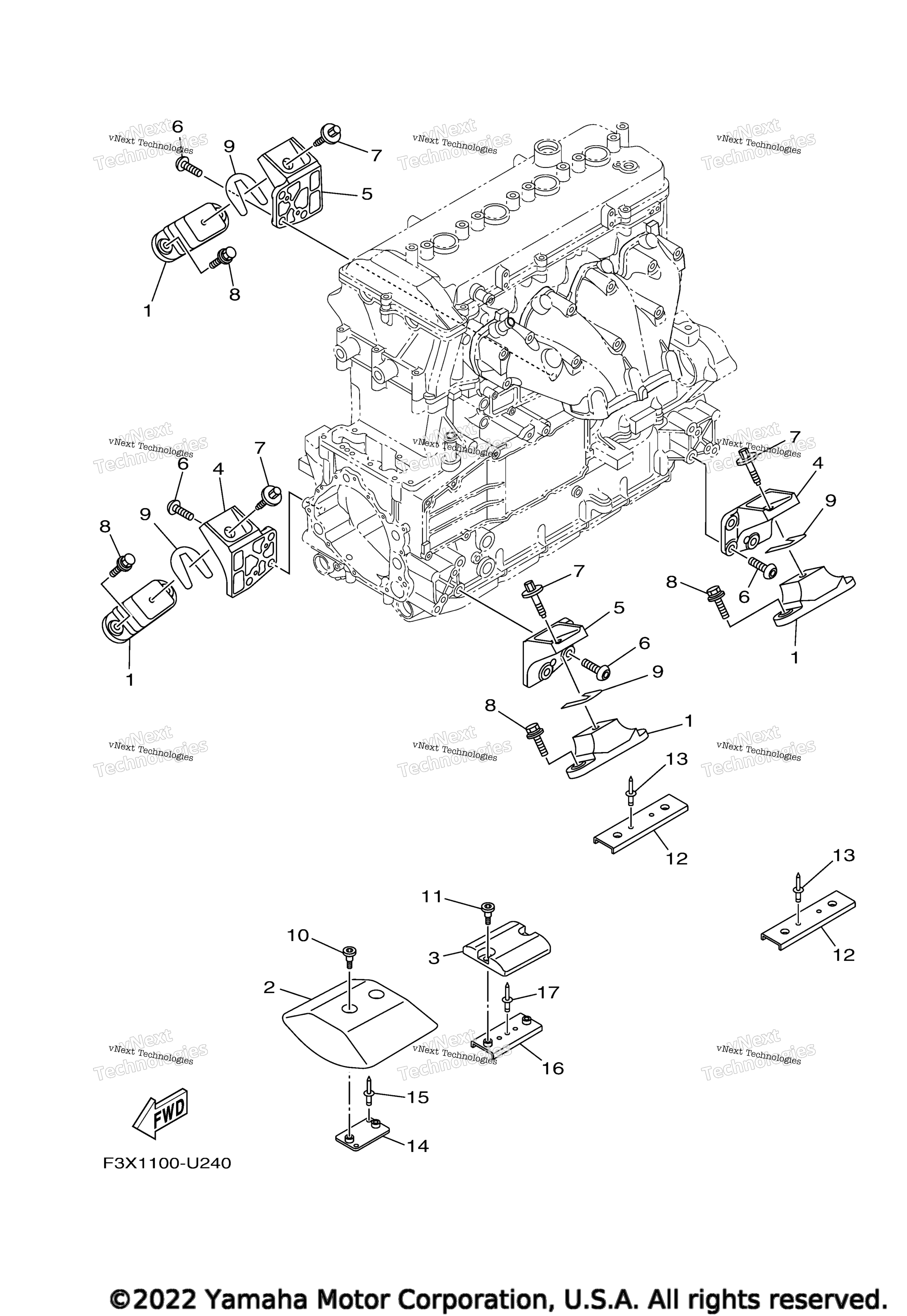
Схема
Детали
Engine Mount
Номер
Наименование детали
Цена
1
Mount Rubber art. 67X-44517-10-00
По запросу
2
Stopper, Upper Mount art. 6HL-G4532-00-00
По запросу
3
Stopper, Lower Mount Rubber art. 6BH-G4574-00-00
По запросу
4
Bracket 1 art. 6BH-41661-00-00
По запросу
5
Bracket 2 art. 6BH-41662-00-00
По запросу
6
Screw art. 90149-10052-00
По запросу
7
Bolt, With Washer art. 90119-08860-00
По запросу
8
Bolt, With Washer art. 90119-08829-00
По запросу
9
Shim (T=0.5) UN art. EU0-67354-C0-00
По запросу
9
Shim (T=0.3) UN art. EU0-67354-B0-00
По запросу
9
Shim (T=0.1) UN art. EU0-67354-A0-00
По запросу
9
Shim (T=2.0) UN art. EU0-67354-E0-00
По запросу
9
Shim (T=1.0) UN art. EU0-67354-D0-00
По запросу
10
Bolt art. 90109-06874-00
По запросу
11
Bolt art. 90109-06875-00
По запросу
Нужна консультация
Мы ответим вам на этот номер
Или укажите свою почту - и мы ответим на нее
Добавлено в корзину
Вы только что добавили в корзину:
Перейти в корзину
Вход в интернет магазин
Войти
Зарегистрироваться
Номер телефона необходим для оформления заказа
Восстановить пароль
Укажите ваш email адрес или логин и мы вышлем ссылку для восстановления пароля.