Упс, к сожалению, версия вашего браузера несовместима с сайтом. Вероятнее всего она устарела или давно не обновлялась.
Попробуйте открыть сайт atvstyle.ru с одного из поддерживаемых браузеров:
Google
Chrome
Safari
Mozilla
Firefox
Microsoft
Edge
Opera
Yandex
Browser

Ваша корзина
Ваша корзина пуста
Перейти в каталог
Личный кабинет +7 903 799 1446 +7 985 444 5566
модель 2021 года
  • Модель VX LIMITED
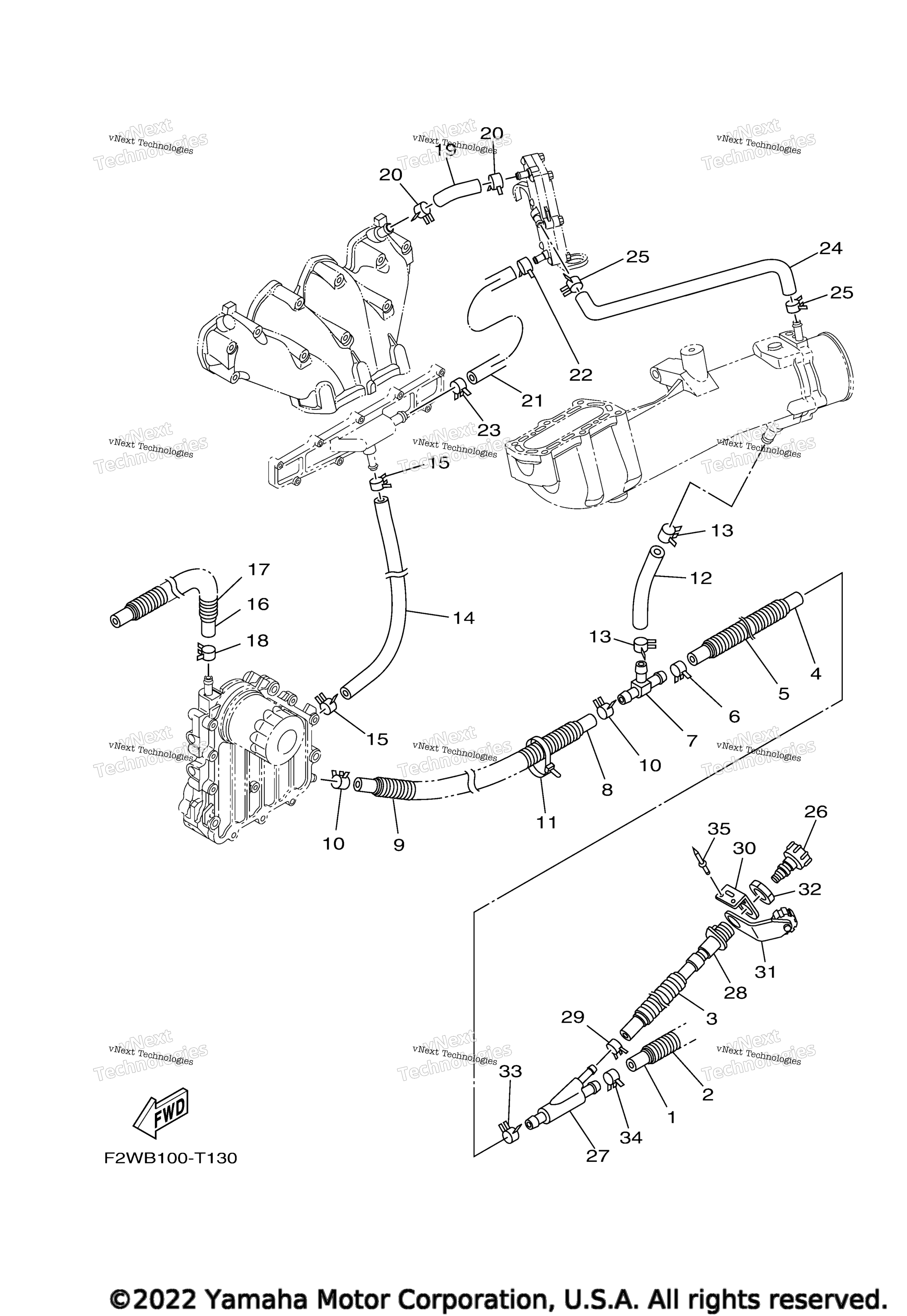
  • Схема Exhaust 2 для VX LIMITED HO (VX1800AW)

  • Код модели VX LIMITED HO (VX1800AW)
Схема
Детали
Exhaust 2
Номер
Наименование детали
Цена
1
Hose (L250) art. 90445-21806-00
По запросу
2
Tube (L200) art. 90447-22801-00
По запросу
3
Tube (L485) art. 90447-19801-00
По запросу
4
Hose 2 art. 6S5-1243E-01-00
По запросу
5
Tube art. F2T-U773D-00-00
По запросу
6
Clip art. 90467-200A3-00
По запросу
7
Joint, Hose 3 art. 6BH-12584-00-00
По запросу
8
Hose (L400) art. 90445-18012-00
По запросу
9
Tube (L260) art. 90447-19005-00
По запросу
10
Clip art. 90467-160A0-00
По запросу
11
Clamp art. 90464-35132-00
По запросу
12
Hose 6 art. 6S5-12589-01-00
По запросу
13
Clip art. 90467-200A3-00
По запросу
14
Hose 5 art. 6BH-1244H-00-00
По запросу
15
Clip art. 90467-150A1-00
По запросу
16
Hose 5 art. 6CN-12588-00-00
По запросу
17
Tube (L860) art. 90447-19021-00
По запросу
18
Clip art. 90467-160A0-00
По запросу
19
Hose 2 art. 6ET-12577-00-00
По запросу
20
Clip art. 90467-160A0-00
По запросу
21
Hose 4 art. 6ET-12579-00-00
По запросу
22
Clip art. 90467-160A0-00
По запросу
23
Clip art. 90467-170A5-00
По запросу
24
Hose 1 art. 6ET-12576-01-00
По запросу
25
Clip art. 90467-160A0-00
По запросу
26
Conduction Assy art. 67X-E2590-00-00
По запросу
27
Joint, Hose 1 art. 60E-12581-00-00
По запросу
28
Joint Assy art. 63M-12580-10-00
По запросу
29
Clip art. 90467-150A5-00
По запросу
30
Stay art. 60E-12443-00-00
По запросу
31
Cap,1 art. 6EY-84385-00-00
По запросу
32
Nut art. EU0-61652-00-00
По запросу
33
Clip art. 90467-200A3-00
По запросу
34
Clip art. 90467-200A3-00
По запросу
35
Rivet,Blind art. 90267-48938-00
По запросу
Нужна консультация
Мы ответим вам на этот номер
Или укажите свою почту - и мы ответим на нее
Добавлено в корзину
Вы только что добавили в корзину:
Перейти в корзину
Вход в интернет магазин
Войти
Зарегистрироваться
Номер телефона необходим для оформления заказа
Восстановить пароль
Укажите ваш email адрес или логин и мы вышлем ссылку для восстановления пароля.