Упс, к сожалению, версия вашего браузера несовместима с сайтом. Вероятнее всего она устарела или давно не обновлялась.
Попробуйте открыть сайт atvstyle.ru с одного из поддерживаемых браузеров:
Google
Chrome
Safari
Mozilla
Firefox
Microsoft
Edge
Opera
Yandex
Browser

Ваша корзина
Ваша корзина пуста
Перейти в каталог
Личный кабинет +7 903 799 1446 +7 985 444 5566
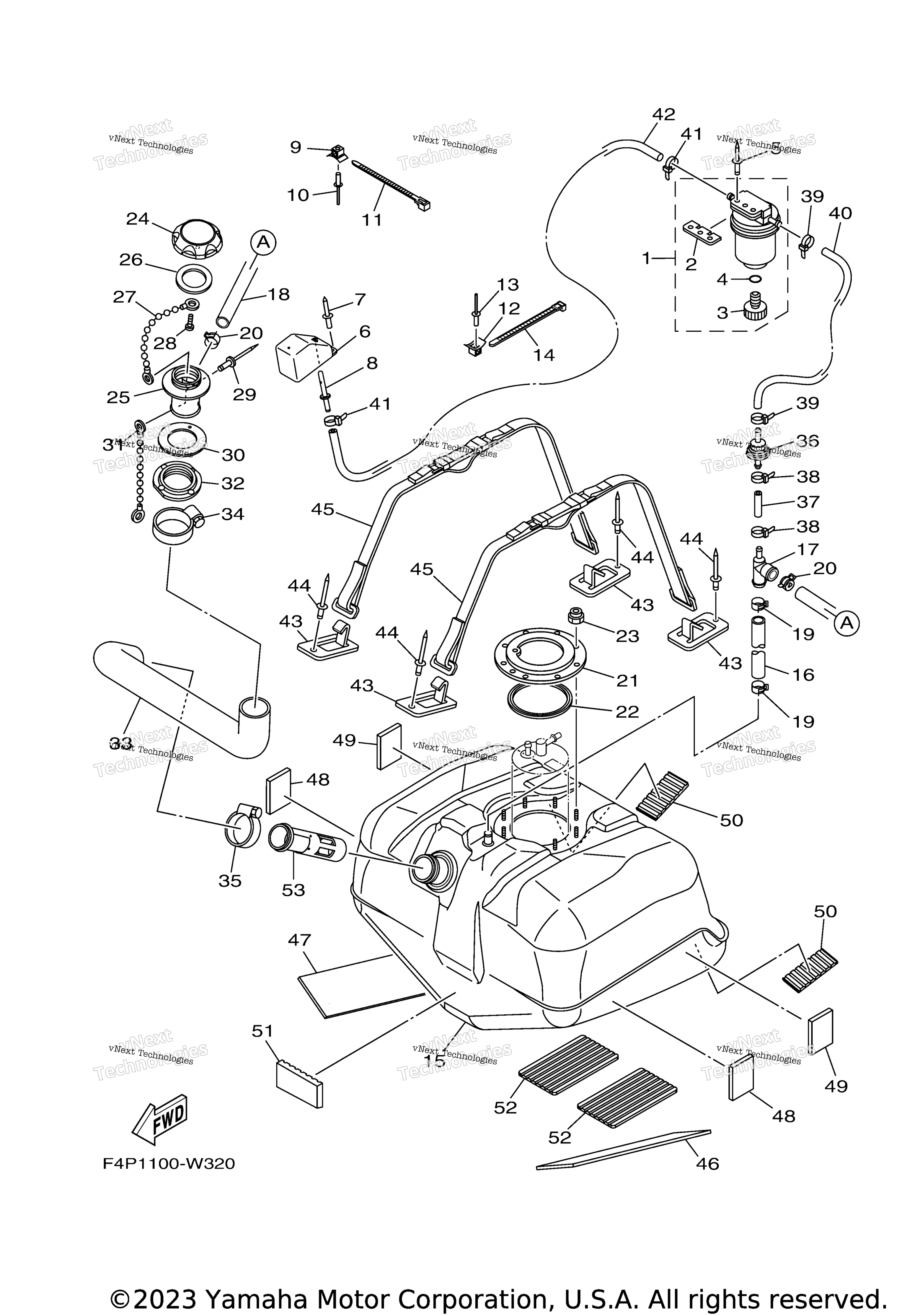
модель 2022 года
  • Модель GP1800R
  • Схема FUEL TANK для GP1800R HO_HO WITH A (GP1800DX)

  • Код модели GP1800R HO_HO WITH A (GP1800DX)
Схема
Детали
FUEL TANK
Номер
Наименование детали
Цена
1
Filter, Vent Assy art. F2F-6214A-00-00
По запросу
2
. .Plate, Filter art. EW2-62142-00-00
По запросу
3
. .Plug, Drain art. 70R-24543-00-00
По запросу
4
. .O-Ring art. 70R-24489-00-00
По запросу
5
Rivet, Blind art. 90267-489U2-00
По запросу
6
Socket, Ventilation art. GP7-62159-02-00
По запросу
7
Rivet, Blind art. 90267-489U6-00
По запросу
8
Pipe, Ventilation art. F1G-62149-00-00
По запросу
9
Base, Clamp art. F1W-U828M-00-00
По запросу
10
Заклепка Yamaha art. 90267-48806-00
от 750 ₽
OEM
Заклепка Yamaha
art. 90267-48806-00
750 ₽
Требуется 1 шт.
11
Зажим Yamaha art. 90464-32801-00
По запросу
12
Base, Clamp art. F1W-U828M-00-00
По запросу
13
Заклепка Yamaha art. 90267-48806-00
от 750 ₽
OEM
Заклепка Yamaha
art. 90267-48806-00
750 ₽
Требуется 1 шт.
14
Зажим Yamaha art. 90464-32801-00
По запросу
15
Tank, Fuel art. F4P-U7711-00-00
По запросу
16
Hose, Air Vent art. F4P-U785G-00-00
По запросу
17
Connector art. F4P-U8167-10-00
По запросу
19
Clip art. 90467-190A2-00
По запросу
21
Ring art. F1B-U7773-00-00
По запросу
22
Прокладка Yamaha art. F1B-67747-00-00
По запросу
23
Nut, Nylon art. 9572R-06300-00
По запросу
24
Cap, Fuel Filler BLACK art. F2N-U7831-10-00
По запросу
25
Socket art. GP7-U7833-11-00
По запросу
26
Packing art. GP7-U7832-01-00
По запросу
27
Chain Ball art. GP7-U7835-00-00
По запросу
28
Screw, Truss Head Tapping art. 90169-049U1-00
По запросу
29
Rivet, Blind art. 90267-329UR-00
По запросу
30
Packing Fuel Filler art. GP7-U7834-10-00
По запросу
32
Nut, Fuel Filler art. GP7-U783F-00-00
По запросу
33
Hose art. F4P-U7844-02-00
По запросу
34
Band, Hose 55 art. 90601-155U4-00
По запросу
35
Band, Hose 55 art. 90601-155U4-00
По запросу
36
Check Valve art. F3Y-U7767-00-00
По запросу
37
Hose, Air Vent 3 art. GP7-U785H-00-00
По запросу
38
Хомут Yamaha art. 90465-10098-00
от 350 ₽
OEM
Хомут Yamaha
art. 90465-10098-00
350 ₽
Требуется 2 шт.
39
Хомут Yamaha art. 90465-10098-00
от 350 ₽
OEM
Хомут Yamaha
art. 90465-10098-00
350 ₽
Требуется 2 шт.
40
Hose, Air Vent art. F1K-U785G-00-00
По запросу
41
Хомут Yamaha art. 90465-10098-00
от 350 ₽
OEM
Хомут Yamaha
art. 90465-10098-00
350 ₽
Требуется 2 шт.
42
Hose, Air Vent 3 art. F0D-U7856-10-00
По запросу
43
Hook A art. F1K-U5772-04-00
По запросу
44
Rivet,Blind art. 90267-48938-00
По запросу
45
Belt, Tank 1 art. F2S-67743-01-00
По запросу
46
Mat 1 art. F2S-U759B-00-00
По запросу
47
Mat 1 art. F2S-U759B-00-00
По запросу
48
Mat 2 art. F1W-U759C-01-00
По запросу
49
Mat 2 art. F1W-U759C-01-00
По запросу
50
Mat 2 art. F1K-U759C-00-00
По запросу
51
Mat 2 art. F1K-U759C-00-00
По запросу
52
Pad, Battery art. F1S-U8221-00-00
По запросу
53
Tube art. F4L-U773D-00-00
По запросу
Нужна консультация
Мы ответим вам на этот номер
Или укажите свою почту - и мы ответим на нее
Добавлено в корзину
Вы только что добавили в корзину:
Перейти в корзину
Вход в интернет магазин
Войти
Зарегистрироваться
Номер телефона необходим для оформления заказа
Восстановить пароль
Укажите ваш email адрес или логин и мы вышлем ссылку для восстановления пароля.