Упс, к сожалению, версия вашего браузера несовместима с сайтом. Вероятнее всего она устарела или давно не обновлялась.
Попробуйте открыть сайт atvstyle.ru с одного из поддерживаемых браузеров:
Google
Chrome
Safari
Mozilla
Firefox
Microsoft
Edge
Opera
Yandex
Browser

Ваша корзина
Ваша корзина пуста
Перейти в каталог
Личный кабинет +7 903 799 1446 +7 985 444 5566
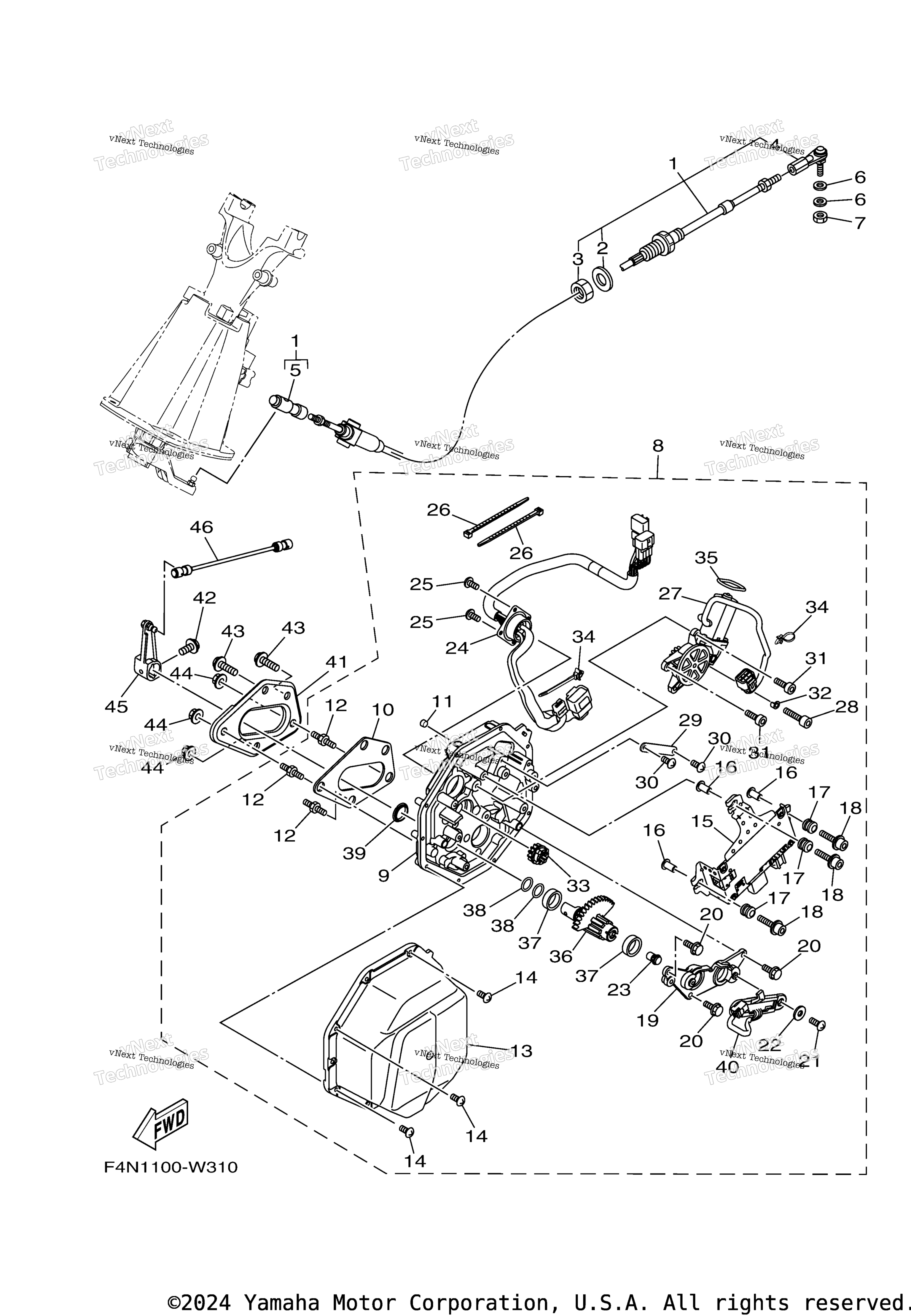
модель 2022 года
  • Модель VX CRUISER
  • Схема Control Cable для VX DELUXE WITH AUDIO (VX1050EX)

  • Код модели VX DELUXE WITH AUDIO (VX1050EX)
Схема
Детали
Control Cable
Номер
Наименование детали
Цена
1
Cable, Steering art. F4N-61481-01-00
По запросу
2
. .Packing C art. F1B-61438-00-00
По запросу
3
. .Nut art. F1B-6151S-01-00
По запросу
4
. .Stud, Joint Ball art. F1B-61461-02-00
По запросу
5
. .Ball Joint Assy art. F2N-61460-00-00
По запросу
6
Washer, Plate art. 90201-06906-00
По запросу
7
Nut art. 9538R-06700-00
По запросу
8
Motor Assy art. F4N-6140B-03-00
По запросу
9
. .Housing art. F4S-6152K-00-00
По запросу
10
. .Seal art. F4P-63262-00-00
По запросу
11
. .Plug art. F3J-613D0-00-00
По запросу
12
. .Bolt, Stud art. F3J-67369-00-00
По запросу
13
. .Cover art. F3Y-6143J-00-00
По запросу
14
. .Screw art. F3Y-68198-00-00
По запросу
15
. .Control Unit art. F4S-68197-01-00
По запросу
16
. Collar art. 90387-06119-00
По запросу
17
. Damper, Ignition Coil art. 6A0-82317-01-00
По запросу
18
. .Bolt art. F3J-613B4-20-00
По запросу
19
. .Plate art. F4P-61256-00-00
По запросу
20
. .Bolt, Hexagon art. F3J-613B3-00-00
По запросу
21
. .Screw art. F3J-68198-20-00
По запросу
22
. .Washer, Plain art. F3J-613C3-10-00
По запросу
23
. .Magnet, Sensor art. F3J-60428-00-00
По запросу
24
. .Wire Harness Assy art. F4N-68270-00-00
По запросу
25
. .Screw art. F3J-68198-00-00
По запросу
26
. .Clamp art. F3J-68273-00-00
По запросу
27
. .Motor art. F4S-68352-00-00
По запросу
28
. .Bolt art. F3J-613B4-00-00
По запросу
29
. .Plate art. F3Y-61348-00-00
По запросу
30
. .Screw art. F3J-68198-20-00
По запросу
31
. .Bolt art. F3J-613B4-10-00
По запросу
32
. .Spacer art. F3J-61492-00-00
По запросу
33
. .Gear 1 art. F4P-60211-00-00
По запросу
34
. .Clamp art. F4P-68273-00-00
По запросу
35
. .O-Ring art. F4P-613A5-10-00
По запросу
36
. .Shaft, 1 art. F3Y-60221-10-00
По запросу
37
. .Bush art. F3Y-61344-00-00
По запросу
38
. .O-Ring art. F4P-613A5-00-00
По запросу
39
. .Bush art. F4P-61344-00-00
По запросу
40
. .Sensor Angle art. F4S-85887-00-00
По запросу
41
Plate art. F4P-U8285-00-00
По запросу
42
Bolt, With Washer art. 90119-06894-00
По запросу
43
Bolt, With Washer art. 90119-08852-00
По запросу
44
Nut, Lock art. F3Y-U142L-00-00
По запросу
45
Shift Arm Assy art. F3Y-6150F-00-00
По запросу
46
Rod Assy 2 art. F3J-6150D-00-00
По запросу
Нужна консультация
Мы ответим вам на этот номер
Или укажите свою почту - и мы ответим на нее
Добавлено в корзину
Вы только что добавили в корзину:
Перейти в корзину
Вход в интернет магазин
Войти
Зарегистрироваться
Номер телефона необходим для оформления заказа
Восстановить пароль
Укажите ваш email адрес или логин и мы вышлем ссылку для восстановления пароля.