Упс, к сожалению, версия вашего браузера несовместима с сайтом. Вероятнее всего она устарела или давно не обновлялась.
Попробуйте открыть сайт atvstyle.ru с одного из поддерживаемых браузеров:
Google
Chrome
Safari
Mozilla
Firefox
Microsoft
Edge
Opera
Yandex
Browser

Ваша корзина
Ваша корзина пуста
Перейти в каталог
Личный кабинет +7 903 799 1446 +7 985 444 5566
модель 2024 года
  • Модель EX SPORT
  • Схема Steering 1 для EX SPORT (EX1050BA)

  • Код модели EX SPORT (EX1050BA)
Схема
Детали
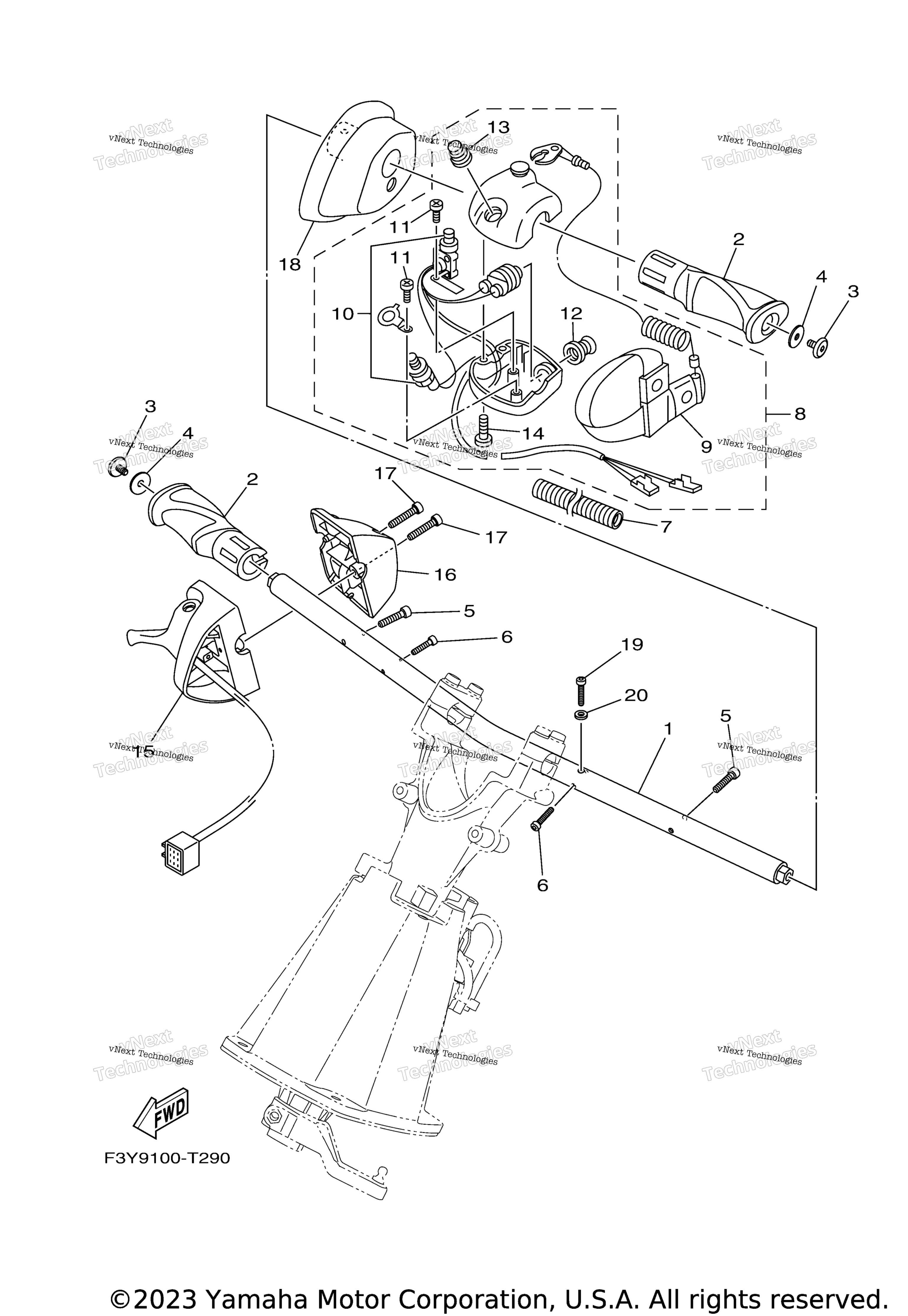
Steering 1
Номер
Наименование детали
Цена
1
Handle art. F3Y-U1552-00-00
По запросу
2
Grip, Handle FOR BLUE art. F3P-U155D-01-00
По запросу
2
Grip, Handle FOR BLACK art. F3P-U155D-11-00
По запросу
3
Bolt, Hexagon Socket Head art. 90110-06383-00
По запросу
4
Washer, Plate art. 90201-068G0-00
По запросу
5
Bolt art. F2S-U1516-00-00
По запросу
6
Bolt art. 91380-04030-00
По запросу
7
Tube art. F3Y-U773D-00-00
По запросу
8
Switch Box Assy art. F3Y-68310-00-00
По запросу
9
Чека предохранительная Yamaha art. EW2-68348-00-00
от 4 960 ₽
OEM
4 960 ₽
Требуется 1 шт.
10
. .Switch Sub Assy art. GA7-68310-01-00
По запросу
11
. .Screw, Pan Head art. 98580-03008-00
По запросу
12
. .Stop Button Comp art. FK7-68312-02-00
По запросу
13
. .Start Button Comp art. FK7-68313-02-00
По запросу
14
. .Screw, Pan Head art. 98580-05525-00
По запросу
15
Throttle Lever Comp art. 6CS-14305-13-00
По запросу
16
Case art. 6EX-82154-00-00
По запросу
17
Bolt, Throttle art. 6CS-6725F-00-00
По запросу
18
Spacer art. F3Y-U143G-00-00
По запросу
19
Bolt art. 91380-04030-00
По запросу
20
Washer, Plate art. 90201-04810-00
По запросу
Нужна консультация
Мы ответим вам на этот номер
Или укажите свою почту - и мы ответим на нее
Добавлено в корзину
Вы только что добавили в корзину:
Перейти в корзину
Вход в интернет магазин
Войти
Зарегистрироваться
Номер телефона необходим для оформления заказа
Восстановить пароль
Укажите ваш email адрес или логин и мы вышлем ссылку для восстановления пароля.