Упс, к сожалению, версия вашего браузера несовместима с сайтом. Вероятнее всего она устарела или давно не обновлялась.
Попробуйте открыть сайт atvstyle.ru с одного из поддерживаемых браузеров:
Google
Chrome
Safari
Mozilla
Firefox
Microsoft
Edge
Opera
Yandex
Browser

Ваша корзина
Ваша корзина пуста
Перейти в каталог
Личный кабинет +7 903 799 1446 +7 985 444 5566
модель 2024 года
  • Модель FX SVHO
  • Схема OIL PUMP для FX LIMITED SVHO (FX1800AA)

  • Код модели FX LIMITED SVHO (FX1800AA)
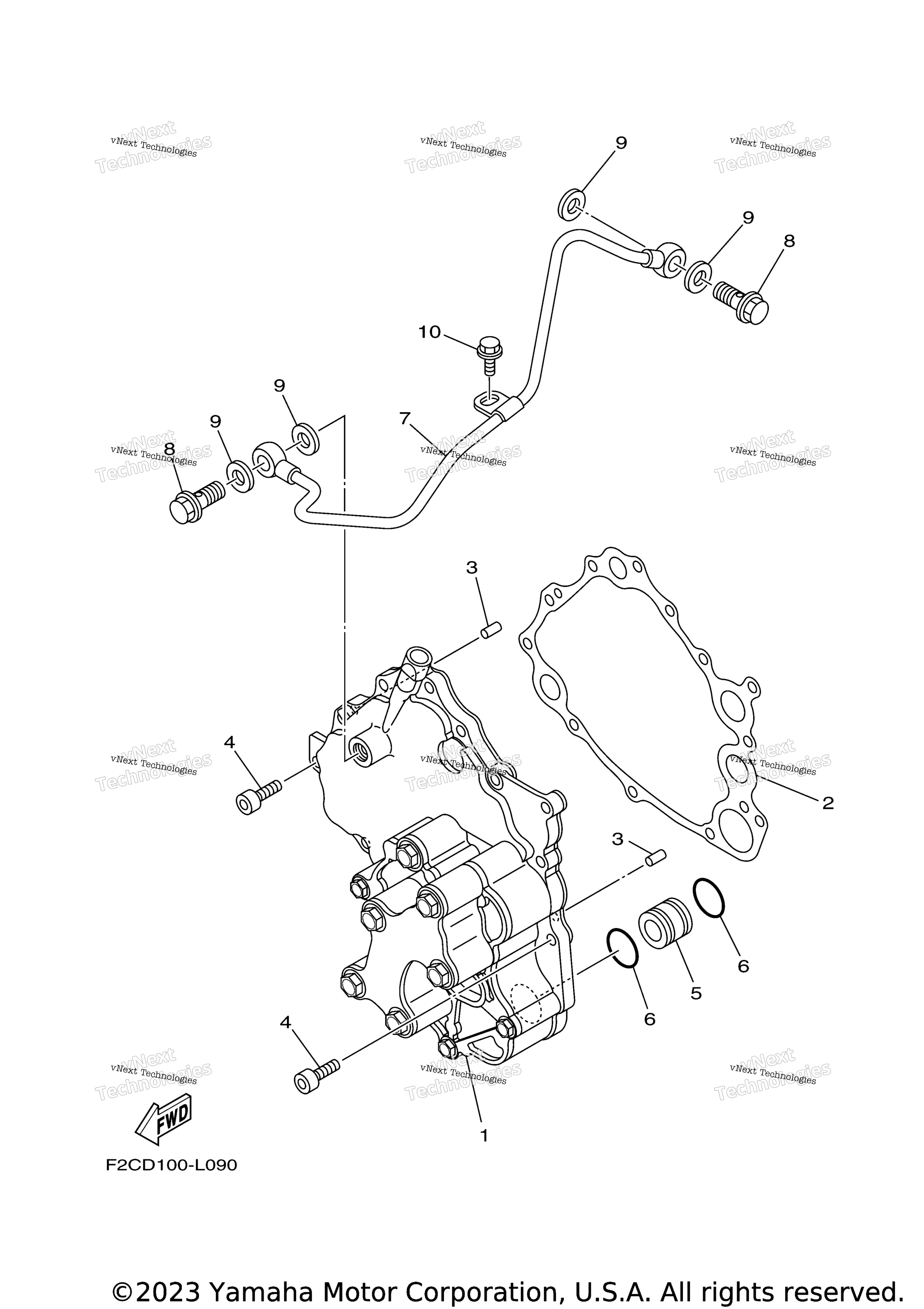
Схема
Детали
OIL PUMP
Номер
Наименование детали
Цена
1
Oil Pump Assy art. 6S5-13300-22-00
По запросу
2
Прокладка крышки масляного насоса Yamaha art. 6S5-13563-00-00
от 1 560 ₽
3
Pin, Dowel art. 93606-12019-00
По запросу
4
Болт Yamaha art. 91314-06020-00
от 250 ₽
OEM
Болт Yamaha
art. 91314-06020-00
250 ₽
Требуется 12 шт.
5
Connector art. 6S5-13446-10-00
По запросу
6
Кольцо резиновое Yamaha art. 93210-21631-00
По запросу
7
Pipe, Oil 1 art. 6HL-13416-00-00
По запросу
8
Bolt, Union art. 90401-10040-00
По запросу
9
.Gasket art. 90430-10007-00
По запросу
10
Bolt, Flange D/R (Small Head) art. 95E33-06012-00
По запросу
Нужна консультация
Мы ответим вам на этот номер
Или укажите свою почту - и мы ответим на нее
Добавлено в корзину
Вы только что добавили в корзину:
Перейти в корзину
Вход в интернет магазин
Войти
Зарегистрироваться
Номер телефона необходим для оформления заказа
Восстановить пароль
Укажите ваш email адрес или логин и мы вышлем ссылку для восстановления пароля.