Упс, к сожалению, версия вашего браузера несовместима с сайтом. Вероятнее всего она устарела или давно не обновлялась.
Попробуйте открыть сайт atvstyle.ru с одного из поддерживаемых браузеров:
Google
Chrome
Safari
Mozilla
Firefox
Microsoft
Edge
Opera
Yandex
Browser

Ваша корзина
Ваша корзина пуста
Перейти в каталог
Личный кабинет +7 903 799 1446 +7 985 444 5566
модель 2024 года
  • Модель VX
  • Схема Steering 1 для VX (VX1050FA)

  • Код модели VX (VX1050FA)
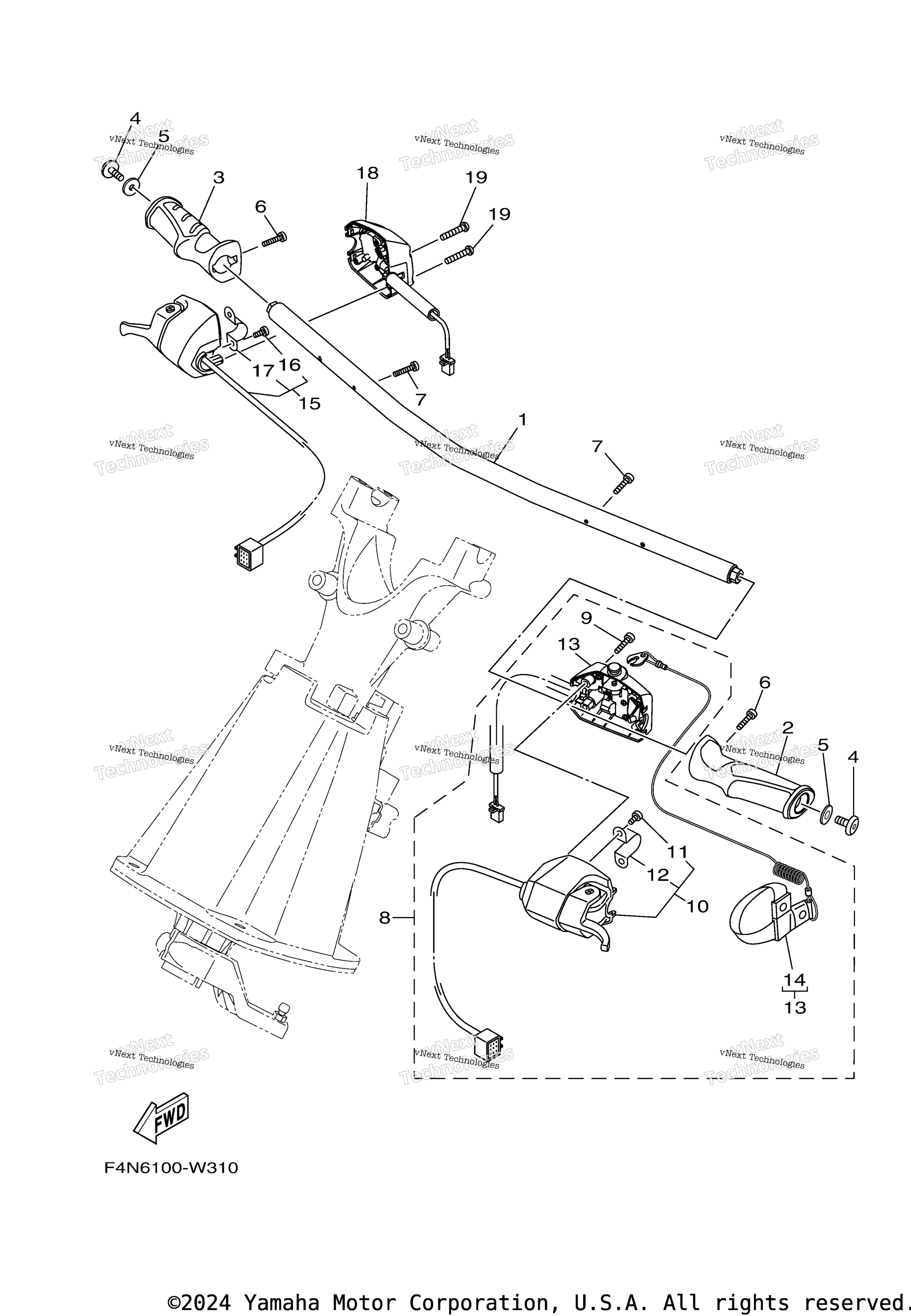
Схема
Детали
Steering 1
Номер
Наименование детали
Цена
1
Handle art. F4N-U1552-00-00
По запросу
2
Grip,Handle art. F4P-U155C-00-00
По запросу
3
Grip, Handle art. F4P-U155D-00-00
По запросу
4
Bolt, Hexagon Socket Head art. 90110-06383-00
По запросу
5
Washer, Plate art. 90201-068G0-00
По запросу
6
Bolt art. F2S-U1516-00-00
По запросу
7
Bolt art. 91380-04030-00
По запросу
8
Switch Box Assy art. F4P-68310-24-00
По запросу
9
. Bolt, Throttle art. 6CS-6725F-00-00
По запросу
10
. .Shift Lever Assy art. F4P-26411-12-00
По запросу
11
. . .Bolt, Throttle art. F4P-6725F-00-00
По запросу
12
. . .Support art. F4P-61368-00-00
По запросу
13
. .Switch Assy art. F4P-8259E-32-00
По запросу
14
Чека предохранительная Yamaha art. EW2-68348-00-00
от 4 960 ₽
OEM
4 960 ₽
Требуется 1 шт.
15
Throttle Lever Comp art. F4P-14305-12-00
По запросу
16
. .Bolt, Throttle art. F4P-6725F-00-00
По запросу
17
. .Support art. F4P-61368-00-00
По запросу
18
Switch Assy art. F4P-81860-12-00
По запросу
19
Bolt, Throttle art. 6CS-6725F-00-00
По запросу
Нужна консультация
Мы ответим вам на этот номер
Или укажите свою почту - и мы ответим на нее
Добавлено в корзину
Вы только что добавили в корзину:
Перейти в корзину
Вход в интернет магазин
Войти
Зарегистрироваться
Номер телефона необходим для оформления заказа
Восстановить пароль
Укажите ваш email адрес или логин и мы вышлем ссылку для восстановления пароля.