Упс, к сожалению, версия вашего браузера несовместима с сайтом. Вероятнее всего она устарела или давно не обновлялась.
Попробуйте открыть сайт atvstyle.ru с одного из поддерживаемых браузеров:
Google
Chrome
Safari
Mozilla
Firefox
Microsoft
Edge
Opera
Yandex
Browser

Ваша корзина
Ваша корзина пуста
Перейти в каталог
Личный кабинет +7 903 799 1446 +7 985 444 5566
модель 2021 года
  • Модель V star 250
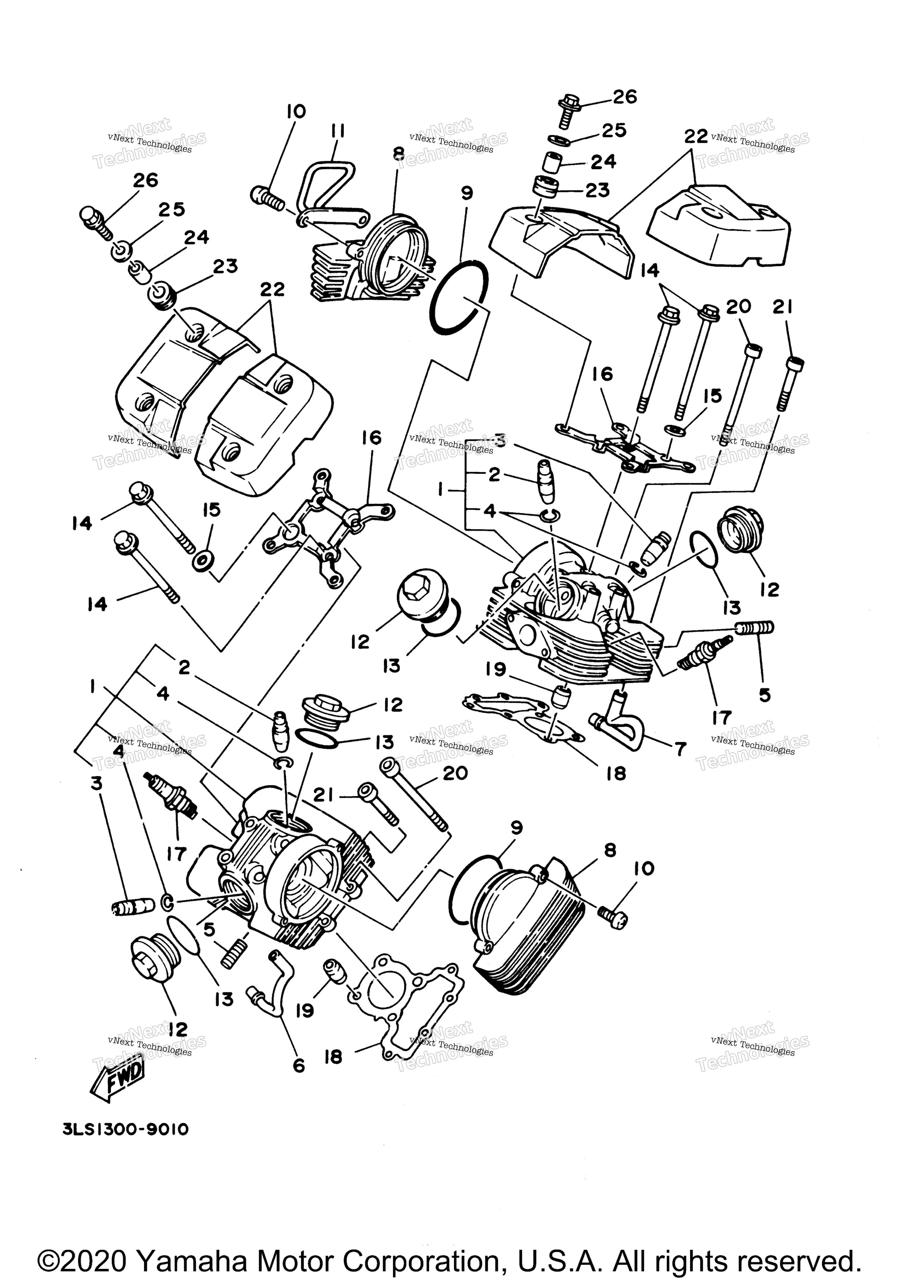
  • Схема CYLINDER HEAD для V STAR 250 (XV250M1C) CA

  • Код модели V STAR 250 (XV250M1C) CA
Схема
Детали
CYLINDER HEAD
Номер
Наименование детали
Цена
1
Cylinder Head Assy art. 3BG-11102-01-00
По запросу
2
. .Guide, Valve 1 art. 2UJ-11133-10-00
По запросу
3
Направляющая клапана Yamaha art. 22F-11134-10-00
По запросу
4
. .Circlip art. 93440-10109-00
По запросу
5
Bolt, Stud art. 90116-06036-00
По запросу
6
Pipe 1 art. 3BG-14871-00-00
По запросу
7
Pipe 2 art. 3BG-14872-00-00
По запросу
8
Cover, Cylinder Head Side 3 art. 2UJ-11185-01-00
По запросу
9
Уплотнительное кольцо Yamaha art. 93210-78544-00
от 1 230 ₽
OEM
1 230 ₽
Требуется 2 шт.
10
Screw, Pan Head art. 98517-06025-00
По запросу
11
Bracket, Cylinder Head Cover art. 2UJ-11152-00-00
По запросу
12
Cover, Cylinder Head Side 2 art. 22F-11186-10-00
По запросу
13
Прокладка крышки ГБЦ Yamaha , 93210-44398-00, 93210-44889-00, 93210-448C2-00, 93210-448G4-00 art. 93210-44704-00
от 50 ₽
14
Bolt, Flange art. 90105-08181-00
По запросу
15
Washer, Plate art. 90201-080L7-00
По запросу
16
Bracket, Cylinder Head Cover 2 art. 2UJ-11142-01-00
По запросу
17
Plug, Spark (Ngk C6hsa) UR art. C6H-SA000-00-00
По запросу
17
Plug, Spark (Nd U20fs-U) UR art. 94701-00257-00
По запросу
18
Gasket, Cylinder Head 1 art. 2UJ-11181-01-00
По запросу
19
Палец Yamaha art. 99530-10114-00
от 310 ₽
OEM
Палец Yamaha
art. 99530-10114-00
310 ₽
Требуется 4 шт.
20
Bolt,Hex.Socket Head art. 91317-06110-00
По запросу
21
Болт Yamaha art. 91317-06040-00
от 350 ₽
OEM
Болт Yamaha
art. 91317-06040-00
350 ₽
Требуется 4 шт.
22
Cover, Cylinder Head Side 2 art. 3DM-11186-01-00
По запросу
23
Втулка резиновая Yamaha art. 90480-13018-00
от 350 ₽
OEM
350 ₽
Требуется 8 шт.
24
Collar art. 90387-06043-00
По запросу
25
.Washer, Plate art. 90201-063J2-00
По запросу
26
Bolt, Flange (Small Head) art. 95024-06020-00
По запросу
Нужна консультация
Мы ответим вам на этот номер
Или укажите свою почту - и мы ответим на нее
Добавлено в корзину
Вы только что добавили в корзину:
Перейти в корзину
Вход в интернет магазин
Войти
Зарегистрироваться
Номер телефона необходим для оформления заказа
Восстановить пароль
Укажите ваш email адрес или логин и мы вышлем ссылку для восстановления пароля.