Упс, к сожалению, версия вашего браузера несовместима с сайтом. Вероятнее всего она устарела или давно не обновлялась.
Попробуйте открыть сайт atvstyle.ru с одного из поддерживаемых браузеров:
Google
Chrome
Safari
Mozilla
Firefox
Microsoft
Edge
Opera
Yandex
Browser

Ваша корзина
Ваша корзина пуста
Перейти в каталог
Личный кабинет +7 903 799 1446 +7 985 444 5566
модель 2021 года
  • Модель XT250
  • Схема FRONT MASTER CYLINDER для XT250 (XT250MC) CA

  • Код модели XT250 (XT250MC) CA
Схема
Детали
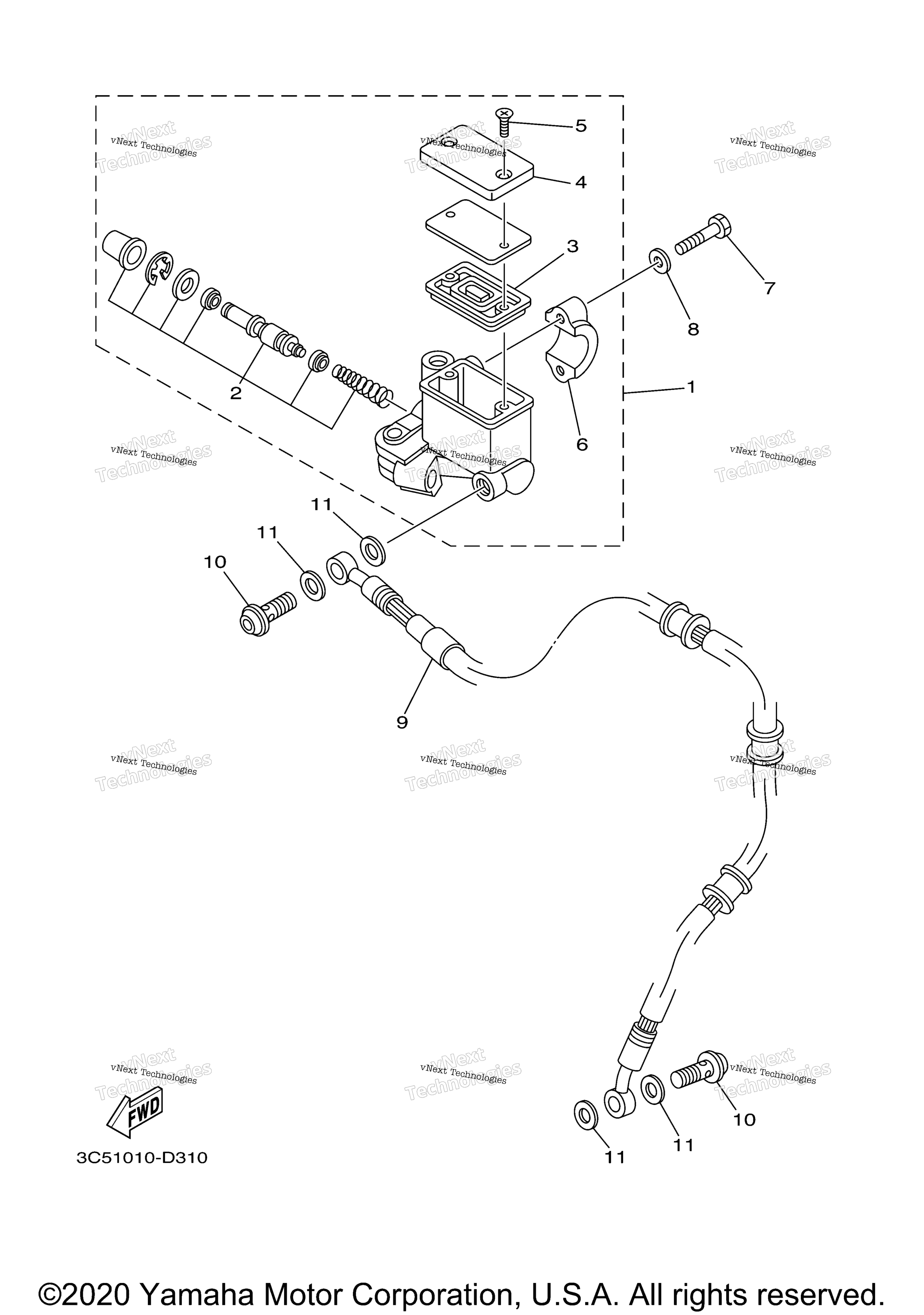
FRONT MASTER CYLINDER
Номер
Наименование детали
Цена
1
Master Cylinder Assy art. 5XT-2583T-00-00
По запросу
2
Ремкомплект переднего тормозного цилиндра Yamaha art. 5XT-W0041-00-00
По запросу
3
. .Diaphragm, Reservoir art. 55U-25854-00-00
По запросу
4
. .Cap, Reservoir art. 3GM-25852-22-00
По запросу
5
Винт плоская головка Yamaha art. 98707-04012-00
от 350 ₽
OEM
350 ₽
Требуется 2 шт.
6
. .Bracket, Master Cylinder art. 56A-25867-00-00
По запросу
7
Bolt art. 97017-06025-00
По запросу
8
Шайба Yamaha art. 92907-06600-00
от 210 ₽
OEM
Шайба Yamaha
art. 92907-06600-00
210 ₽
Требуется 2 шт.
9
Hose, Brake 1 art. 3C5-25872-00-00
По запросу
10
Bolt, Union art. 90401-10172-00
По запросу
11
Gasket art. 90430-10005-00
По запросу
Нужна консультация
Мы ответим вам на этот номер
Или укажите свою почту - и мы ответим на нее
Добавлено в корзину
Вы только что добавили в корзину:
Перейти в корзину
Вход в интернет магазин
Войти
Зарегистрироваться
Номер телефона необходим для оформления заказа
Восстановить пароль
Укажите ваш email адрес или логин и мы вышлем ссылку для восстановления пароля.