Упс, к сожалению, версия вашего браузера несовместима с сайтом. Вероятнее всего она устарела или давно не обновлялась.
Попробуйте открыть сайт atvstyle.ru с одного из поддерживаемых браузеров:
Google
Chrome
Safari
Mozilla
Firefox
Microsoft
Edge
Opera
Yandex
Browser

Ваша корзина
Ваша корзина пуста
Перейти в каталог
Личный кабинет +7 903 799 1446 +7 985 444 5566
модель 2022 года
  • Модель PW50
  • Схема STEERING HANDLE & CABLE для PW50 (PW50N2)

  • Код модели PW50 (PW50N2)
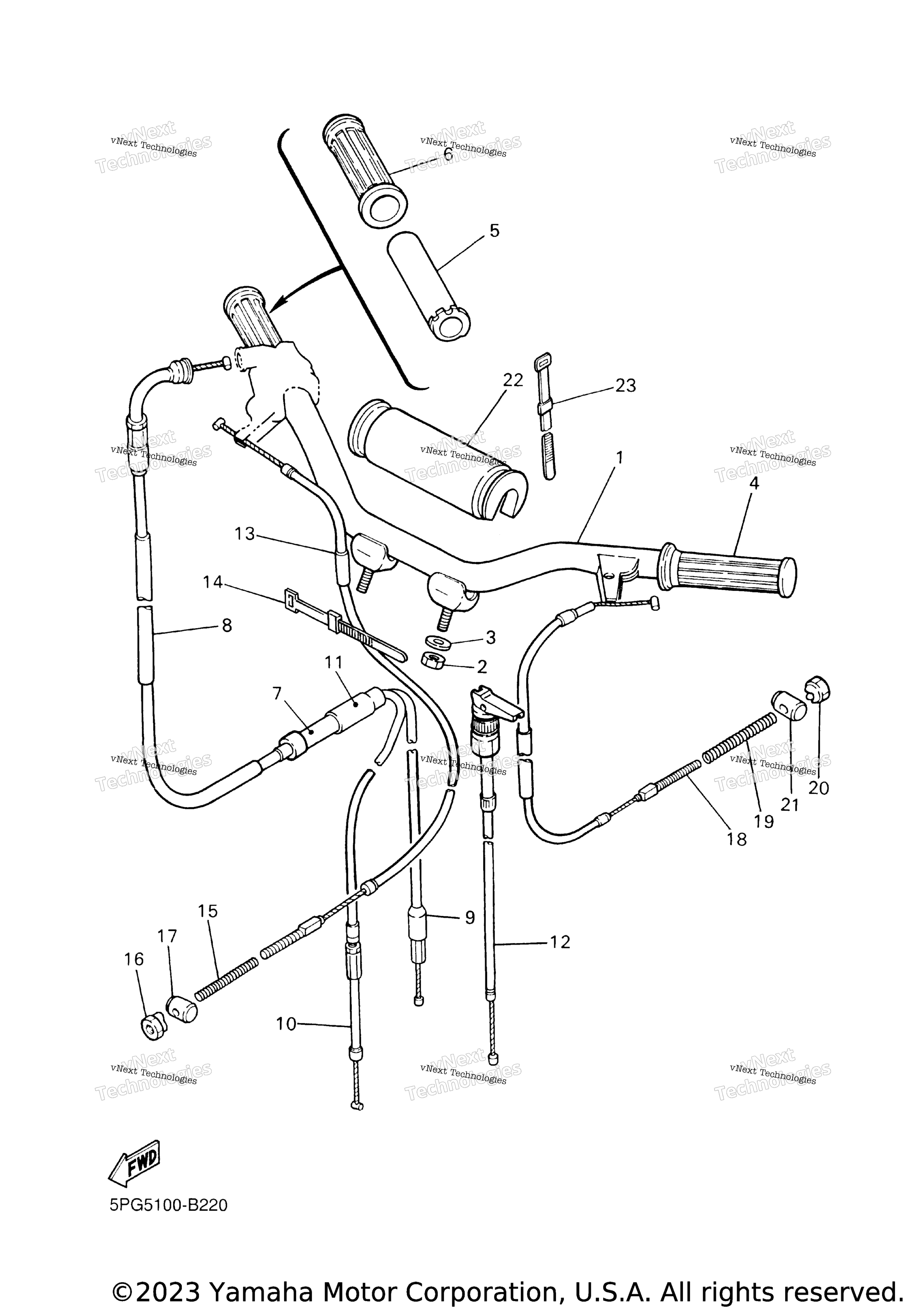
Схема
Детали
STEERING HANDLE & CABLE
Номер
Наименование детали
Цена
1
Handlebar art. 3PT-26111-00-00
По запросу
2
Nut, U art. 95617-08100-00
По запросу
3
Washer art. 2E9-26129-00-00
По запросу
4
Grip art. 4X4-26241-00-00
По запросу
5
Tube, Throttle Guide art. 4X4-26243-00-00
По запросу
6
Grip (Right) art. 4X4-26242-00-00
По запросу
7
Connector, Cable art. 4U1-26261-00-00
По запросу
8
Трос газа Yamaha art. 4X4-26311-11-00
По запросу
9
Трос газа Yamaha art. 5PG-26312-00-00
По запросу
10
Cable, Pump art. 4X4-26321-10-00
По запросу
11
Cap art. 5L6-26272-00-00
По запросу
12
Трос подсоса Yamaha art. 4X4-26331-01-00
По запросу
13
Wire, Brake 1 art. 3PT-26341-00-00
По запросу
14
Band, Switch Cord art. 437-83936-11-00
По запросу
15
Spring, Compression art. 90501-10513-00
По запросу
16
Nut art. 90179-06411-00
По запросу
17
Pin art. 90249-12008-00
По запросу
18
Cable, Brake art. 4X4-26351-10-00
По запросу
19
Spring, Compression art. 90501-10074-00
По запросу
20
Nut art. 90179-06411-00
По запросу
21
Pin art. 90249-12008-00
По запросу
22
Protector, Handlebar art. 36R-26124-10-00
По запросу
23
Band, Switch Cord art. 437-83936-11-00
По запросу
Нужна консультация
Мы ответим вам на этот номер
Или укажите свою почту - и мы ответим на нее
Добавлено в корзину
Вы только что добавили в корзину:
Перейти в корзину
Вход в интернет магазин
Войти
Зарегистрироваться
Номер телефона необходим для оформления заказа
Восстановить пароль
Укажите ваш email адрес или логин и мы вышлем ссылку для восстановления пароля.