Упс, к сожалению, версия вашего браузера несовместима с сайтом. Вероятнее всего она устарела или давно не обновлялась.
Попробуйте открыть сайт atvstyle.ru с одного из поддерживаемых браузеров:
Google
Chrome
Safari
Mozilla
Firefox
Microsoft
Edge
Opera
Yandex
Browser

Ваша корзина
Ваша корзина пуста
Перейти в каталог
Личный кабинет +7 903 799 1446 +7 985 444 5566
модель 2022 года
  • Модель TT-R110
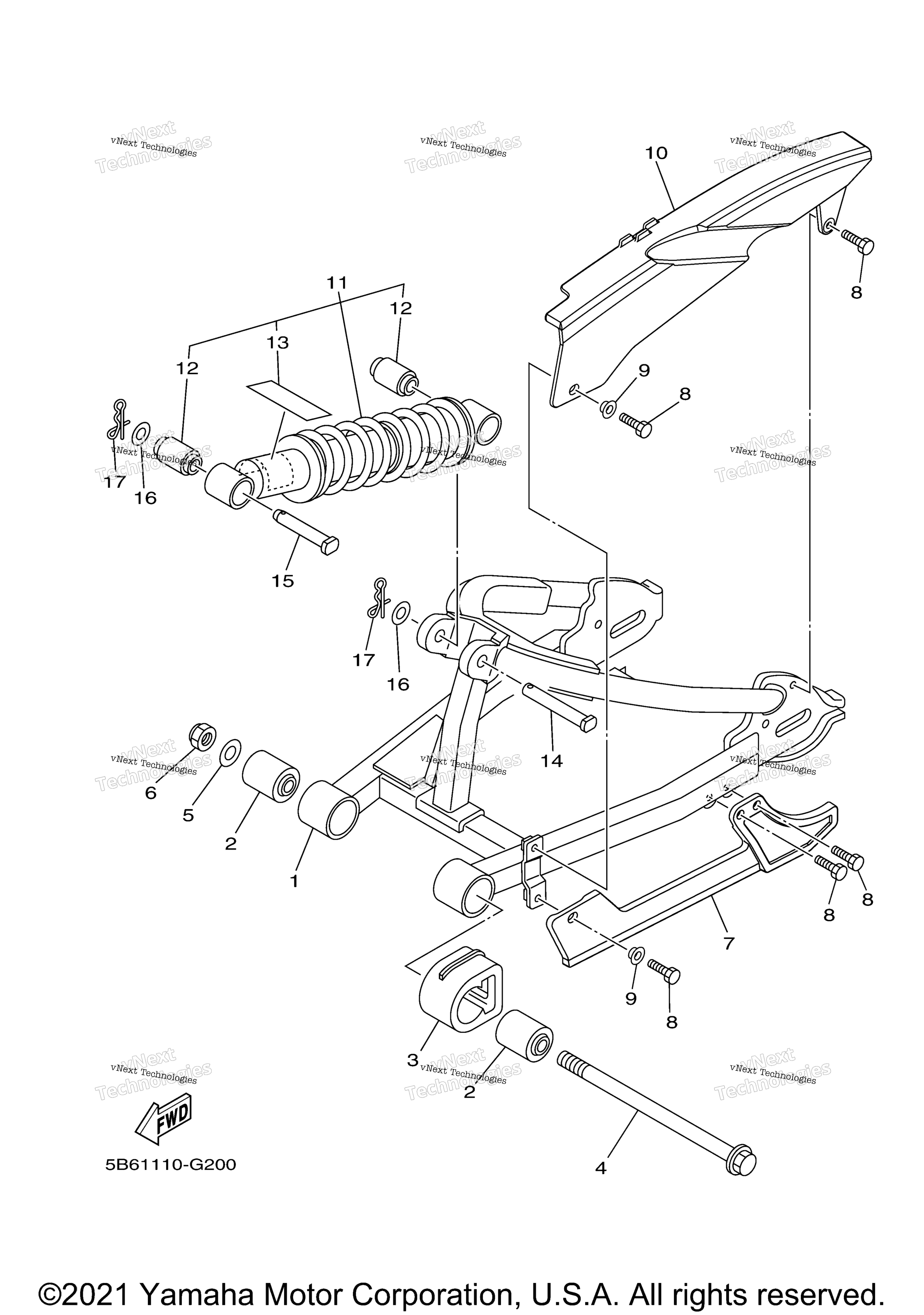
  • Схема REAR ARM & SUSPENSION для TTR110E (TTR110ENC) CA

  • Код модели TTR110E (TTR110ENC) CA
Схема
Детали
REAR ARM & SUSPENSION
Номер
Наименование детали
Цена
1
Rear Arm Comp SL art. 5B6-22110-00-00
По запросу
2
Bush 1 art. 5B6-22123-00-00
По запросу
3
Seal, Guard art. 5B6-22151-00-00
По запросу
4
Bolt, Flange art. 90105-12026-00
По запросу
5
Шайба Yamaha art. 90201-127J6-00
от 940 ₽
OEM
Шайба Yamaha
art. 90201-127J6-00
940 ₽
Требуется 1 шт.
6
Nut, U art. 95617-12100-00
По запросу
7
Support, Chain art. 5B6-22199-01-00
По запросу
8
Bolt, Hexagon art. 97027-05014-00
По запросу
9
Collar art. 90387-05021-00
По запросу
10
Case, Chain art. 5B6-22311-01-00
По запросу
11
Shock Absorber Assy, Rear art. B51-22210-00-00
По запросу
12
. .Bush, Rear Shock Absorber art. 3M7-22216-00-00
По запросу
13
. .Label, Warning art. 4AA-22259-80-00
По запросу
14
Pin, Clevis art. 90240-10072-00
По запросу
15
Pin, Clevis art. 90240-10069-00
По запросу
16
Washer, Plate art. 90201-106H5-00
По запросу
17
Clip art. 90468-20196-00
По запросу
Нужна консультация
Мы ответим вам на этот номер
Или укажите свою почту - и мы ответим на нее
Добавлено в корзину
Вы только что добавили в корзину:
Перейти в корзину
Вход в интернет магазин
Войти
Зарегистрироваться
Номер телефона необходим для оформления заказа
Восстановить пароль
Укажите ваш email адрес или логин и мы вышлем ссылку для восстановления пароля.