модель 2018 года
Запчасти для DS 250
- Код модели DS 250
- Модель DS250
Запутались с подбором запчастей?
Наши специалисты помогут вам с этим
AIR CLEANER
Air Injection System North America
Balance Shaft
Body And Accessories, Front View North America
Breather And Timing Chain
CARBURETOR
Cooling System
Crankshaft And Pistons
Cvt Cover
CYLINDER
Cylinder Head Cover
Cylinder Head International
Cylinder Head North America
Drive Pulley
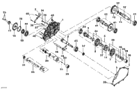
DRIVE SHAFT
Driven Pulley
Electrical Components International
Electrical Components North America
Engine
Exhaust System International
Exhaust System North America
Frame International
Front Brake Europe, International
Front Brake North America
Front Bumper And Footrests North America, International
Front Fender International
Front Fender North America
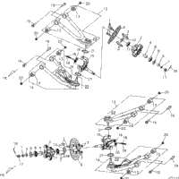
Front Suspension North America
Fuel System
Gear Box
Gear Shift
Handlebar North America, International
Headlights North America, International
Hitch
Left Crankcase Half
Magneto
Magneto Cover And Water Pump
Mirrors And Tools
OIL PUMP
REAR BRAKE
Rear Fender International
Rear Fender North America
Rear Frame North America, International
Rear Reflectors North America, International
Rear Swing Arm North America
Right Crankcase Half
SEAT
Shocks
Steering Linkage Europe, International
Steering Linkage North America
WHEELS AND TIRES