Упс, к сожалению, версия вашего браузера несовместима с сайтом. Вероятнее всего она устарела или давно не обновлялась.
Попробуйте открыть сайт atvstyle.ru с одного из поддерживаемых браузеров:
Google
Chrome
Safari
Mozilla
Firefox
Microsoft
Edge
Opera
Yandex
Browser

Ваша корзина
Ваша корзина пуста
Перейти в каталог
Личный кабинет +7 903 799 1446 +7 985 444 5566
модель 2002 года
  • Модель GTI
  • Схема Cooling System для GTI LE, 5560/5561/6117

  • Код модели GTI LE, 5560/5561/6117
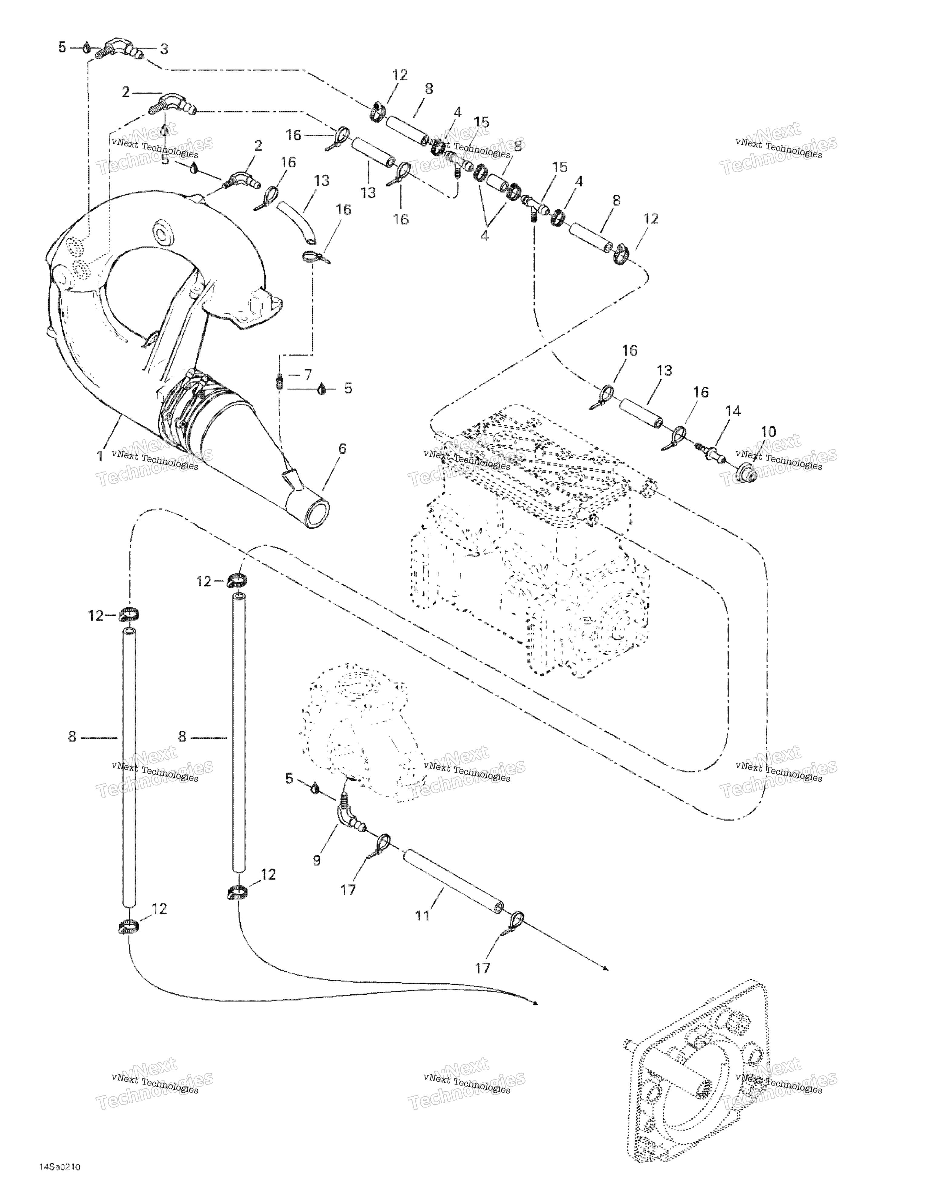
Схема
Детали
Cooling System
Номер
Наименование детали
Цена
1
Tuned Pipe Ass‘Y art. 274000980
По запросу
2
Elbow Fitting 90° art. 293710018
По запросу
3
Elbow Fitting 90° art. 293700023
По запросу
4
Хомут BRP art. 293650012
По запросу
5
Was 293800013 Loctite 56765 art. 219704454
По запросу
6
Exhaust Cone Ass’Y Includes 6 - 7. art. 274001093
По запросу
7
Male Connector art. 293710037
По запросу
8
Was 276000001 Hose 12.5 mm art. 219704394
По запросу
9
Elbow Fitting art. 293700016
По запросу
10
Уплотнитель BRP art. 293720029
По запросу
11
Polyurethane Hose 8 MM 3000MM Long art. 219704412
По запросу
12
Хомут art. 293650172
от 450 ₽
OEM
Хомут
art. 293650172
450 ₽
Требуется 6 шт.
13
Hose 6 Mm 15000Mm Long art. 219704360
По запросу
14
Straight Fitting art. 293710039
По запросу
15
T-Fitting art. 293710052
По запросу
16
Хомут пластиковый BRP art. 293750001
от 160 ₽
OEM
160 ₽
Требуется 6 шт.
17
Стяжка 142 мм BRP art. 293750002
По запросу
Нужна консультация
Мы ответим вам на этот номер
Или укажите свою почту - и мы ответим на нее
Добавлено в корзину
Вы только что добавили в корзину:
Перейти в корзину
Вход в интернет магазин
Войти
Зарегистрироваться
Номер телефона необходим для оформления заказа
Восстановить пароль
Укажите ваш email адрес или логин и мы вышлем ссылку для восстановления пароля.