Упс, к сожалению, версия вашего браузера несовместима с сайтом. Вероятнее всего она устарела или давно не обновлялась.
Попробуйте открыть сайт atvstyle.ru с одного из поддерживаемых браузеров:
Google
Chrome
Safari
Mozilla
Firefox
Microsoft
Edge
Opera
Yandex
Browser

Ваша корзина
Ваша корзина пуста
Перейти в каталог
Личный кабинет +7 903 799 1446 +7 985 444 5566
модель 2002 года
  • Модель GTI
  • Схема Steering System для GTI LE, 5560/5561/6117

  • Код модели GTI LE, 5560/5561/6117
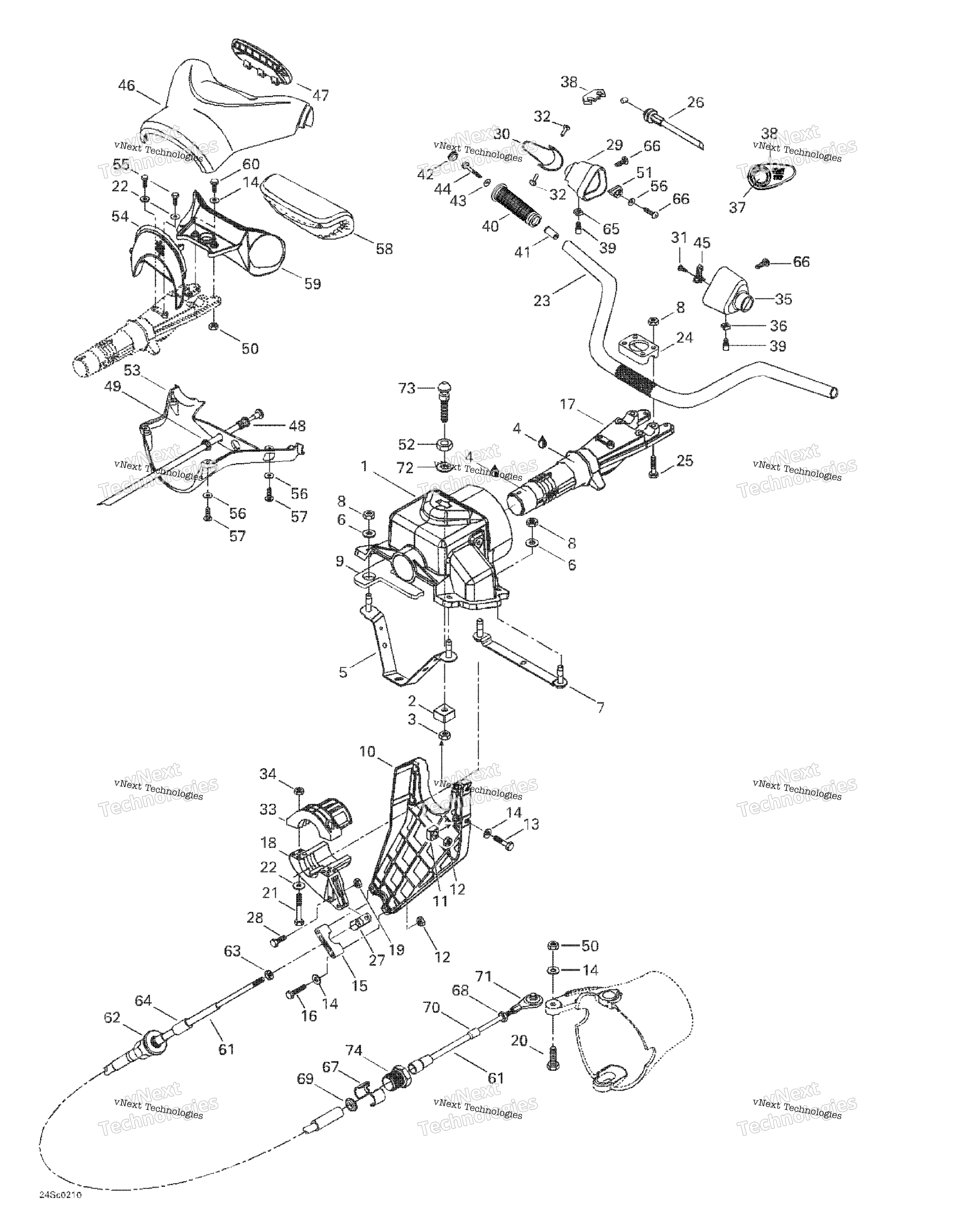
Схема
Детали
Steering System
Номер
Наименование детали
Цена
1
Опора рулевого управления стальная BRP art. 277001471
По запросу
2
NUT HOUSING ASS’Y Includes 2 - 3. art. 271000598
По запросу
3
HEX. ELASTIC NUT M10 art. 232501600
По запросу
4
Смазка синтетическая для водомета Sea Doo art. 293550010
от 3 400 ₽
5
Collector Support art. 291001614
По запросу
6
Шайба 8 мм Can Am art. 234081600
от 160 ₽
OEM
160 ₽
Требуется 4 шт.
7
Steering Support art. 277001000
По запросу
8
Elastic Stop Nut M8 art. 232581600
По запросу
9
Gasket art. 293250171
По запросу
10
CABLE SUPPORT Includes 10 - 12. art. 277000516
По запросу
11
Гайка 6 мм BRP art. 269500252
По запросу
12
Гайка Can Am art. 232561600
от 250 ₽
OEM
Гайка Can Am
art. 232561600
250 ₽
Требуется 5 шт.
13
Болт BRP art. 207162060
По запросу
14
Шайба BRP DIN.125A-A2 М6 art. 234061600
от 110 ₽
OEM
110 ₽
Требуется 8 шт.
15
Стальной опорный кронштейн BRP art. 277001528
По запросу
16
Hex. Screw M6 X 50 art. 207065060
По запросу
17
Steering Stem art. 277000562400
По запросу
18
Steering Stem Arm Includes 18 - 19. art. 277001472
По запросу
19
Гайка Can Am art. 232561600
от 250 ₽
OEM
Гайка Can Am
art. 232561600
250 ₽
Требуется 1 шт.
20
Болт BRP art. 207063560
По запросу
21
Болт M6 X 25 BRP art. 207162560
По запросу
22
Flat Washer M6, Stainless art. 234062600
По запросу
23
Handle Bar art. 277001450
По запросу
24
STEERING CLAMP art. 277000142
По запросу
25
Болт DIN.931A2 Sea Doo art. 207085060
от 350 ₽
OEM
350 ₽
Требуется 4 шт.
26
Трос газа Sea Doo (снято с производства ) art. 277001064
от 8 500 ₽
27
Joint art. 277001180
По запросу
28
Hex. Screw M6 X 30 art. 211000081
По запросу
29
THROTTLE HOUSING ASS’Y art. 277000872
По запросу
30
Throttle Handle art. 277001485
По запросу
31
SCREW-TAPP.PAN HD.PH.DIN.7981C-A2 art. 209631360
По запросу
32
Клипса пластиковая Sea Doo art. 277000381
от 350 ₽
33
Arm Thrust Includes 33 - 34. art. 277000519
По запросу
34
Гайка Can Am art. 232561600
от 250 ₽
OEM
Гайка Can Am
art. 232561600
250 ₽
Требуется 2 шт.
35
LH HANDLE HOUSING ASS’Y Includes 35 - 37. art. 277000869
По запросу
36
SQUARE NUT M6 art. 232860600
По запросу
37
Кнопка СТАРТ/СТОП Sea Doo (снято с производства ) art. 277000306
от 650 ₽
38
Фиксатор дроссельной заслонки Sea Doo art. 277000279
от 940 ₽
OEM
940 ₽
Требуется 1 шт.
39
Socket Head Screw M6 X 16 art. 250000036
По запросу
40
HANDLE GRIP KIT, BLACK Includes 40 - 44. art. 295500691
По запросу
41
Not Available As Spare Part - Grip Insert art. XXXX
По запросу
42
Заглушка BRP art. 277000203
По запросу
43
Flat Washer M6, Stainless art. 234062600
По запросу
44
Болт BRP art. 250000002
По запросу
45
Retainer Plate art. 277000845
По запросу
46
Upper Steering Cover Includes 46 - 47. art. 277000604
По запросу
47
Steering Plate art. 277000823
По запросу
48
CHOKE CABLE Includes 48 - 49. art. 270000545
По запросу
49
NUT-HEXAGONAL HI-LEX art. 211100030
По запросу
50
Гайка Can Am art. 232561600
от 250 ₽
OEM
Гайка Can Am
art. 232561600
250 ₽
Требуется 3 шт.
51
INSERT art. 293450153
По запросу
52
Гайка Can Am art. 232100600
от 400 ₽
OEM
Гайка Can Am
art. 232100600
400 ₽
Требуется 1 шт.
53
Lower Steering Cover art. 277000536
По запросу
54
PLATE art. 277000549
По запросу
55
HEX. FLANGED SCREW 1/4-20 X 1/2 art. 211000036
По запросу
56
Шайба BRP art. 234051600
от 160 ₽
OEM
Шайба BRP
art. 234051600
160 ₽
Требуется 6 шт.
57
Болт K40 X 16 BRP art. 241141660
от 210 ₽
OEM
210 ₽
Требуется 4 шт.
58
Handle Pad (Earthen Clay) Includes 58 - 59. art. 277001032
По запросу
59
Handle Bar Pad Support art. 277000687
По запросу
60
Болт BRP art. 207063060
По запросу
61
Рулевой трос BRP art. 277001580
По запросу
62
Ajustment Knob art. 277000782
По запросу
63
Гайка BRP art. 211100056
По запросу
64
Terminal Wiper art. 277000441
По запросу
65
SQUARE NUT M6 art. 232860600
По запросу
66
PHILLIPS SCREW M3.9 X 9.5 art. 209630960
По запросу
67
Полукольцо троса Sea Doo art. 277001527
от 980 ₽
OEM
980 ₽
Требуется 2 шт.
68
Гайка BRP art. 211100056
По запросу
69
Шайба BRP art. 293830063
По запросу
70
Terminal Wiper art. 277000441
По запросу
71
Наконечник рулевого троса BRP art. 277000775
По запросу
72
Шайба Can Am art. 234002600
от 310 ₽
OEM
Шайба Can Am
art. 234002600
310 ₽
Требуется 1 шт.
73
LATCH STUD art. 291000689
По запросу
74
Стопорная гайка Sea Doo art. 277001729
По запросу
Нужна консультация
Мы ответим вам на этот номер
Или укажите свою почту - и мы ответим на нее
Добавлено в корзину
Вы только что добавили в корзину:
Перейти в корзину
Вход в интернет магазин
Войти
Зарегистрироваться
Номер телефона необходим для оформления заказа
Восстановить пароль
Укажите ваш email адрес или логин и мы вышлем ссылку для восстановления пароля.