Упс, к сожалению, версия вашего браузера несовместима с сайтом. Вероятнее всего она устарела или давно не обновлялась.
Попробуйте открыть сайт atvstyle.ru с одного из поддерживаемых браузеров:
Google
Chrome
Safari
Mozilla
Firefox
Microsoft
Edge
Opera
Yandex
Browser

Ваша корзина
Ваша корзина пуста
Перейти в каталог
Личный кабинет +7 903 799 1446 +7 985 444 5566
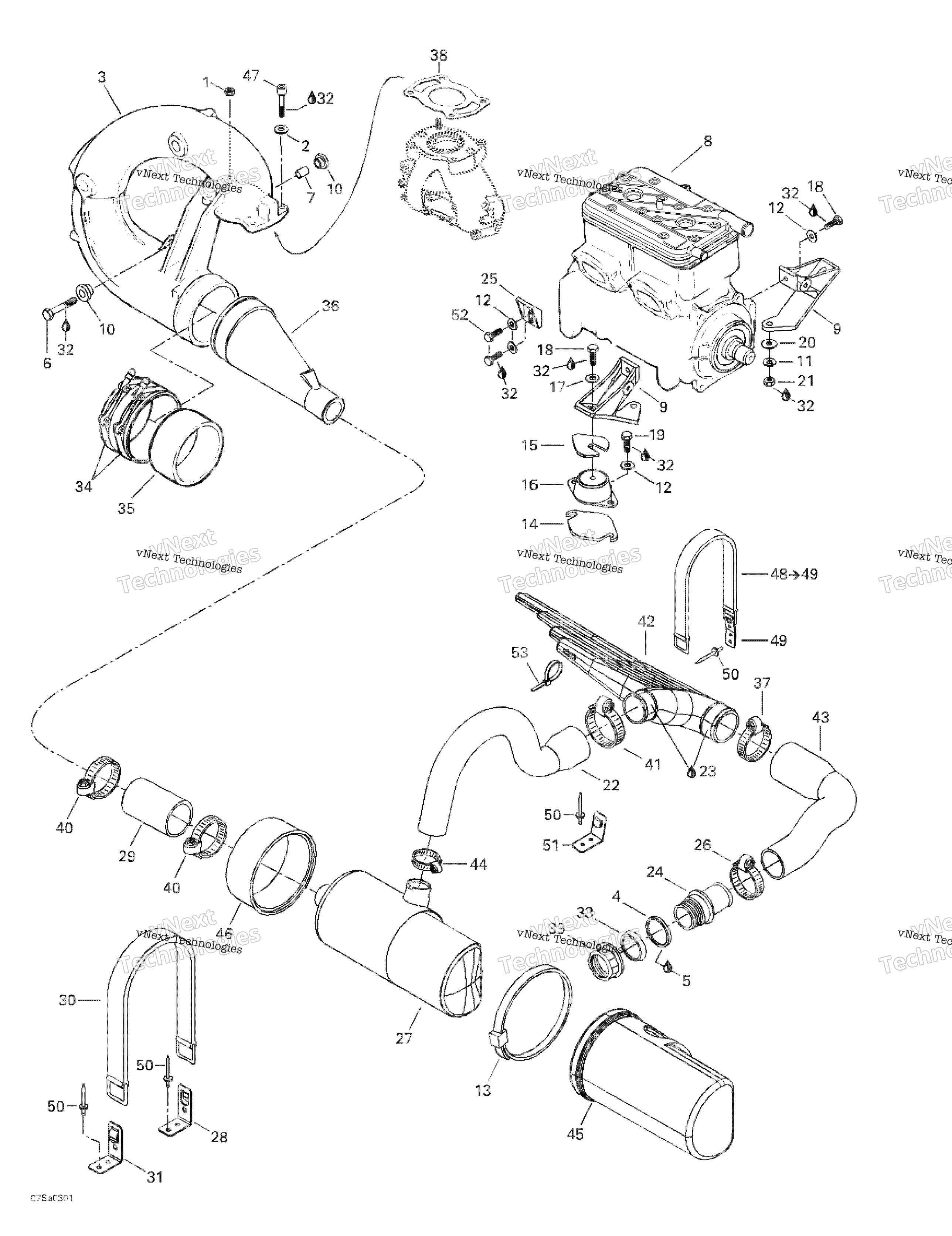
модель 2003 года
  • Модель GTI
  • Схема Engine Support And Muffler для GTI

  • Код модели GTI
Схема
Детали
Engine Support And Muffler
Номер
Наименование детали
Цена
0
Shim 1.3 mm art. 270000007
По запросу
0
LH Engine Support art. 270000181
По запросу
0
Шайба регулировочная 1,3 мм Sea Doo art. 270000025
от 750 ₽
OEM
750 ₽
Требуется 1 шт.
1
Гайка Can Am art. 233101600
от 650 ₽
OEM
Гайка Can Am
art. 233101600
650 ₽
Требуется 1 шт.
2
Шайба Sea Doo art. 211200051
от 250 ₽
OEM
Шайба Sea Doo
art. 211200051
250 ₽
Требуется 3 шт.
3
Tuned Pipe Ass‘Y art. 274000980
По запросу
4
Прокладка BRP art. 293250041
По запросу
5
Silicone Sealant 51388, 300 ml art. 296000309
По запросу
6
Hex. Screw M8 X 40 art. 207084060
По запросу
7
Bushing art. 274000114
По запросу
8
Rotax Engine 717, Silver art. 270000548
По запросу
9
RH Engine Support art. 270000596
По запросу
10
Rubber Bushing art. 293830031
По запросу
11
Контр-шайба Can Am art. 234101601
от 160 ₽
OEM
160 ₽
Требуется 2 шт.
12
Шайба 8 мм Can Am art. 234081600
от 160 ₽
OEM
160 ₽
Требуется 14 шт.
13
Хомут 838 мм BRP art. 293750020
По запросу
14
Shim 0.4 mm art. 270000006
По запросу
15
Шайба регулировочная 0,4мм Sea Doo art. 270000024
от 790 ₽
OEM
790 ₽
Требуется 1 шт.
16
Rubber Mount art. 270000425
По запросу
17
Шайба Sea Doo art. 234082600
от 310 ₽
OEM
Шайба Sea Doo
art. 234082600
310 ₽
Требуется 4 шт.
18
HEX. SCREW M8 X 25 art. 207182560
По запросу
19
Болт М8 х 30 Can Am art. 207183060
от 160 ₽
OEM
210 ₽
Требуется 8 шт.
Аналог
Болт BRP б.у
art. 207183060_б.у
160 ₽
Требуется 8 шт.
20
Шайба BRP art. 234001600
По запросу
21
Гайка Sea Doo art. 232001600
от 310 ₽
OEM
Гайка Sea Doo
art. 232001600
310 ₽
22
Exhaust Hose art. 274000873
По запросу
23
Sealant, Loctite, 80 ml art. 293800090
По запросу
24
Exhaust Outlet art. 274001391
По запросу
25
Front Engine Support art. 270000598
По запросу
26
Хомут Can Am art. 293650064
от 940 ₽
OEM
Хомут Can Am
art. 293650064
940 ₽
Требуется 1 шт.
27
Muffler art. 274000788
По запросу
28
STRAP CLIP art. 293850075
По запросу
29
EXHAUST HOSE art. 274000032
По запросу
30
Fuel Tank Strap art. 293850036
По запросу
31
STRAP CLIP 90 art. 293850076
По запросу
32
Loctite 243, 10 ml art. 293800060
По запросу
33
STABILIZING WASHER art. 274000225
По запросу
34
NORMA CLAMP art. 293650068
По запросу
35
Sealing Ring art. 274000074
По запросу
36
Exhaust Cone Ass’Y art. 274001093
По запросу
37
Хомут воздушного фильтра Can Am DS 450 04000079 art. 204000079
По запросу
38
GASKET art. 420950255
По запросу
39
Гайка 72 мм Sea Doo art. 274000224
По запросу
40
Tridon Clamp art. 293650023
По запросу
41
Хомут Can Am art. 293650179
от 1 230 ₽
OEM
Хомут Can Am
art. 293650179
1 230 ₽
Требуется 1 шт.
42
LH UPPER RESONATOR art. 274000700
По запросу
43
Hose Exhaust art. 274000874
По запросу
44
Tridon Clamp art. 293650023
По запросу
45
Rear Cover Muffler art. 274000806
По запросу
46
Front Cover Muffler art. 274000803
По запросу
47
SOCKET HEAD SCREW M10 X 30 art. 205503060
По запросу
48
Fuel Tank Strap Includes 48 - 49. art. 293850026
По запросу
49
STRAP CLIP art. 293850024
По запросу
50
Заклепка BRP art. 293150037
По запросу
51
Strap Clip art. 293850030
По запросу
52
Болт Sea Doo art. 207182060
от 250 ₽
OEM
Болт Sea Doo
art. 207182060
250 ₽
53
Tie-Rap 180 mm art. 414115200
По запросу
Нужна консультация
Мы ответим вам на этот номер
Или укажите свою почту - и мы ответим на нее
Добавлено в корзину
Вы только что добавили в корзину:
Перейти в корзину
Вход в интернет магазин
Войти
Зарегистрироваться
Номер телефона необходим для оформления заказа
Восстановить пароль
Укажите ваш email адрес или логин и мы вышлем ссылку для восстановления пароля.