Упс, к сожалению, версия вашего браузера несовместима с сайтом. Вероятнее всего она устарела или давно не обновлялась.
Попробуйте открыть сайт atvstyle.ru с одного из поддерживаемых браузеров:
Google
Chrome
Safari
Mozilla
Firefox
Microsoft
Edge
Opera
Yandex
Browser

Ваша корзина
Ваша корзина пуста
Перейти в каталог
Личный кабинет +7 903 799 1446 +7 985 444 5566
модель 2010 года
  • Модель WAKE 215
  • Схема Propulsion для Wake PRO 215

  • Код модели Wake PRO 215
Схема
Детали
Propulsion
Номер
Наименование детали
Цена
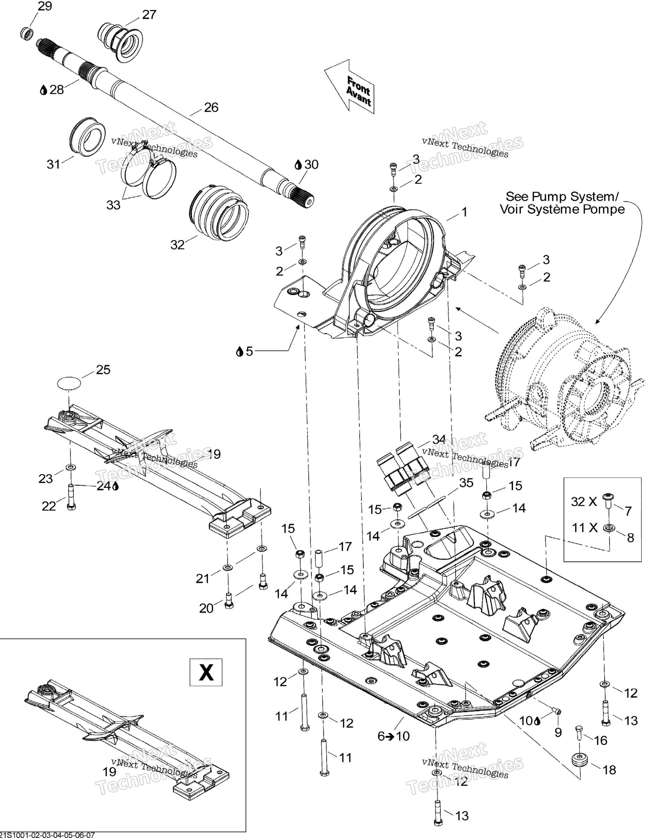
1
Кронштейн помпы Sea Doo art. 271001704
По запросу
2
Шайба BRP DIN.125A-A2 М6 art. 234061600
от 110 ₽
OEM
110 ₽
Требуется 4 шт.
3
Socket Head Screw M6 X 16, Scotch Grip art. 205561660
По запросу
5
Was 293800066 Sealant Loctite 5900, 300 ml art. 219704460
По запросу
6
Пластина установочная BRP art. 271001801
По запросу
7
Болт BRP art. 250000384
По запросу
8
Шайба уплотнительная Ski Doo art. 250200114
По запросу
9
Пробка сливная BRP art. 250500005
По запросу
10
Was 293800013 Loctite 56765 art. 219704454
По запросу
11
Hex. Screw M8 X 65 art. 207186560
По запросу
12
Шайба 8 мм Can Am art. 234081600
от 160 ₽
OEM
160 ₽
Требуется 6 шт.
13
Hex. Screw M8 X 40, Scotch Grip art. 250000230
По запросу
14
Шайба Sea Doo art. 234082600
от 310 ₽
OEM
Шайба Sea Doo
art. 234082600
310 ₽
Требуется 4 шт.
15
Гайка BRP art. 232581200
По запросу
16
Болт BRP art. 207362060
от 210 ₽
OEM
Болт BRP
art. 207362060
210 ₽
Требуется 1 шт.
17
Polyurethane Hose 8 MM 3000MM Long art. 219704412
По запросу
18
Анод Ski-doo art. 271001813
По запросу
19
Решетка водозаборная Sea Doo art. 271001967
По запросу
20
Болт BRP art. 207382060
По запросу
21
Шайба 8 мм Can Am art. 234081600
от 160 ₽
OEM
160 ₽
Требуется 2 шт.
22
Hex. Screw M8 X 40, Scotch Grip art. 250000230
По запросу
23
Шайба 8 мм Can Am art. 234081600
от 160 ₽
OEM
160 ₽
Требуется 1 шт.
24
Silicone Sealant 51388, 300 ml art. 296000309
По запросу
25
Protector Disk art. 293830047
По запросу
26
Drive Shaft art. 271001608
По запросу
27
Floating Ring art. 271001728
По запросу
28
Était Was 293800050 Loctite 577, 250 ml art. 219704459
По запросу
29
Крышка вала водомета Sea Doo art. 272000173
По запросу
30
Смазка синтетическая для водомета Sea Doo art. 293550010
от 3 400 ₽
31
CARBON RING Not Available. Ref Bulletin 2019-4 art. 271001420
По запросу
32
Пыльник Sea Doo art. 271001933
По запросу
33
Хомут Can Am art. 293650079
от 1 330 ₽
OEM
Хомут Can Am
art. 293650079
1 330 ₽
Требуется 2 шт.
34
Фитинг подачи охлаждения BRP art. 293710124
По запросу
35
Уплотнительное кольцо BRP art. 293300121
По запросу
Нужна консультация
Мы ответим вам на этот номер
Или укажите свою почту - и мы ответим на нее
Добавлено в корзину
Вы только что добавили в корзину:
Перейти в корзину
Вход в интернет магазин
Войти
Зарегистрироваться
Номер телефона необходим для оформления заказа
Восстановить пароль
Укажите ваш email адрес или логин и мы вышлем ссылку для восстановления пароля.