Упс, к сожалению, версия вашего браузера несовместима с сайтом. Вероятнее всего она устарела или давно не обновлялась.
Попробуйте открыть сайт atvstyle.ru с одного из поддерживаемых браузеров:
Google
Chrome
Safari
Mozilla
Firefox
Microsoft
Edge
Opera
Yandex
Browser

Ваша корзина
Ваша корзина пуста
Перейти в каталог
Личный кабинет +7 903 799 1446 +7 985 444 5566
модель 2002 года
  • Модель GP1200
  • Схема Cylinder Crankcase 2 для WAVE RUNNER GP1200R (GP1200ACA) CA

  • Код модели WAVE RUNNER GP1200R (GP1200ACA) CA
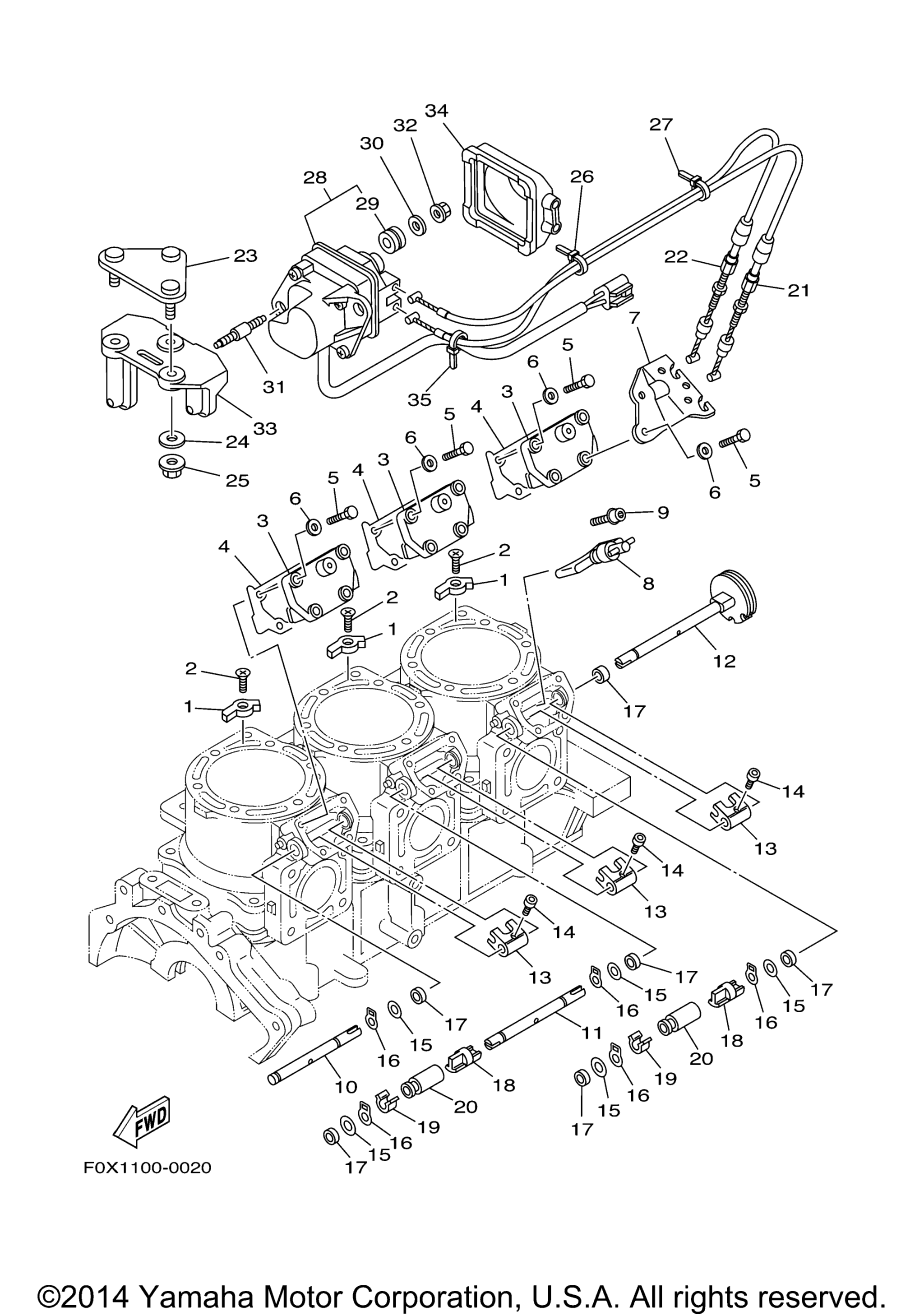
Схема
Детали
Cylinder Crankcase 2
Номер
Наименование детали
Цена
1
Anode art. 66E-11325-00-00
По запросу
2
Screw, Flat Head art. 98780-05020-00
По запросу
3
Cover art. 66E-1131M-01-00
По запросу
4
Gasket, Cover art. 66E-1131B-02-00
По запросу
5
Bolt art. 97013-06025-00
По запросу
6
Шайба Yamaha art. 92990-06600-00
от 400 ₽
OEM
Шайба Yamaha
art. 92990-06600-00
400 ₽
Требуется 12 шт.
7
Bracket 1 art. 66E-11998-10-00
По запросу
8
Valve Assy art. 66E-1131S-10-00
По запросу
9
Bolt, Hexagon Socket Head art. 90110-05016-00
По запросу
10
Shaft 1 art. 66E-1131V-00-00
По запросу
11
Shaft 3 art. 66V-11333-00-00
По запросу
12
Pulley, Shaft art. 66E-1132C-00-00
По запросу
13
Lever, Link art. 60T-11832-00-00
По запросу
14
Bolt, Hexagon Socket Head art. 91317-04008-00
По запросу
15
Washer, Plate art. 90201-08M09-00
По запросу
16
Circlip art. 93410-08M12-00
По запросу
17
Oil Seal art. 93109-08M07-00
По запросу
18
Joint 1 art. 66E-1131H-00-00
По запросу
19
Joint 2 art. 66E-1131J-10-00
По запросу
20
Cover, Joint art. 66E-1131C-10-00
По запросу
21
Cable, Pulley 1 art. 66E-1133E-10-00
По запросу
22
Cable, Pulley 2 art. 66E-1133F-10-00
По запросу
23
Bracket, Ypvs art. GU0-6824E-00-00
По запросу
24
Washer YMUS art. 9299R-08200-00
По запросу
25
Гайка Yamaha art. 95780-08300-00
от 1 270 ₽
OEM
Гайка Yamaha
art. 95780-08300-00
1 270 ₽
Требуется 3 шт.
26
Band YMUS art. 90601-200U2-00
По запросу
27
Band YMUS art. 90601-200U2-00
По запросу
28
Servo Motor Assy art. 67X-85820-10-00
По запросу
29
. Grommet art. 90480-14023-00
По запросу
30
Washer, Plate art. 90201-06020-00
По запросу
31
Bolt, Stud art. 90116-06M67-00
По запросу
32
Nut, Nylon YMUS art. 9572R-06300-00
По запросу
33
Bracket, Reflector 1 art. 66E-85112-00-94
По запросу
34
Cover, Wire art. 66E-85825-00-00
По запросу
35
Хомут Yamaha art. 90465-10098-00
от 350 ₽
OEM
Хомут Yamaha
art. 90465-10098-00
350 ₽
Требуется 1 шт.
Нужна консультация
Мы ответим вам на этот номер
Или укажите свою почту - и мы ответим на нее
Добавлено в корзину
Вы только что добавили в корзину:
Перейти в корзину
Вход в интернет магазин
Войти
Зарегистрироваться
Номер телефона необходим для оформления заказа
Восстановить пароль
Укажите ваш email адрес или логин и мы вышлем ссылку для восстановления пароля.