Упс, к сожалению, версия вашего браузера несовместима с сайтом. Вероятнее всего она устарела или давно не обновлялась.
Попробуйте открыть сайт atvstyle.ru с одного из поддерживаемых браузеров:
Google
Chrome
Safari
Mozilla
Firefox
Microsoft
Edge
Opera
Yandex
Browser

Ваша корзина
Ваша корзина пуста
Перейти в каталог
Личный кабинет +7 903 799 1446 +7 985 444 5566
модель 2005 года
  • Модель XLT1200
  • Схема INTAKE для WaveRunner XLT1200 (XA1200AD)

  • Код модели WaveRunner XLT1200 (XA1200AD)
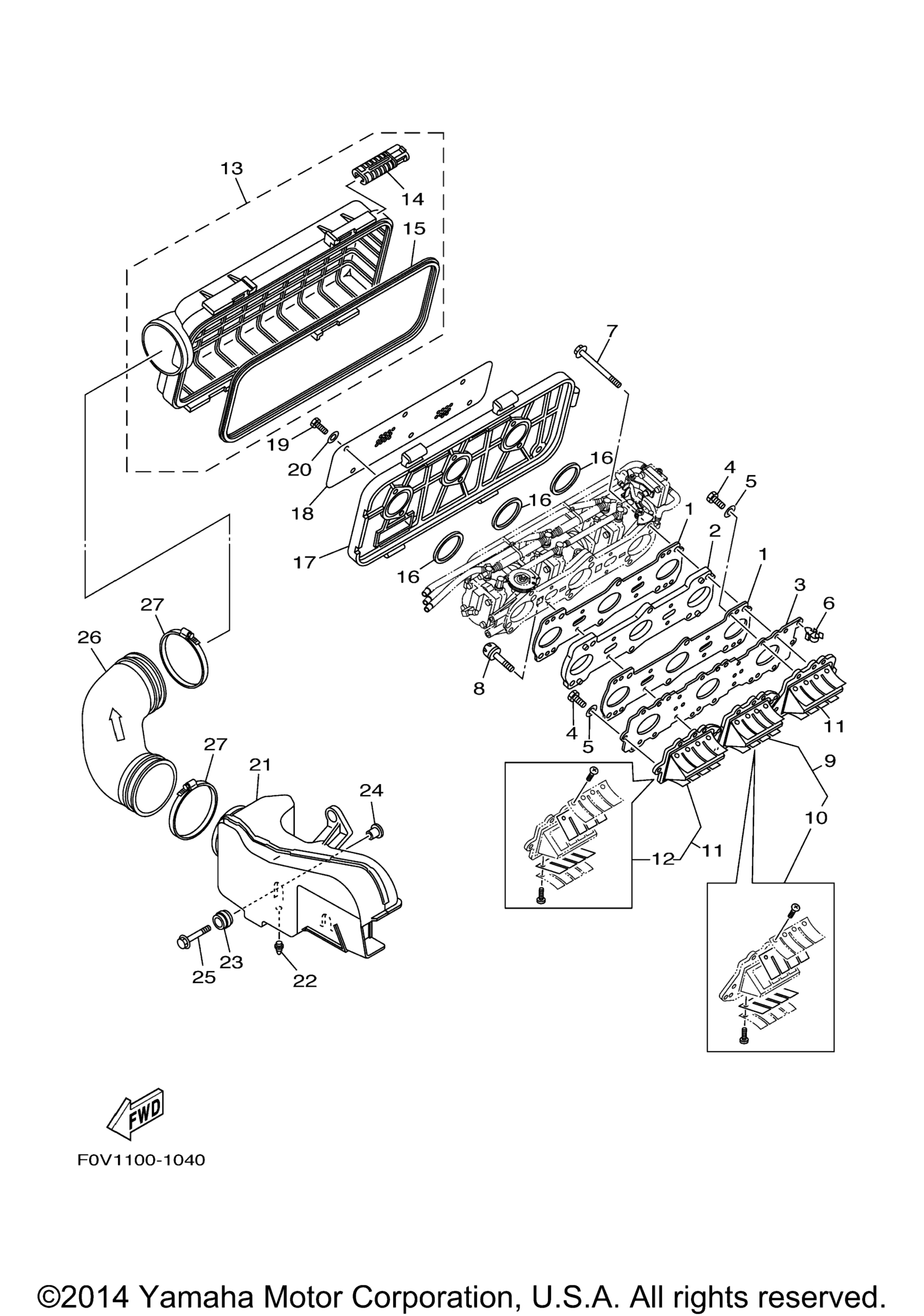
Схема
Детали
INTAKE
Номер
Наименование детали
Цена
1
.Gasket, Manifold art. 68N-13556-00-00
По запросу
2
Insulator art. 68N-14271-00-00
По запросу
3
Plate, Reed Valve art. 66V-13624-00-00
По запросу
4
Bolt art. 97013-06025-00
По запросу
5
Шайба Yamaha art. 92990-06600-00
от 400 ₽
OEM
Шайба Yamaha
art. 92990-06600-00
400 ₽
Требуется 18 шт.
6
Зажим art. 90464-14M55-00
По запросу
7
Bolt, Flange art. 90105-08041-00
По запросу
8
Bolt, Hexagon Socket Head art. 90110-06068-00
По запросу
9
Reed Valve Assy art. 66V-13610-00-00
По запросу
10
. .Reed Set art. 66V-W0004-00-00
По запросу
11
Reed Valve Assy art. 66V-13620-00-00
По запросу
12
. .Reed Set art. 66V-W0004-00-00
По запросу
13
Cover Sub Assy art. 66V-14480-01-00
По запросу
14
. .Holder art. 66V-13898-00-00
По запросу
15
. .Seal art. 66V-14457-00-00
По запросу
16
.O-Ring art. 66E-13473-00-00
По запросу
17
Cover, Carburetor 2 art. 66V-14284-00-00
По запросу
18
Element, Air Cleaner art. 66V-14451-00-00
По запросу
19
Bolt art. 97013-06045-00
По запросу
20
Шайба Yamaha art. 92990-06600-00
от 400 ₽
OEM
Шайба Yamaha
art. 92990-06600-00
400 ₽
Требуется 6 шт.
21
Silencer Assy, Intake art. 66V-14440-00-00
По запросу
22
.Rubber, Seal 2 art. 66E-42717-00-00
По запросу
23
Grommet art. 90480-22M15-00
По запросу
24
Collar art. 90387-08M37-00
По запросу
25
Bolt, With Washer art. 90119-08187-00
По запросу
26
Pipe art. 66V-14419-00-00
По запросу
27
Clamp, Hose art. 90460-99M23-00
По запросу
Нужна консультация
Мы ответим вам на этот номер
Или укажите свою почту - и мы ответим на нее
Добавлено в корзину
Вы только что добавили в корзину:
Перейти в корзину
Вход в интернет магазин
Войти
Зарегистрироваться
Номер телефона необходим для оформления заказа
Восстановить пароль
Укажите ваш email адрес или логин и мы вышлем ссылку для восстановления пароля.