Упс, к сожалению, версия вашего браузера несовместима с сайтом. Вероятнее всего она устарела или давно не обновлялась.
Попробуйте открыть сайт atvstyle.ru с одного из поддерживаемых браузеров:
Google
Chrome
Safari
Mozilla
Firefox
Microsoft
Edge
Opera
Yandex
Browser

Ваша корзина
Ваша корзина пуста
Перейти в каталог
Личный кабинет +7 903 799 1446 +7 985 444 5566
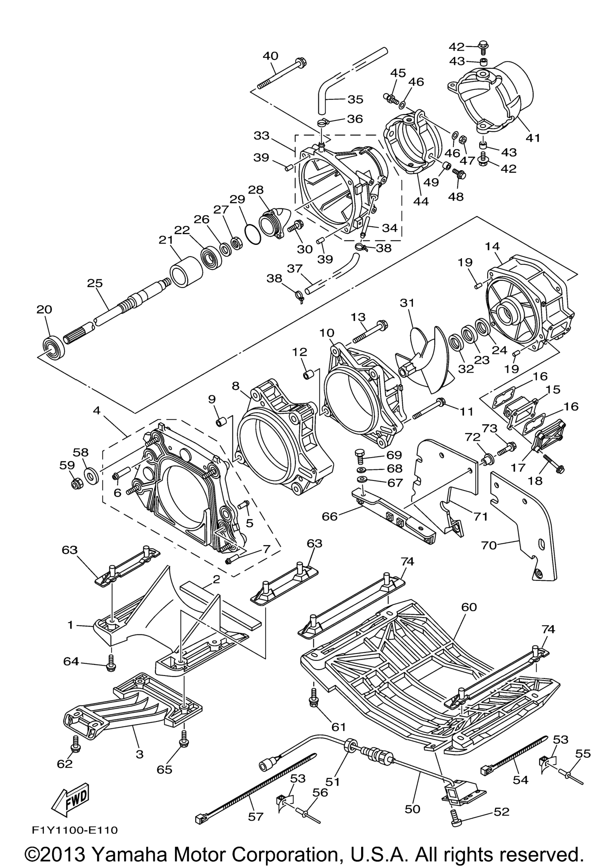
модель 2006 года
  • Модель FX
  • Схема Jet Unit 1 для WaveRunner FX (FX1000E)

  • Код модели WaveRunner FX (FX1000E)
Схема
Детали
Jet Unit 1
Номер
Наименование детали
Цена
1
Duct, Intake art. 60E-R1311-00-00
По запросу
2
Felt, Packing art. 66V-R1367-00-00
По запросу
3
Screen, Intake art. 60E-R1333-00-00
По запросу
4
Plate, Transom art. 60E-G5831-01-00
По запросу
5
. Nipple art. 65A-R1129-00-00
По запросу
6
. Nipple art. 66V-51129-10-00
По запросу
7
. Nipple art. 60E-51129-30-00
По запросу
8
Housing, Impeller 2 art. 60E-51317-00-00
По запросу
9
Pin, Dowel art. 99590-14016-00
По запросу
10
Корпус импеллера Yamaha art. 6CR-R1312-00-00
По запросу
11
Bolt, With Washer art. 90119-06859-00
По запросу
12
Pin, Dowel art. 99590-14016-00
По запросу
13
Bolt, With Washer art. 90119-10813-00
По запросу
14
Duct, Impeller art. 66V-51315-01-00
По запросу
15
Filter art. 66V-46882-00-00
По запросу
16
.O-Ring art. 66V-42414-00-00
По запросу
17
Cover, Water Inlet 1 art. 66V-45214-00-00
По запросу
18
Bolt, With Washer art. 90119-06898-00
По запросу
19
.Pin, Dowel art. 93606-12019-00
По запросу
20
Подшипник Yamaha art. 93306-205U1-00
от 3 940 ₽
OEM
Подшипник Yamaha
art. 93306-205U1-00
3 940 ₽
Требуется 1 шт.
Аналог
8 640 ₽
Требуется 1 шт.
Подписаться
21
Spacer 1 art. 65V-45538-00-00
По запросу
22
Bearing art. 93306-304XB-00
По запросу
23
.Oil Seal art. 93101-28M66-00
По запросу
24
.Oil Seal art. 93101-28002-00
По запросу
25
Shaft, Drive art. 68Y-G5511-00-00
По запросу
26
Washer art. 9299R-16600-00
По запросу
27
Nut art. 95317-16700-00
По запросу
28
Cap art. 65A-R1326-10-KT
По запросу
29
.O-Ring art. 93210-464A3-00
По запросу
30
Bolt, With Washer art. 90119-06890-00
По запросу
31
Impeller art. 68N-R1321-10-00
По запросу
32
Spacer art. 66V-R1348-10-00
По запросу
33
Nozzle art. 6B6-51318-00-94
По запросу
34
. .Nipple,Hose art. 63M-51334-00-00
По запросу
35
Hose (L310) art. 90445-16M09-00
По запросу
36
Band, Hose 18 art. 90601-118UF-00
По запросу
37
Hose (L330) art. 90445-14804-00
По запросу
38
Хомут Yamaha art. 90465-10098-00
от 350 ₽
OEM
Хомут Yamaha
art. 90465-10098-00
350 ₽
Требуется 2 шт.
39
.Pin, Dowel art. 93606-12019-00
По запросу
40
Bolt, With Washer art. 90119-10807-00
По запросу
41
Nozzle, Deflector art. 66V-R1313-01-00
По запросу
42
Bolt, With Washer art. 90119-08852-00
По запросу
43
Collar art. 90387-08M06-00
По запросу
44
Ring,Trim art. 60T-51190-00-94
По запросу
45
Stud, Joint Ball art. GH3-U146E-00-00
По запросу
46
Шайба Yamaha art. 90201-068M4-00
от 310 ₽
OEM
Шайба Yamaha
art. 90201-068M4-00
310 ₽
Требуется 2 шт.
47
Nut art. 9538R-06700-00
По запросу
48
Bolt, With Washer art. 90119-08852-00
По запросу
49
Collar art. 90387-08M06-00
По запросу
50
Sensor Speed art. F1S-U8K31-03-00
По запросу
51
Nut, Drain 1 art. EU0-62241-30-00
По запросу
52
Screw, Round Head art. 90150-05807-00
По запросу
53
Clamp Comp art. 90600-91736-00
По запросу
54
Зажим Yamaha art. 90464-32801-00
По запросу
55
Rivet, Blind art. 90267-48802-00
По запросу
56
Rivet, Blind art. 90267-489U6-00
По запросу
57
Clamp art. 90464-99801-00
По запросу
58
Washer art. F1S-U725E-01-00
По запросу
59
Nut, Nylon art. 9572R-10300-00
По запросу
60
Plate 2 art. F1S-U273B-01-00
По запросу
61
Bolt, With Washer art. 90119-08829-00
По запросу
62
Bolt, With Washer art. 90119-06896-00
По запросу
63
Bracket 1 art. F1G-U8571-02-00
По запросу
64
Bolt, With Washer art. 90119-08829-00
По запросу
65
Bolt, With Washer art. 90119-06890-00
По запросу
66
Bracket art. F1B-67557-00-00
По запросу
67
Gasket art. 90430-12002-00
По запросу
68
Washer, Plain art. 92990-12200-00
По запросу
69
Bolt art. 90109-08043-00
По запросу
70
Plate, Rubber 1 art. F1S-U757E-02-00
По запросу
71
Plate, Rubber 2 art. F1S-U757F-02-00
По запросу
72
Collar art. 90387-06080-00
По запросу
73
Bolt, With Washer art. 90119-06827-00
По запросу
74
Bracket 2 art. F1B-U8572-01-00
По запросу
Нужна консультация
Мы ответим вам на этот номер
Или укажите свою почту - и мы ответим на нее
Добавлено в корзину
Вы только что добавили в корзину:
Перейти в корзину
Вход в интернет магазин
Войти
Зарегистрироваться
Номер телефона необходим для оформления заказа
Восстановить пароль
Укажите ваш email адрес или логин и мы вышлем ссылку для восстановления пароля.