Упс, к сожалению, версия вашего браузера несовместима с сайтом. Вероятнее всего она устарела или давно не обновлялась.
Попробуйте открыть сайт atvstyle.ru с одного из поддерживаемых браузеров:
Google
Chrome
Safari
Mozilla
Firefox
Microsoft
Edge
Opera
Yandex
Browser

Ваша корзина
Ваша корзина пуста
Перейти в каталог
Личный кабинет +7 903 799 1446 +7 985 444 5566
модель 2007 года
  • Модель VX SPORT
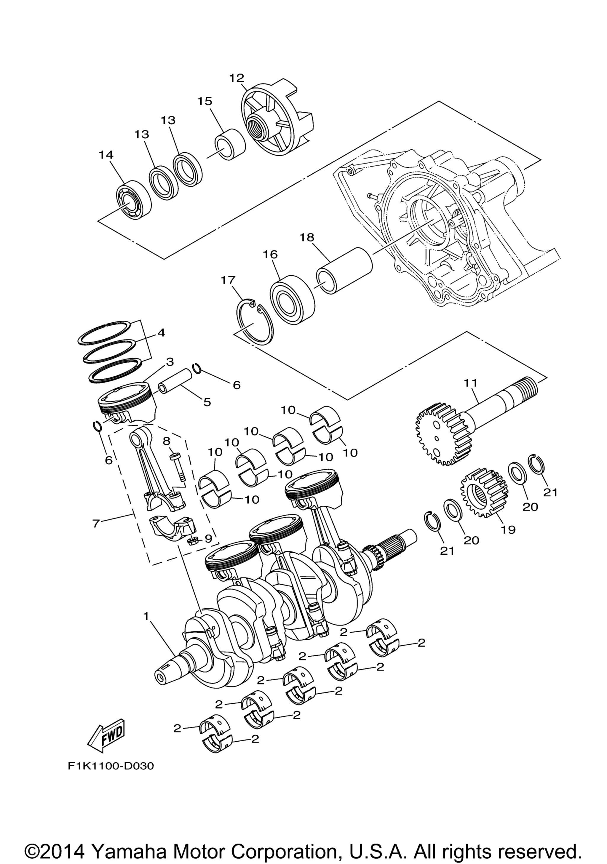
  • Схема CRANKSHAFT PISTON для WaveRunner VX Sport (VX1100CF)

  • Код модели WaveRunner VX Sport (VX1100CF)
Схема
Детали
CRANKSHAFT PISTON
Номер
Наименование детали
Цена
1
Crankshaft art. 60E-11411-11-00
По запросу
2
Plane Bearing, Crankshaft 1 UR BROWN art. 6D3-11416-00-00
По запросу
2
Plane Bearing, Crankshaft 1 UR RED art. 6D3-11416-A0-00
По запросу
2
Plane Bearing, Crankshaft 1 UR GREEN art. 6D3-11416-30-00
По запросу
2
Plane Bearing, Crankshaft 1 UR BLUE art. 6D3-11416-20-00
По запросу
2
Plane Bearing, Crankshaft 1 UR BLACK art. 6D3-11416-10-00
По запросу
3
Piston (Std) art. 6D3-11631-01-B0
По запросу
4
Piston Ring Set (Std) art. 6D3-11603-01-00
По запросу
5
Pin, Piston art. 4XV-11633-00-00
По запросу
6
Clip art. 90468-12069-00
По запросу
7
Connecting Rod Assy art. 6D3-11650-00-00
По запросу
8
. .Bolt, Connecting Rod art. 5JW-11654-00-00
По запросу
9
. .Nut art. 90179-08327-00
По запросу
10
Plane Bearing, Connecting Rod UR BLUE art. 60E-11656-20-00
По запросу
10
Plane Bearing, Connecting Rod UR BLACK art. 60E-11656-10-00
По запросу
10
Plane Bearing, Connecting Rod UR GREEN art. 60E-11656-30-00
По запросу
10
Plane Bearing, Connecting Rod UR BROWN art. 60E-11656-00-00
По запросу
11
Shaft, Transfer art. 6D3-17572-00-00
По запросу
12
Flange, Coupling art. 6D3-45813-00-94
По запросу
13
Сальник Yamaha art. 93101-35004-00
от 2 720 ₽
OEM
Сальник Yamaha
art. 93101-35004-00
2 720 ₽
Требуется 2 шт.
14
Подшипник Yamaha art. 93306-07801-00
от 4 620 ₽
OEM
Подшипник Yamaha
art. 93306-07801-00
4 620 ₽
Требуется 1 шт.
15
Collar art. 6B6-11478-00-00
По запросу
16
Bearing art. 93306-30610-00
По запросу
17
Circlip art. 93420-72065-00
По запросу
18
Collar, Gear art. 6B6-17585-00-00
По запросу
19
Шестерня коленвала Yamaha art. 6B6-17586-00-00
По запросу
20
Washer art. 90209-25008-00
По запросу
21
Circlip art. 93440-28062-00
По запросу
Нужна консультация
Мы ответим вам на этот номер
Или укажите свою почту - и мы ответим на нее
Добавлено в корзину
Вы только что добавили в корзину:
Перейти в корзину
Вход в интернет магазин
Войти
Зарегистрироваться
Номер телефона необходим для оформления заказа
Восстановить пароль
Укажите ваш email адрес или логин и мы вышлем ссылку для восстановления пароля.