Упс, к сожалению, версия вашего браузера несовместима с сайтом. Вероятнее всего она устарела или давно не обновлялась.
Попробуйте открыть сайт atvstyle.ru с одного из поддерживаемых браузеров:
Google
Chrome
Safari
Mozilla
Firefox
Microsoft
Edge
Opera
Yandex
Browser

Ваша корзина
Ваша корзина пуста
Перейти в каталог
Личный кабинет +7 903 799 1446 +7 985 444 5566
модель 2014 года
  • Модель FX CRUISER SHO
  • Схема CRANKSHAFT & PISTON для FX CRUISER SHO (FA1800AN)

  • Код модели FX CRUISER SHO (FA1800AN)
Схема
Детали
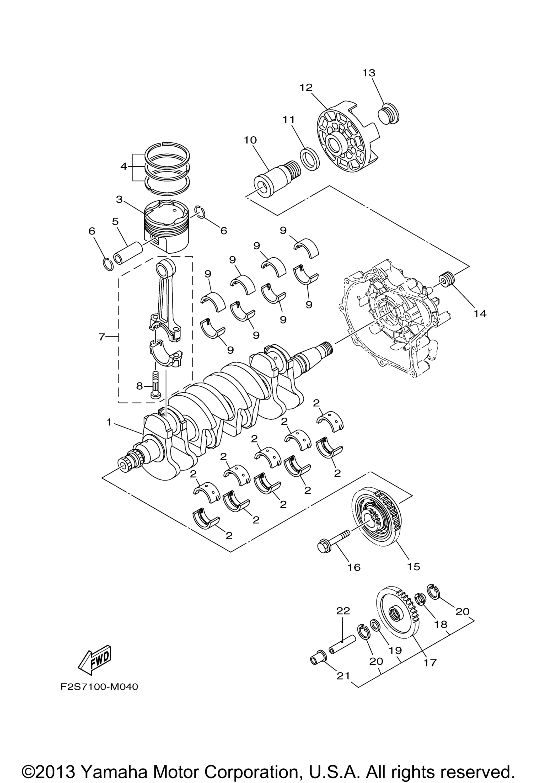
CRANKSHAFT & PISTON
Номер
Наименование детали
Цена
1
Коленвал Yamaha art. 6S5-11411-00-00
По запросу
2
Вкладыш коленвала шатунный, синий Yamaha art. 6S5-11416-20-00
от 2 390 ₽
OEM
2 390 ₽
Требуется 10 шт.
2
Вкладыш коренной коленвала коричневый Yamaha art. 6S5-11416-00-00
от 2 390 ₽
OEM
2 390 ₽
Требуется 10 шт.
2
Вкладыш коленвала коренной , желтый Yamaha art. 6S5-11416-40-00
от 2 390 ₽
OEM
2 390 ₽
Требуется 10 шт.
2
Вкладыш коленвала коренной зеленый Yamaha art. 6S5-11416-30-00
от 2 390 ₽
OEM
2 390 ₽
Требуется 10 шт.
2
Вкладыш коленвала коренной черный Yamaha art. 6S5-11416-10-00
от 2 390 ₽
OEM
2 390 ₽
Требуется 10 шт.
3
Piston (Std) art. 6ET-11631-01-B0
По запросу
4
Piston Ring Set (Std) art. 6S5-11603-01-00
По запросу
5
Pin, Piston art. 6S5-11633-00-00
По запросу
6
Стопорное кольцо Yamaha art. 93450-24028-00
от 550 ₽
7
Connecting Rod Assy art. 6S5-11650-10-00
По запросу
8
. .Bolt, Connecting Rod art. 6S5-11654-10-00
По запросу
9
Вкладыш шатунный коричневый Yamaha art. 6S5-11656-60-00
от 2 390 ₽
OEM
2 390 ₽
Требуется 8 шт.
9
Вкладыш шатунный черный Yamaha art. 6S5-11656-50-00
от 2 390 ₽
OEM
2 390 ₽
Требуется 8 шт.
9
Вкладыш шатунный , зеленый Yamaha art. 6S5-11656-70-00
от 2 390 ₽
OEM
2 390 ₽
Требуется 8 шт.
9
Plane Bearing, Connecting Rod UR BLUE art. 6S5-11656-40-00
По запросу
10
Shaft, Transfer art. 6S5-17572-01-00
По запросу
11
Washer art. 6S5-12289-00-00
По запросу
12
Flange, Coupling art. 6S5-45813-01-00
По запросу
13
Holder 2 art. 6S5-17525-01-00
По запросу
14
Гайка Yamaha art. 6S5-11459-01-00
от 3 600 ₽
OEM
Гайка Yamaha
art. 6S5-11459-01-00
3 600 ₽
Требуется 1 шт.
15
Gear Unit Assy (57T) art. 6S5-17800-20-00
По запросу
16
Bolt art. 6S5-17031-00-00
По запросу
17
Drive Gear & Collar Set (18T) art. 6S5-W1783-20-00
По запросу
18
. .Washer, Thrust art. 6S5-17529-00-00
По запросу
19
. .Washer, Plate art. 90201-13013-00
По запросу
20
. .Circlip art. 99009-24700-00
По запросу
21
. .Collar, Gear art. 6S5-17585-10-00
По запросу
22
Вал Yamaha art. 6S5-17553-00-00
от 2 630 ₽
Нужна консультация
Мы ответим вам на этот номер
Или укажите свою почту - и мы ответим на нее
Добавлено в корзину
Вы только что добавили в корзину:
Перейти в корзину
Вход в интернет магазин
Войти
Зарегистрироваться
Номер телефона необходим для оформления заказа
Восстановить пароль
Укажите ваш email адрес или логин и мы вышлем ссылку для восстановления пароля.