Упс, к сожалению, версия вашего браузера несовместима с сайтом. Вероятнее всего она устарела или давно не обновлялась.
Попробуйте открыть сайт atvstyle.ru с одного из поддерживаемых браузеров:
Google
Chrome
Safari
Mozilla
Firefox
Microsoft
Edge
Opera
Yandex
Browser

Ваша корзина
Ваша корзина пуста
Перейти в каталог
Личный кабинет +7 903 799 1446 +7 985 444 5566
модель 2017 года
  • Модель FX CRUISER HO
  • Схема INTAKE 1 для FX CRUISER HO (FB1800AS)

  • Код модели FX CRUISER HO (FB1800AS)
Схема
Детали
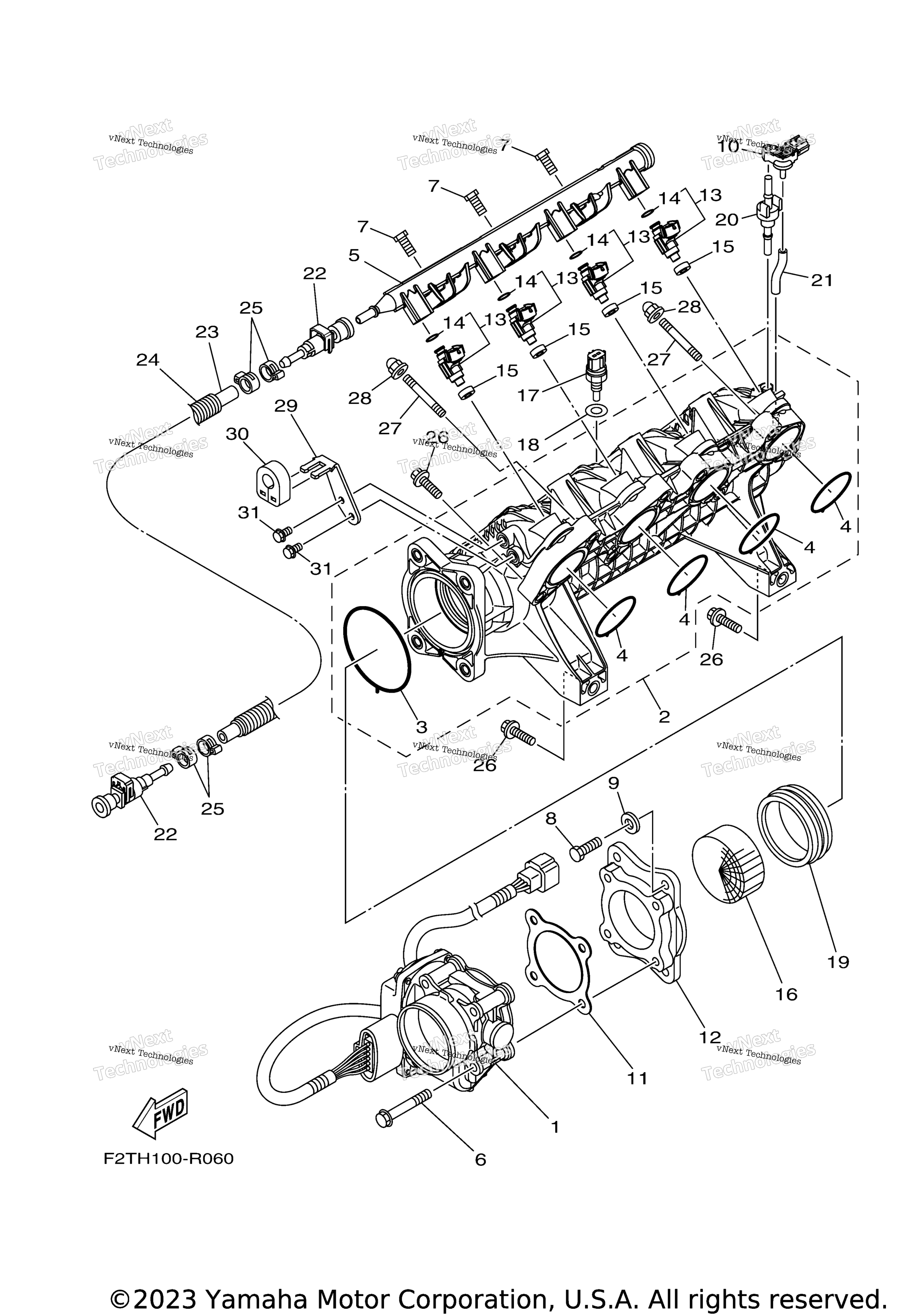
INTAKE 1
Номер
Наименование детали
Цена
1
Throttle Body Assy art. 6BH-13750-02-00
По запросу
2
Manifold, Intake 1 art. 6BH-13641-10-00
По запросу
3
. .Gasket, Insulating art. 6BH-14156-00-00
По запросу
4
. .Gasket art. 6BH-14126-00-00
По запросу
5
Delivery Pipe art. 6CS-12880-00-00
По запросу
6
Bolt, Flange art. 90105-08243-00
По запросу
7
Bolt art. 6CS-14446-00-00
По запросу
8
Bolt art. 97013-08025-00
По запросу
9
Шайба Yamaha art. 92990-08600-00
от 350 ₽
OEM
Шайба Yamaha
art. 92990-08600-00
350 ₽
Требуется 4 шт.
10
Датчик давления воздуха Yamaha art. 6BH-82380-00-00
По запросу
11
Прокладка Yamaha art. 6CR-14536-00-00
По запросу
12
Spacer art. 6CR-14163-00-00
По запросу
13
Injector art. 6S5-13761-10-00
По запросу
14
Кольцо уплотнительное Yamaha art. 68V-1416A-00-00
от 1 420 ₽
OEM
1 420 ₽
Требуется 1 шт.
15
Gasket, Manifold art. 8FP-13556-10-00
По запросу
16
Ribbon art. 6D3-1444B-01-00
По запросу
17
Thermosensor art. 65L-85886-00-00
По запросу
18
Washer art. 6S5-14285-00-00
По запросу
19
Прокладка впускного коллектора Yamaha art. 6S5-14457-00-00
По запросу
20
Grommet art. 6BH-14445-00-00
По запросу
21
Hose, Vacuum Sensing 3 art. 6BH-13532-00-00
По запросу
22
Fuel Pipe Joint art. 6S5-24300-01-00
По запросу
23
Hose art. 6AN-14294-20-00
По запросу
24
Tube (L495) art. 90447-19017-00
По запросу
25
Hose Clamp Assy art. 90450-17M17-00
По запросу
26
Bolt, With Washer art. 97513-08535-00
По запросу
27
Bolt, Stud art. 90116-08032-00
По запросу
28
Nut, Cap art. 90176-08080-00
По запросу
29
Plate, Stay art. 6CR-14572-00-00
По запросу
30
Grommet art. 6CS-14445-01-00
По запросу
31
Bolt art. 95024-06012-00
По запросу
Нужна консультация
Мы ответим вам на этот номер
Или укажите свою почту - и мы ответим на нее
Добавлено в корзину
Вы только что добавили в корзину:
Перейти в корзину
Вход в интернет магазин
Войти
Зарегистрироваться
Номер телефона необходим для оформления заказа
Восстановить пароль
Укажите ваш email адрес или логин и мы вышлем ссылку для восстановления пароля.