Упс, к сожалению, версия вашего браузера несовместима с сайтом. Вероятнее всего она устарела или давно не обновлялась.
Попробуйте открыть сайт atvstyle.ru с одного из поддерживаемых браузеров:
Google
Chrome
Safari
Mozilla
Firefox
Microsoft
Edge
Opera
Yandex
Browser

Ваша корзина
Ваша корзина пуста
Перейти в каталог
Личный кабинет +7 903 799 1446 +7 985 444 5566
модель 2017 года
  • Модель FX CRUISER HO
  • Схема Repair Kit 1 для FX CRUISER HO (FB1800AS)

  • Код модели FX CRUISER HO (FB1800AS)
Схема
Детали
Repair Kit 1
Номер
Наименование детали
Цена
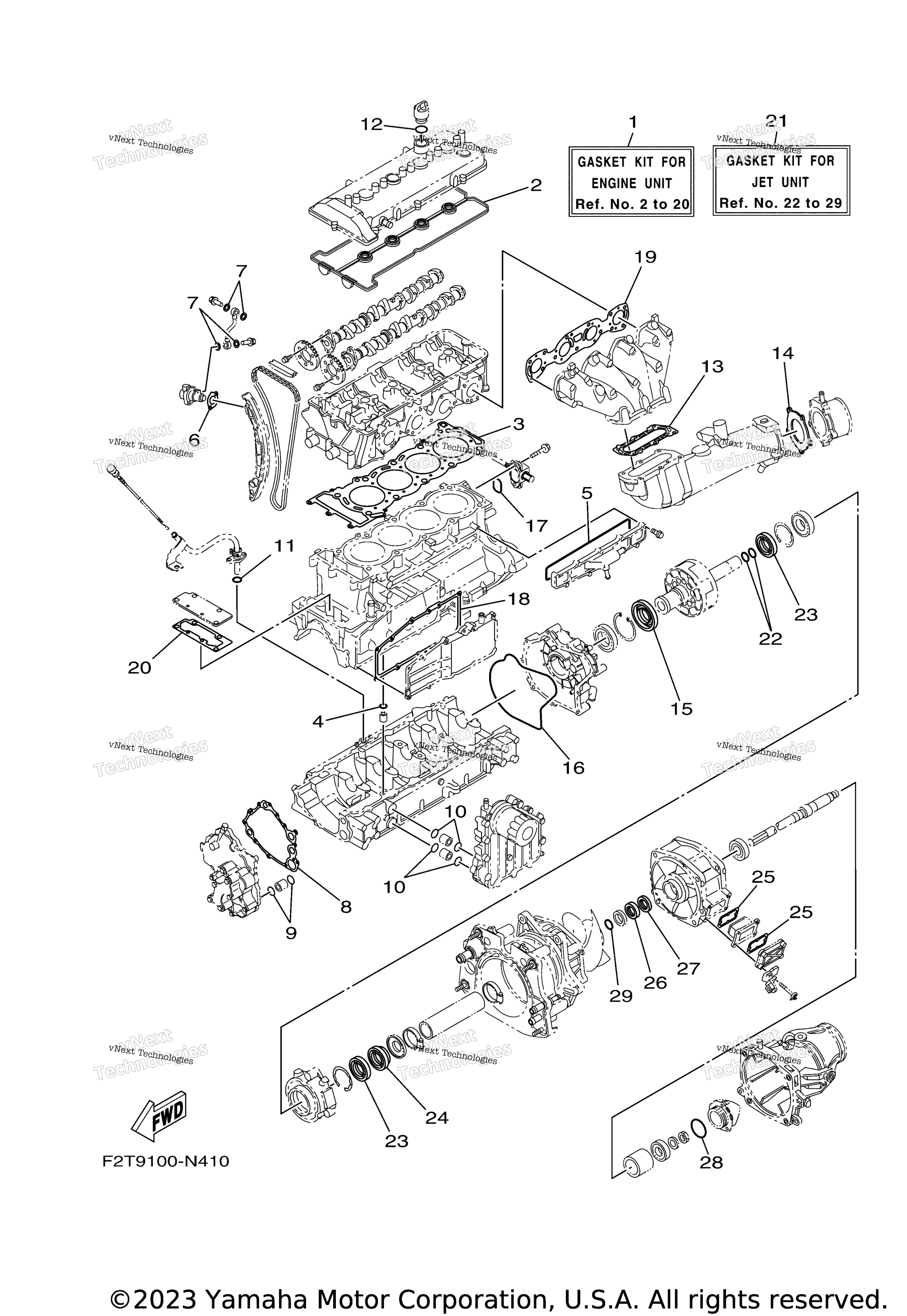
1
Gasket Kit For Engine Unit art. 6HM-W0001-01-00
По запросу
2
Прокладка клапанной крышки Yamaha art. 6BH-11193-00-00
По запросу
3
Прокладка ГБЦ Yamaha art. 6JC-11181-00-00
По запросу
4
. .O-Ring art. 93210-11453-00
По запросу
5
. .Gasket, Water Inlet art. 6CS-12517-00-00
По запросу
6
Прокладка натяжителя цепи Yamaha art. 6S5-121E2-00-00
от 350 ₽
7
. .Gasket art. 90430-10007-00
По запросу
8
Прокладка крышки масляного насоса Yamaha art. 6S5-13563-00-00
от 1 560 ₽
9
Кольцо резиновое Yamaha art. 93210-21631-00
По запросу
10
Кольцо резиновое Yamaha art. 93210-18322-00
от 310 ₽
11
. .O-Ring art. 93210-12016-00
По запросу
12
. .O-Ring art. 93210-24235-00
По запросу
13
Прокладка глушителя Yamaha art. 6S5-14739-00-00
По запросу
14
. .Gasket, Muffler Damper 2 art. 6BH-14749-00-00
По запросу
15
. .Oil Seal art. 6LE-81167-00-00
По запросу
16
Прокладка Yamaha art. 6S5-81168-00-00
от 4 330 ₽
OEM
Прокладка Yamaha
art. 6S5-81168-00-00
4 330 ₽
Требуется 1 шт.
17
Уплотнительное кольцо Yamaha art. 93210-32172-00
от 840 ₽
OEM
840 ₽
Требуется 1 шт.
18
. .Gasket art. 6BH-13557-00-00
По запросу
19
Прокладка выпускного коллектора Yamaha art. 6BH-14613-00-00
По запросу
20
. .Gasket, Cover art. 6BH-1131B-00-00
По запросу
21
Gasket Kit For Jet Unit art. 6S5-W0001-22-00
По запросу
22
Кольцо резиновое Yamaha art. 93210-22MF1-00
от 750 ₽
OEM
750 ₽
Требуется 2 шт.
23
. .Oil Seal art. 93102-29008-00
По запросу
24
. .Oil Seal art. 93102-29009-00
По запросу
25
. .O-Ring art. 66V-42414-00-00
По запросу
26
Сальник Yamaha art. 93102-31009-00
от 7 960 ₽
OEM
Сальник Yamaha
art. 93102-31009-00
7 960 ₽
Требуется 1 шт.
27
Сальник Yamaha art. 93101-31001-00
от 3 500 ₽
OEM
Сальник Yamaha
art. 93101-31001-00
3 500 ₽
Требуется 1 шт.
28
Кольцо уплотнительное Yamaha art. 93210-54010-00
от 350 ₽
OEM
350 ₽
Требуется 1 шт.
29
Кольцо резиновое Yamaha art. 93210-30611-00
от 1 420 ₽
OEM
1 420 ₽
Требуется 1 шт.
Нужна консультация
Мы ответим вам на этот номер
Или укажите свою почту - и мы ответим на нее
Добавлено в корзину
Вы только что добавили в корзину:
Перейти в корзину
Вход в интернет магазин
Войти
Зарегистрироваться
Номер телефона необходим для оформления заказа
Восстановить пароль
Укажите ваш email адрес или логин и мы вышлем ссылку для восстановления пароля.