Упс, к сожалению, версия вашего браузера несовместима с сайтом. Вероятнее всего она устарела или давно не обновлялась.
Попробуйте открыть сайт atvstyle.ru с одного из поддерживаемых браузеров:
Google
Chrome
Safari
Mozilla
Firefox
Microsoft
Edge
Opera
Yandex
Browser

Ваша корзина
Ваша корзина пуста
Перейти в каталог
Личный кабинет +7 903 799 1446 +7 985 444 5566
модель 2019 года
  • Модель VX
  • Схема STARTING MOTOR для VX LIMITED (VX1050FU)

  • Код модели VX LIMITED (VX1050FU)
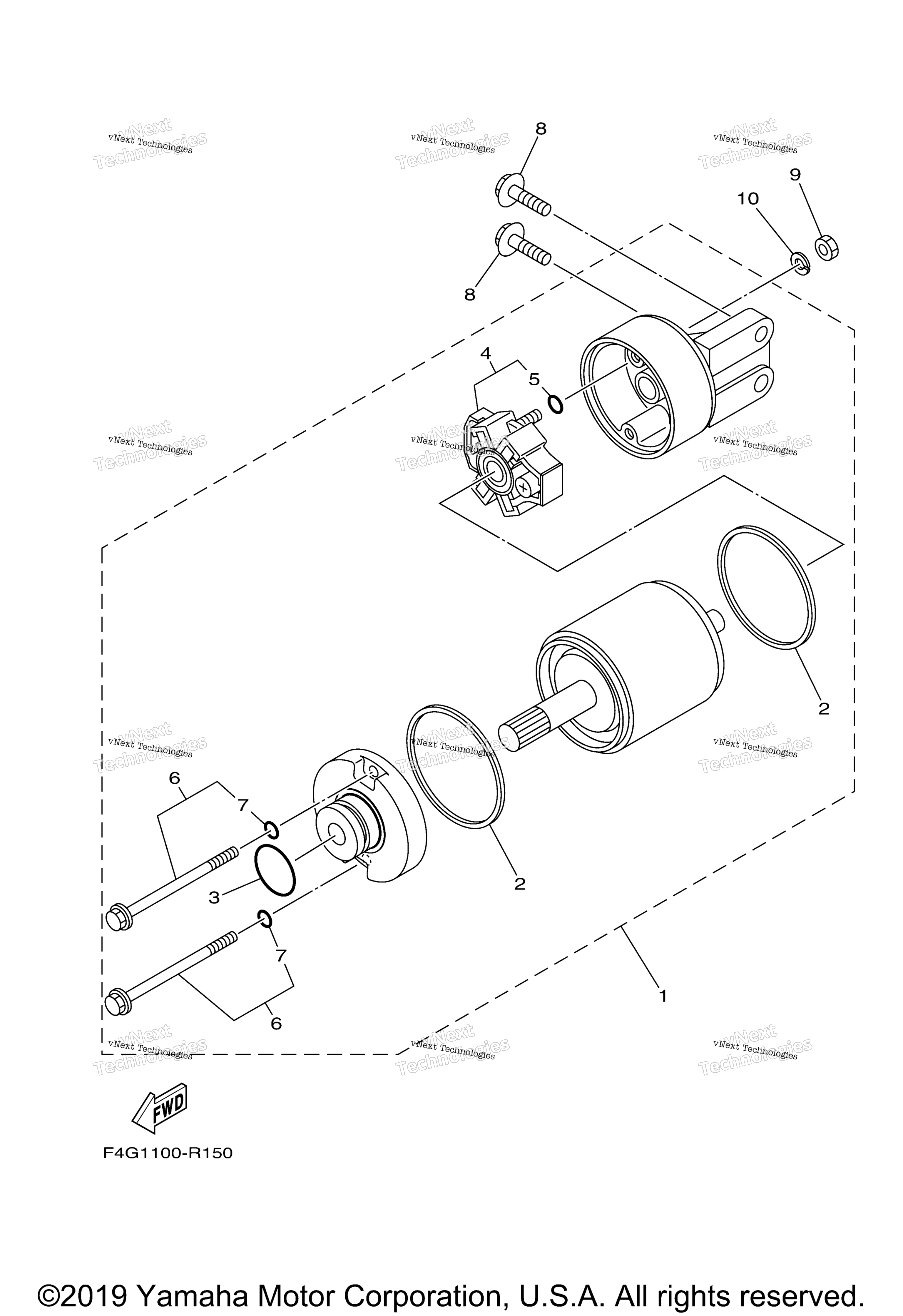
Схема
Детали
STARTING MOTOR
Номер
Наименование детали
Цена
1
Starting Motor Assy art. 6EY-81800-00-00
По запросу
2
. .Gasket art. 35C-81844-00-00
По запросу
3
. .O-Ring art. 93210-24235-00
По запросу
4
. .Brush Holder Assy art. 6EY-81840-00-00
По запросу
5
. . ..O-Ring art. 3TB-81847-00-00
По запросу
6
. .Bolt art. 6EY-81826-00-00
По запросу
7
. . ..O-Ring art. 3TB-81847-00-00
По запросу
8
Bolt, With Washer art. 97513-08530-00
По запросу
9
Nut art. 95380-06700-00
По запросу
10
Шайба Yamaha art. 92995-06100-00
от 450 ₽
OEM
Шайба Yamaha
art. 92995-06100-00
450 ₽
Требуется 1 шт.
Нужна консультация
Мы ответим вам на этот номер
Или укажите свою почту - и мы ответим на нее
Добавлено в корзину
Вы только что добавили в корзину:
Перейти в корзину
Вход в интернет магазин
Войти
Зарегистрироваться
Номер телефона необходим для оформления заказа
Восстановить пароль
Укажите ваш email адрес или логин и мы вышлем ссылку для восстановления пароля.