Упс, к сожалению, версия вашего браузера несовместима с сайтом. Вероятнее всего она устарела или давно не обновлялась.
Попробуйте открыть сайт atvstyle.ru с одного из поддерживаемых браузеров:
Google
Chrome
Safari
Mozilla
Firefox
Microsoft
Edge
Opera
Yandex
Browser

Ваша корзина
Ваша корзина пуста
Перейти в каталог
Личный кабинет +7 903 799 1446 +7 985 444 5566
модель 2021 года
  • Модель Super Jet
  • Схема ELECTRICAL 2 для SUPER JET (SJ1050W)

  • Код модели SUPER JET (SJ1050W)
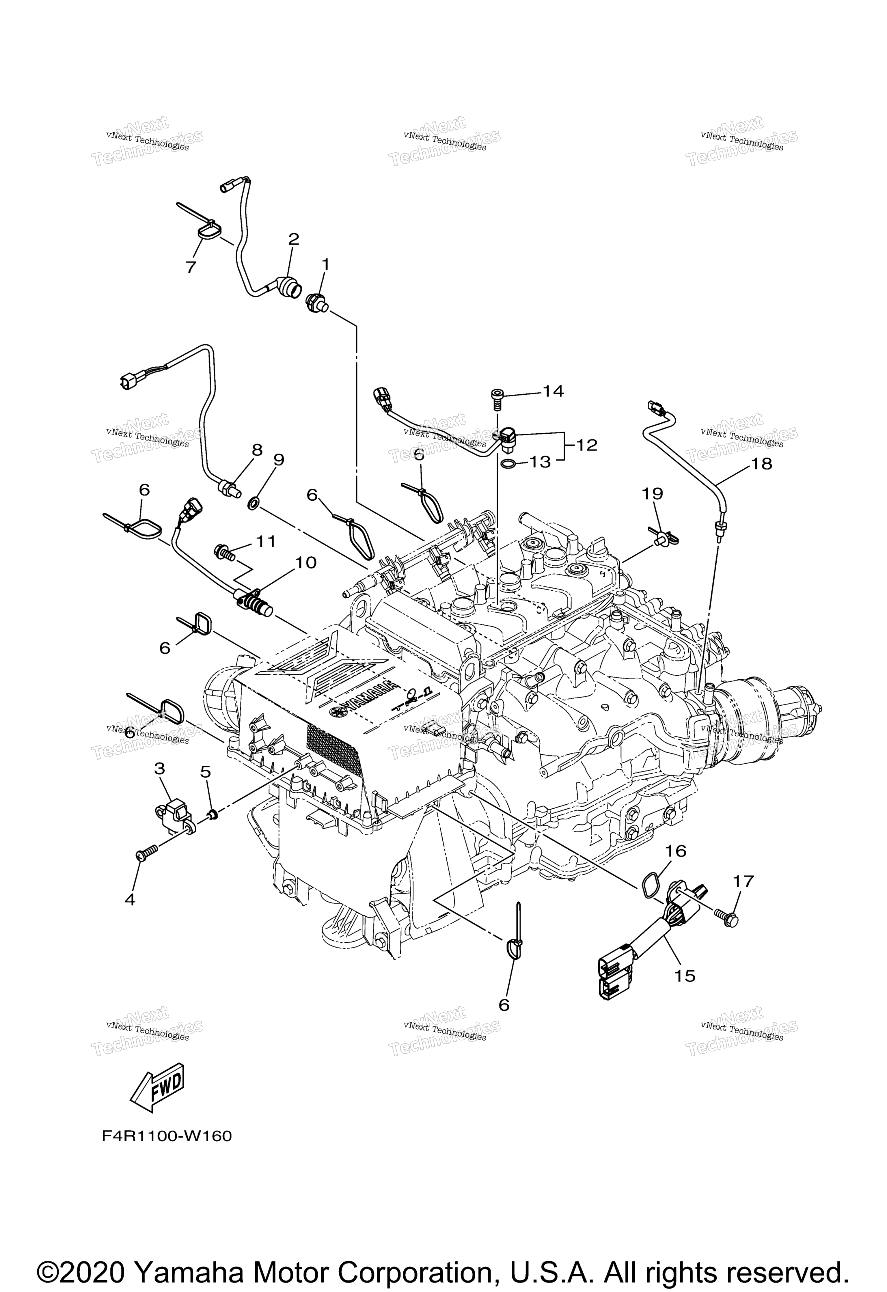
Схема
Детали
ELECTRICAL 2
Номер
Наименование детали
Цена
1
Oil Pressure Switch Assy art. 68V-82504-00-00
По запросу
2
Lead Wire Assy art. 60E-81315-01-00
По запросу
3
Sensor, Lean Angle art. 6ET-82576-00-00
По запросу
4
Screw, Tapping art. 97780-60025-00
По запросу
5
Collar art. 90387-06M05-00
По запросу
6
Clamp art. 90464-35132-00
По запросу
7
Clamp art. 90465-13M39-00
По запросу
8
Thermosensor Assy art. 61A-85790-01-00
По запросу
9
Шайба Yamaha art. 92990-10600-00
от 350 ₽
OEM
Шайба Yamaha
art. 92990-10600-00
350 ₽
Требуется 1 шт.
10
Thermo Switch Assy art. 6CR-82560-00-00
По запросу
11
Bolt, Hexagon W/W Deep Recess art. 97E95-06520-00
По запросу
12
Датчик положения распредвала Yamaha 2S3-85896-01-00 art. 2S3-85896-02-00
от 10 930 ₽
OEM
10 930 ₽
Требуется 1 шт.
13
Кольцо уплотнительное , резиновое Yamaha art. 4D9-81168-00-00
По запросу
14
Bolt art. 91380-06016-00
По запросу
15
Earth Plate Comp art. 6CS-8273J-11-00
По запросу
16
Уплотнительное кольцо Yamaha art. 93210-32172-00
от 840 ₽
OEM
840 ₽
Требуется 1 шт.
17
Bolt, With Washer art. 90119-06MA3-00
По запросу
18
Thermosensor Assy art. 6DE-85790-00-00
По запросу
19
Clamp art. 90464-20005-00
По запросу
Нужна консультация
Мы ответим вам на этот номер
Или укажите свою почту - и мы ответим на нее
Добавлено в корзину
Вы только что добавили в корзину:
Перейти в корзину
Вход в интернет магазин
Войти
Зарегистрироваться
Номер телефона необходим для оформления заказа
Восстановить пароль
Укажите ваш email адрес или логин и мы вышлем ссылку для восстановления пароля.