Упс, к сожалению, версия вашего браузера несовместима с сайтом. Вероятнее всего она устарела или давно не обновлялась.
Попробуйте открыть сайт atvstyle.ru с одного из поддерживаемых браузеров:
Google
Chrome
Safari
Mozilla
Firefox
Microsoft
Edge
Opera
Yandex
Browser

Ваша корзина
Ваша корзина пуста
Перейти в каталог
Личный кабинет +7 903 799 1446 +7 985 444 5566
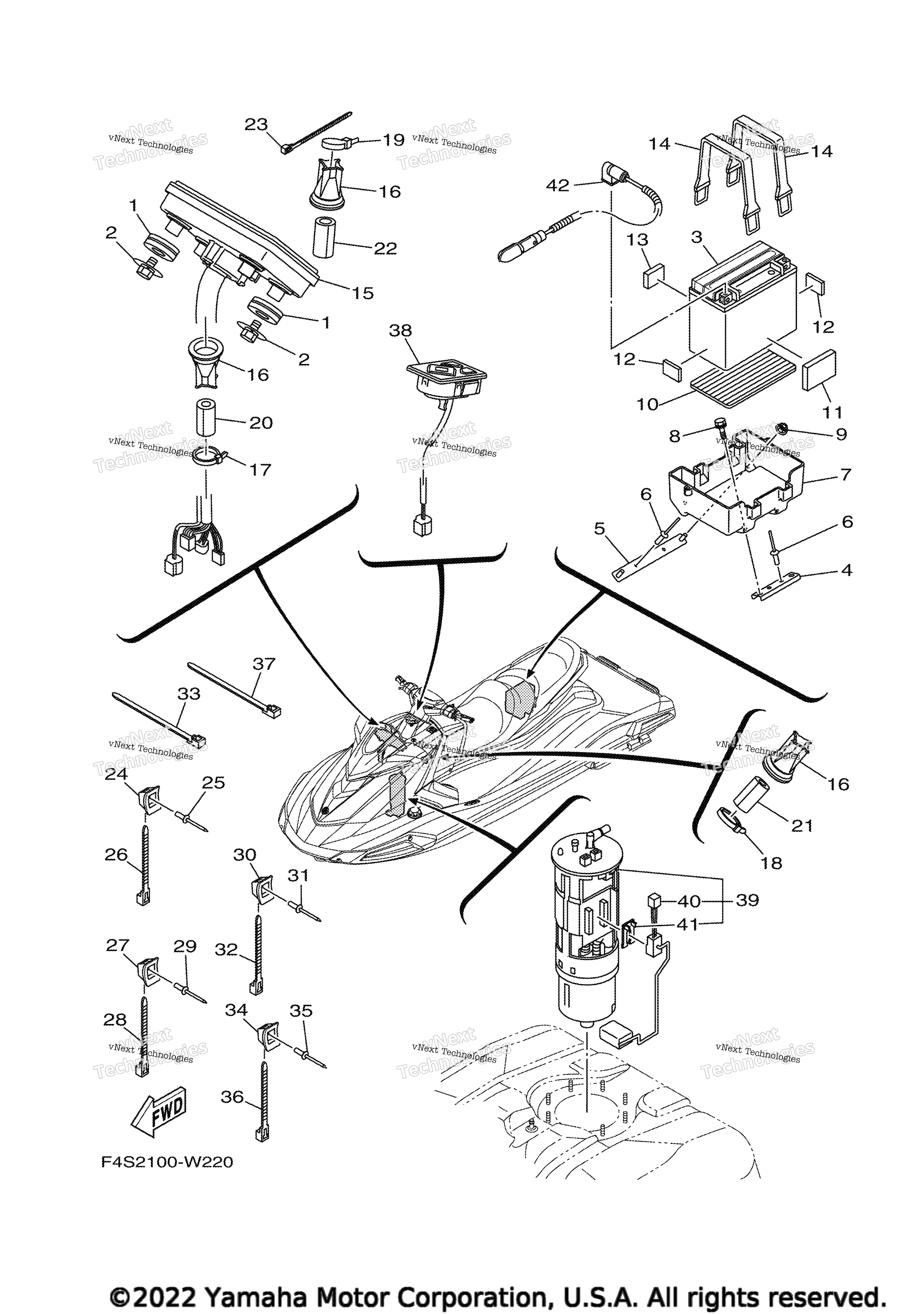
модель 2022 года
  • Модель VX CRUISER
  • Схема Electrical 3 для VX CRUISER WITH AUDI (VX1800CX)

  • Код модели VX CRUISER WITH AUDI (VX1800CX)
Схема
Детали
Electrical 3
Номер
Наименование детали
Цена
1
Grommet art. 90480-19800-00
По запросу
2
Bolt, With Washer art. 90119-05803-00
По запросу
3
Аккумулятор (YUASA YTX20L-BS) art. YTX-20LBS-00-00
По запросу
4
Plate, Base 2 art. F2S-U8592-00-00
По запросу
5
Plate, Base 3 art. F2S-U8593-00-00
По запросу
6
Rivet,Blind art. 90267-48938-00
По запросу
7
Case, Battery art. F2S-U8211-00-00
По запросу
8
Bolt, With Washer art. 90119-06820-00
По запросу
9
Nut, Lock art. F2N-U142L-00-00
По запросу
10
Pad, Battery art. F1S-U8221-00-00
По запросу
11
Mat 2 art. F1W-U759C-01-00
По запросу
12
Pad, Battery 2 art. EU0-U8221-31-00
По запросу
13
Packing art. F2C-U1743-00-00
По запросу
14
Band, Battery 1 art. F4P-U821D-00-00
По запросу
15
Meter Assy art. F4P-U820A-02-00
По запросу
16
Grommet art. F3J-U822E-01-00
По запросу
17
Зажим Yamaha art. 90464-32801-00
По запросу
18
Зажим Yamaha art. 90464-32801-00
По запросу
19
Зажим Yamaha art. 90464-32801-00
По запросу
20
Packing, Hose 2 art. GJ1-U7578-21-00
По запросу
21
Packing, Hose 2 art. GJ1-U7578-12-00
По запросу
22
Packing, Hose 2 art. GJ1-U7578-12-00
По запросу
23
Clamp 122X4.80 art. 90464-31827-00
По запросу
24
Base, Clamp art. F1W-U828M-00-00
По запросу
25
Заклепка Yamaha art. 90267-48806-00
от 750 ₽
OEM
Заклепка Yamaha
art. 90267-48806-00
750 ₽
Требуется 9 шт.
26
Зажим Yamaha art. 90464-32801-00
По запросу
27
Base, Clamp art. F1W-U828M-00-00
По запросу
28
Зажим Yamaha art. 90464-32801-00
По запросу
29
Заклепка Yamaha art. 90267-48806-00
от 750 ₽
OEM
Заклепка Yamaha
art. 90267-48806-00
750 ₽
Требуется 2 шт.
30
Base, Clamp art. F1W-U828M-00-00
По запросу
31
Заклепка Yamaha art. 90267-48806-00
от 750 ₽
OEM
Заклепка Yamaha
art. 90267-48806-00
750 ₽
Требуется 3 шт.
32
Зажим Yamaha art. 90464-32801-00
По запросу
33
Clamp art. F2C-U4256-00-00
По запросу
34
Base, Clamp art. F1W-U828M-00-00
По запросу
35
Заклепка Yamaha art. 90267-48806-00
от 750 ₽
OEM
Заклепка Yamaha
art. 90267-48806-00
750 ₽
Требуется 1 шт.
36
Clamp art. F2C-U4256-00-00
По запросу
37
Band art. 90601-200U2-00
По запросу
38
Switch Assy art. F4P-U8090-02-00
По запросу
39
Fuel Pump Comp art. 6S5-13907-05-00
По запросу
40
. .Fuel Sender Assy art. 99999-04571-00
По запросу
41
. .Damper, Stopper art. 60E-82556-00-00
По запросу
42
Wire, Minus Lead art. 6JP-82116-00-00
По запросу
Нужна консультация
Мы ответим вам на этот номер
Или укажите свою почту - и мы ответим на нее
Добавлено в корзину
Вы только что добавили в корзину:
Перейти в корзину
Вход в интернет магазин
Войти
Зарегистрироваться
Номер телефона необходим для оформления заказа
Восстановить пароль
Укажите ваш email адрес или логин и мы вышлем ссылку для восстановления пароля.