Упс, к сожалению, версия вашего браузера несовместима с сайтом. Вероятнее всего она устарела или давно не обновлялась.
Попробуйте открыть сайт atvstyle.ru с одного из поддерживаемых браузеров:
Google
Chrome
Safari
Mozilla
Firefox
Microsoft
Edge
Opera
Yandex
Browser

Ваша корзина
Ваша корзина пуста
Перейти в каталог
Личный кабинет +7 903 799 1446 +7 985 444 5566
модель 2022 года
  • Модель VX CRUISER
  • Схема Engine Hatch 1 для VX CRUISER WITH AUDI (VX1800CX)

  • Код модели VX CRUISER WITH AUDI (VX1800CX)
Схема
Детали
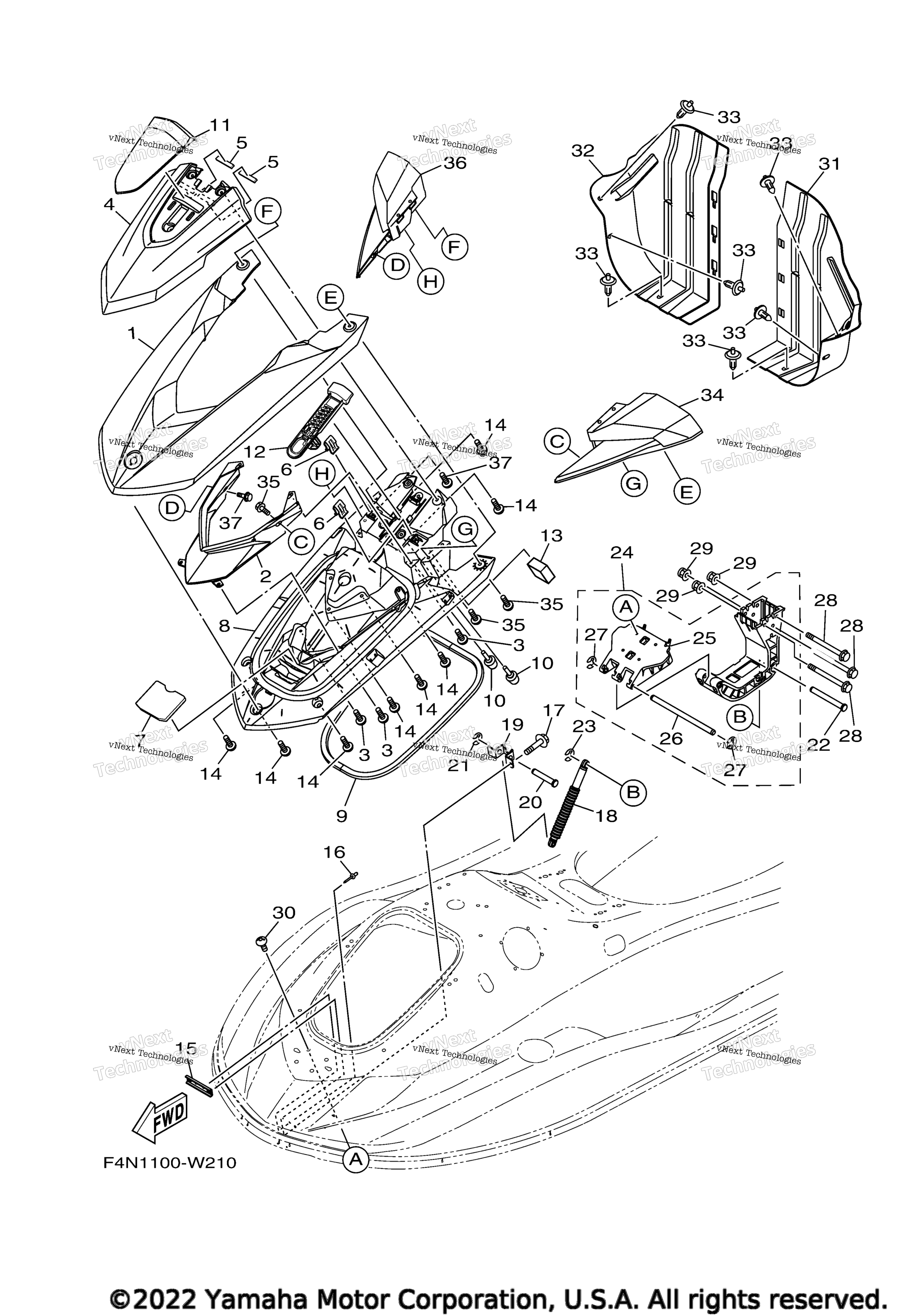
Engine Hatch 1
Номер
Наименование детали
Цена
1
Lid, Engine Room (Ssa) FOR BLACK art. F4N-U517B-00-P3
По запросу
1
Lid, Engine Room (Lbs2) FOR BLUE art. F4N-U517B-00-P8
По запросу
2
Ornament, Center art. F4N-U517V-00-00
По запросу
3
Screw art. F2S-U13C1-00-00
По запросу
4
Visor (Vyrs5) FOR BLACK art. F4N-U515N-02-P2
По запросу
4
Visor (Lbs2) FOR BLUE art. F4N-U515N-02-P8
По запросу
5
Packing 3 art. F1K-U266B-00-00
По запросу
6
Clip art. F3Y-U153K-00-00
По запросу
7
Stopper, Packing art. F4P-U7462-01-00
По запросу
8
Inner, Engine Hatch art. F4N-U519G-01-00
По запросу
9
Packing 1 art. F4P-U2663-00-00
По запросу
10
Cushion, Rubber art. F1W-U3768-01-00
По запросу
11
Visor, 2 art. F4N-U515P-00-00
По запросу
12
Lock, Lid art. F4N-U517C-00-00
По запросу
13
Packing art. F2C-U1743-00-00
По запросу
14
Screw art. F2S-U13C1-00-00
По запросу
15
Plate, Base 2 art. F2S-U8592-00-00
По запросу
16
Rivet,Blind art. 90267-48938-00
По запросу
17
Bolt, With Washer art. 90119-06820-00
По запросу
18
Damper 1 art. F4P-U515D-01-00
По запросу
19
Bracket, Damper 1 art. F4P-UFRV1-00-00
По запросу
20
Clevis art. F4P-U7243-00-00
По запросу
21
.E-Ring art. F4P-U515C-00-00
По запросу
22
Clevis 1 art. F4P-UF8DM-00-00
По запросу
23
.E-Ring art. F4P-U515C-00-00
По запросу
24
Hinge Assy art. F4P-U515A-00-00
По запросу
25
. .Plate, Hinge Lid art. F4P-U518E-00-00
По запросу
26
. .Rod art. F4P-U7256-00-00
По запросу
27
. .E-Ring art. F4P-U515C-00-00
По запросу
28
Bolt, Stud 1 art. F4P-U4445-00-00
По запросу
29
Nut, Lock art. F3Y-U142L-00-00
По запросу
30
Bolt, Hexagon Socket Button art. 90111-06873-00
По запросу
31
Locker,Bow art. F4P-U475B-00-00
По запросу
32
Plate, Loker Bow art. F4P-U475F-00-00
По запросу
33
Rivet art. F4P-U1454-00-00
По запросу
34
Mirror Assy. 1 art. F4N-U590D-70-00
По запросу
35
Bolt, With Washer art. 90119-06803-00
По запросу
36
Mirror Assy. 2 art. F4N-U590E-70-00
По запросу
37
Bolt, With Washer art. 90119-06803-00
По запросу
Нужна консультация
Мы ответим вам на этот номер
Или укажите свою почту - и мы ответим на нее
Добавлено в корзину
Вы только что добавили в корзину:
Перейти в корзину
Вход в интернет магазин
Войти
Зарегистрироваться
Номер телефона необходим для оформления заказа
Восстановить пароль
Укажите ваш email адрес или логин и мы вышлем ссылку для восстановления пароля.