Упс, к сожалению, версия вашего браузера несовместима с сайтом. Вероятнее всего она устарела или давно не обновлялась.
Попробуйте открыть сайт atvstyle.ru с одного из поддерживаемых браузеров:
Google
Chrome
Safari
Mozilla
Firefox
Microsoft
Edge
Opera
Yandex
Browser

Ваша корзина
Ваша корзина пуста
Перейти в каталог
Личный кабинет +7 903 799 1446 +7 985 444 5566
модель 2022 года
  • Модель TT-R230
  • Схема STARTING MOTOR для TTR230 (TTR230N)

  • Код модели TTR230 (TTR230N)
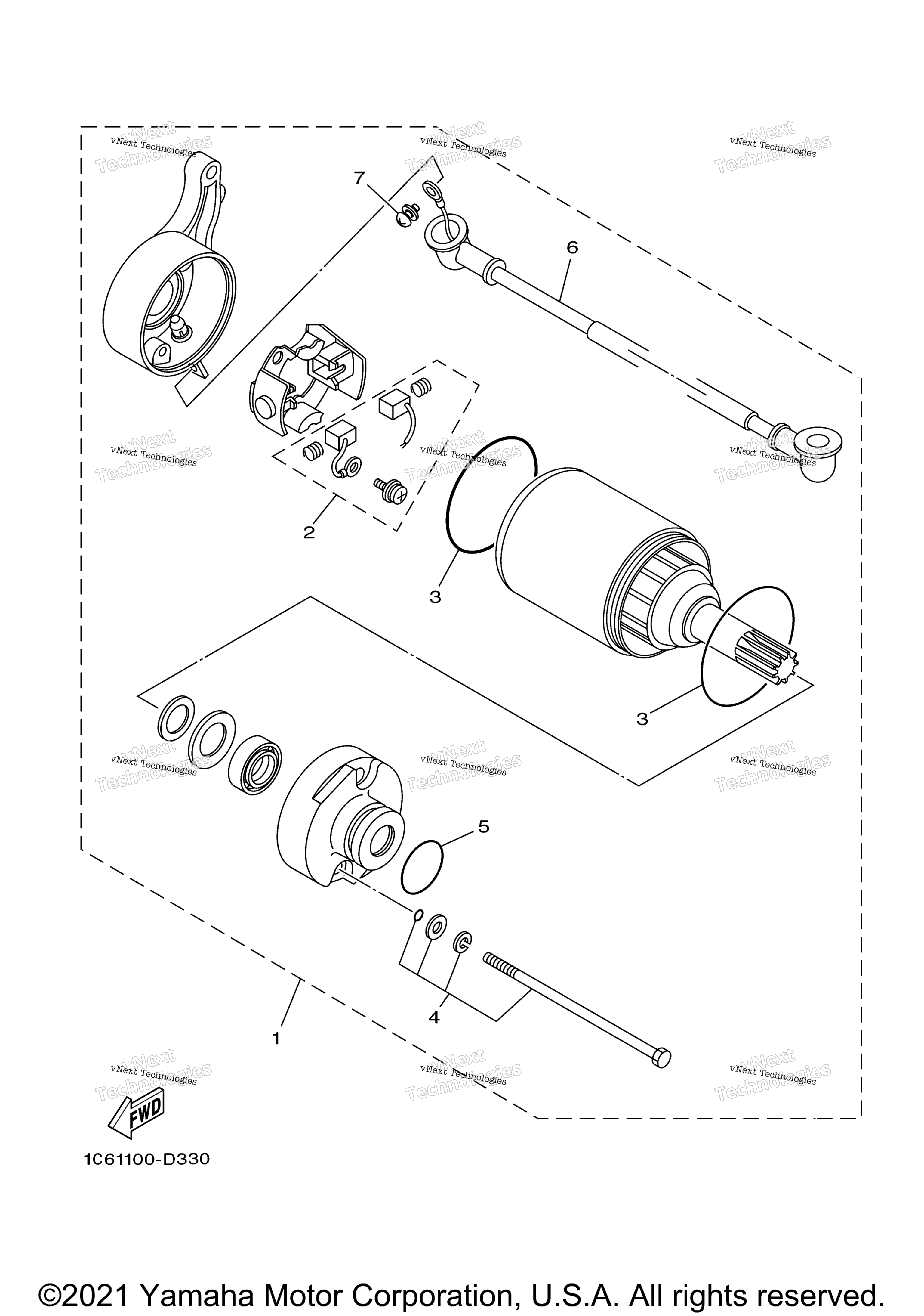
Схема
Детали
STARTING MOTOR
Номер
Наименование детали
Цена
1
Starting Motor Assy art. 1C6-H1800-00-00
По запросу
2
. .Brush Set art. 4FP-H1801-00-00
По запросу
3
. .O-Ring art. 93210-55669-00
По запросу
4
. .Bolt 2 art. 4FP-H1828-00-00
По запросу
5
. .O-Ring art. 93210-25711-00
По запросу
6
. .Cord Comp art. 1C6-H183G-00-00
По запросу
7
Винт, головка поддона art. 98507-05008-00
По запросу
Нужна консультация
Мы ответим вам на этот номер
Или укажите свою почту - и мы ответим на нее
Добавлено в корзину
Вы только что добавили в корзину:
Перейти в корзину
Вход в интернет магазин
Войти
Зарегистрироваться
Номер телефона необходим для оформления заказа
Восстановить пароль
Укажите ваш email адрес или логин и мы вышлем ссылку для восстановления пароля.