модель 2008 года
Запчасти для LT-Z400Z
- Код модели LT-Z400Z
- Модель Quadsport Z400/ LTZ400
Запутались с подбором запчастей?
Наши специалисты помогут вам с этим
AIR CLEANER
BATTERY
CAM CHAIN
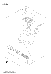
Camshaft/Valve
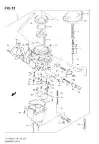
CARBURETOR
СЦЕПЛЕНИЕ
Crank Balancer
КАРТЕР
Crankcase Cover
Crankshaft
CYLINDER
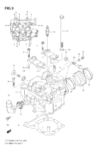
CYLINDER HEAD
Cylinder Head Cover
Electrical
Footrest
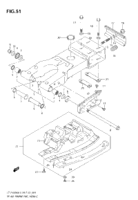
FRAME
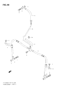
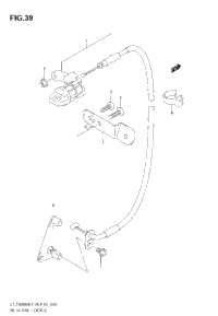
Front Brake Hose
FRONT CALIPER
FRONT FENDER
FRONT MASTER CYLINDER
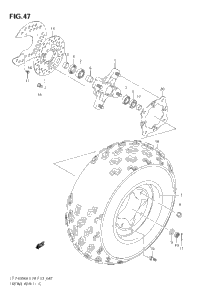
FRONT WHEEL
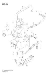
FUEL TANK
Gasket Set
Gear Shifting
Handle Lever
HANDLEBAR
Headlamp (Lt-Z400)
Headlamp (Lt-Z400z)
LABEL
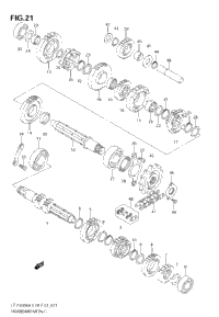
Left Rear Wheel
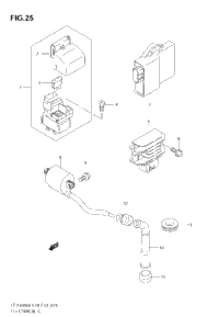
Magneto
MUFFLER
Oil Hose
OIL PUMP
Optional
Pilot Lamp
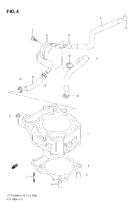
RADIATOR
RADIATOR HOSE
REAR BRAKE
Rear Caliper
Rear Combination (E28)
Rear Combination (E33)
Rear Cushion Lever
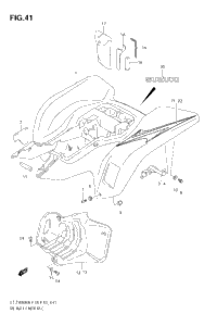
REAR FENDER
REAR MASTER CYLINDER
Rear Swinging Arm
Reverse Lock
Right Rear Wheel
SEAT
SIDE COVER
STARTER CLUTCH
STARTING MOTOR
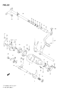
Steering Knuckle
STEERING SHAFT
Suspension Arm
TRANSMISSION
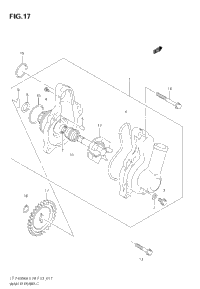
WATER PUMP
Wiring Harness