модель 2008 года
Запчасти для WOLVERINE 450 4X4 SP (YFM45FXSPX)
- Код модели WOLVERINE 450 4X4 SP (YFM45FXSPX)
- Модель Wolverine 450
Запутались с подбором запчастей?
Наши специалисты помогут вам с этим
ЦЕПЬ РАСПРЕДВАЛА
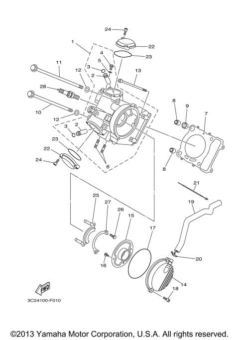
CARBURETOR
СЦЕПЛЕНИЕ
КАРТЕР
CRANKCASE COVER 1
CRANKSHAFT PISTON
CYLINDER
CYLINDER HEAD
DRIVE SHAFT
ELECTRICAL 1
EMBLEM LABEL 1
EXHAUST
FRAME
FRONT BRAKE CALIPER
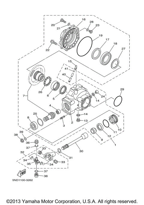
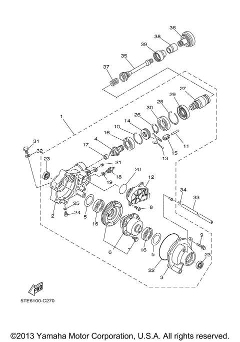
FRONT DIFFERENTIAL
FRONT FENDER
FRONT MASTER CYLINDER
FRONT SUSPENSION WHEEL
FRONT WHEEL
FUEL TANK
GENERATOR
GRAPHICS
GUARD
HANDLE SWITCH LEVER
HEADLIGHT
INTAKE
METER
MIDDLE DRIVE GEAR
OIL PUMP
RADIATOR HOSE
REAR ARM
REAR BRAKE CALIPER
REAR FENDER
REAR MASTER CYLINDER
REAR SUSPENSION
REAR WHEEL
SEAT
SHIFT CAM FORK
SHIFT SHAFT
SIDE COVER
STAND FOOTREST
STARTER CLUTCH
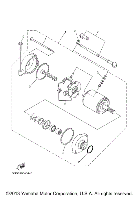
STARTING MOTOR
STEERING
STEERING HANDLE CABLE
TAILLIGHT
TRANSMISSION
VALVE
WATER PUMP