Упс, к сожалению, версия вашего браузера несовместима с сайтом. Вероятнее всего она устарела или давно не обновлялась.
Попробуйте открыть сайт atvstyle.ru с одного из поддерживаемых браузеров:
Google
Chrome
Safari
Mozilla
Firefox
Microsoft
Edge
Opera
Yandex
Browser

Ваша корзина
Ваша корзина пуста
Перейти в каталог
Личный кабинет +7 903 799 1446 +7 985 444 5566
модель 2010 года
  • Модель VX DELUXE
  • Схема Electrical 3 для VX DELUXE (VX1100BJ)

  • Код модели VX DELUXE (VX1100BJ)
Схема
Детали
Electrical 3
Номер
Наименование детали
Цена
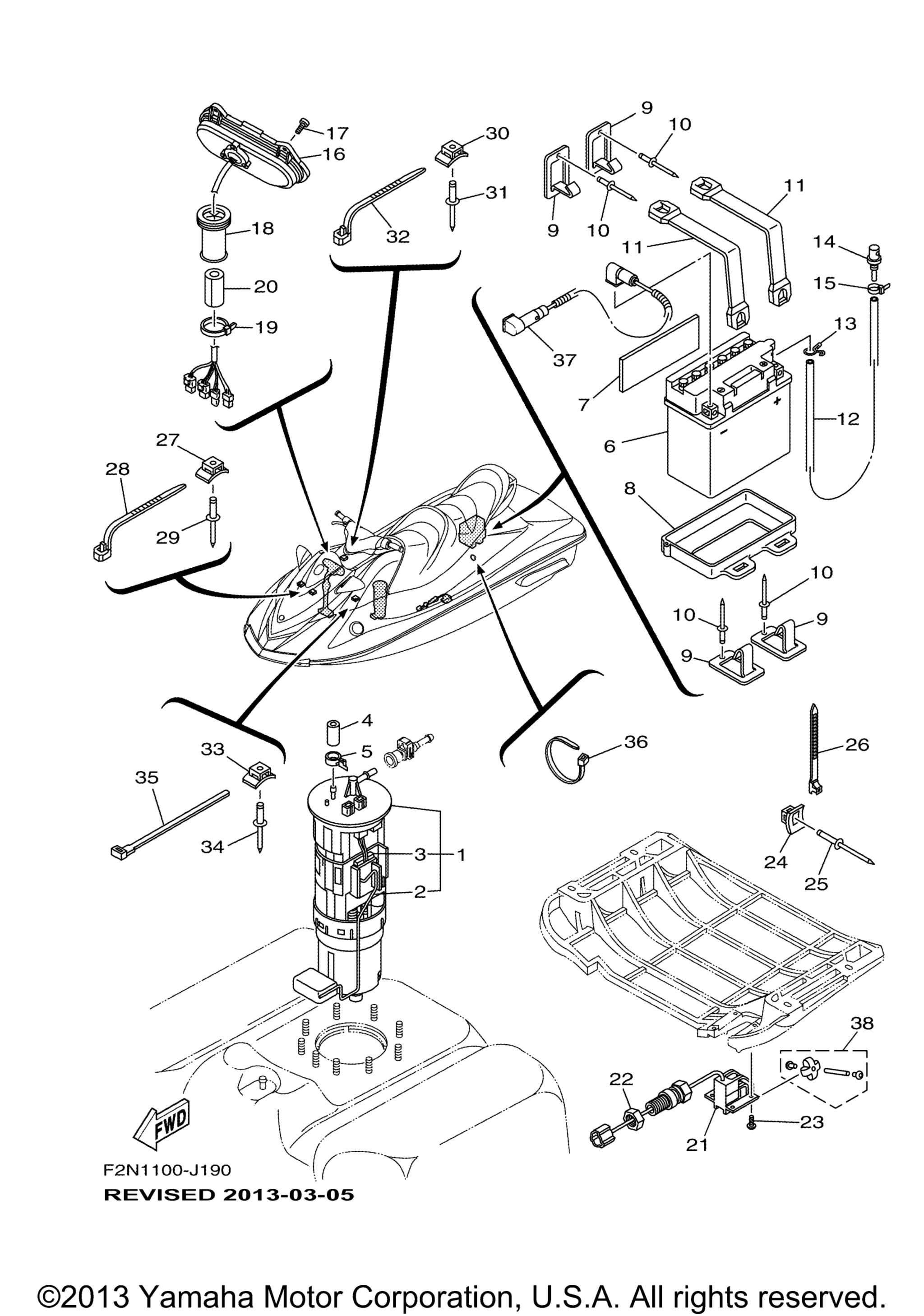
1
Fuel Pump Comp art. 60E-13907-0X-00
По запросу
2
. .Fuel Sender Assy art. 60E-682E0-00-00
По запросу
3
. .Damper, Stopper art. 60E-82556-00-00
По запросу
4
Plug art. 6D3-24481-00-00
По запросу
5
Clip art. 6D3-24387-00-00
По запросу
6
Battery Assy (Yb16cl-B) YUASA art. EU0-82110-08-00
По запросу
7
Pad, Battery art. F1K-U8221-00-00
По запросу
8
Case, Battery art. F1K-U8211-01-00
По запросу
9
Hook A art. F1K-U5772-03-00
По запросу
10
Rivet,Blind art. 90267-48938-00
По запросу
11
Band, Battery 1 art. F1K-U821D-01-00
По запросу
12
Hose, Air Vent art. F0D-U785G-10-00
По запросу
13
Clip art. 90467-089U1-00
По запросу
14
Nipple art. GJ3-6215F-00-00
По запросу
15
Хомут Yamaha art. 90465-10098-00
от 350 ₽
OEM
Хомут Yamaha
art. 90465-10098-00
350 ₽
Требуется 1 шт.
16
Meter Assy art. F1K-6820A-02-00
По запросу
17
Bolt,Hex. Socket Button art. 90111-05009-00
По запросу
18
Grommet art. GU2-6822E-01-00
По запросу
19
Зажим Yamaha art. 90464-32801-00
По запросу
20
Packing, Hose 2 art. GJ1-U7578-21-00
По запросу
21
Sensor Speed art. F1S-U8K31-03-00
По запросу
22
Nut art. F2C-U151S-00-00
По запросу
23
Screw, Round Head art. 90150-05807-00
По запросу
24
Base, Clamp art. F1W-U828M-00-00
По запросу
25
Rivet, Blind art. 90267-489U6-00
По запросу
26
Зажим Yamaha art. 90464-32801-00
По запросу
27
Base, Clamp art. F1W-U828M-00-00
По запросу
28
Зажим Yamaha art. 90464-32801-00
По запросу
29
Rivet, Blind art. 90267-489U6-00
По запросу
30
Base, Clamp art. F1W-U828M-00-00
По запросу
31
Rivet, Blind art. 90267-489U6-00
По запросу
32
Зажим Yamaha art. 90464-32801-00
По запросу
33
Base, Clamp art. F1W-U828M-00-00
По запросу
34
Rivet, Blind art. 90267-489U6-00
По запросу
35
Band art. 90601-200U2-00
По запросу
36
Clamp art. 1UA-82591-00-00
По запросу
37
Wire, Minus Lead art. 6BU-82116-00-00
По запросу
38
Repair Kit, Speed Sensor art. GJ1-U835D-00-00
По запросу
Нужна консультация
Мы ответим вам на этот номер
Или укажите свою почту - и мы ответим на нее
Добавлено в корзину
Вы только что добавили в корзину:
Перейти в корзину
Вход в интернет магазин
Войти
Зарегистрироваться
Номер телефона необходим для оформления заказа
Восстановить пароль
Укажите ваш email адрес или логин и мы вышлем ссылку для восстановления пароля.